电脑桌面
添加小米粒文库到电脑桌面
安装后可以在桌面快捷访问

a焦炉设备安装方案1

a焦炉设备安装方案1_第1页
1/19
a焦炉设备安装方案1_第2页
2/19
a焦炉设备安装方案1_第3页
3/19
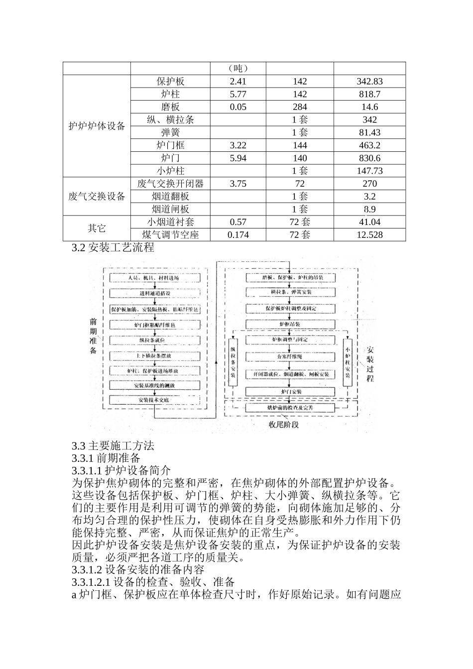
目 录1、编制依据......................................................................................12、工程概况......................................................................................13、设备安装......................................................................................34、施工组织及劳动力安排............................................................175、网络进度计划............................................................................186、质量等级及质量保证措施........................................................187、安全保证措施............................................................................208、重大危险源及控制计划清单………………………………………229、危 险 源 辨 识 评 价 台 帐……………………………………221、编制依据1.1 鞍山焦化耐火材料设计总设计的施工图1.2《冶金机械设备安装工程施工及验收法律规范》焦化部分1.3《炼焦机械设备》手册1.4 曹妃甸某京唐一期一步焦化工程焦炉机械设备基本安装手册1.5《现场设备工业管道焊接工程施工及验收法律规范》GB50236-981.6《工业企业煤气安全规程》GB6222-861.7《现场设备、工业管道焊接工程施工及验收法律规范》GB50236-981.8《工业设备及管道绝热工程施工及验收法律规范》GBJ126-891.9《工业设备及管道绝热勤务员质量检验评定标准》GB50185-931.10《钢结构工程施工质量验收法律规范》GB50205-20012、工程概况曹妃甸某京唐一期一步焦化工程 7.63m2号焦炉是一座由鞍山焦化耐火材料院转化德国 uhde 公司设计,结构复杂、工艺先进,是国内首次引进的特大型焦炉。该 1×70 孔焦炉全长 122m,全高 15m,炭化室高度 7.63n、长度 18.56m,年产焦碳 110 万吨。与该焦炉对应的护炉铁件及其他设备总安装量为 3578t。2.1 本工程特点:2.1.1 工期紧,安装和砌筑总施工工期为 235 天。2.1.2 主要安装施工正值酷暑,工时、工效均会受到较大影响(如高温、降雨天气将会影响)。2.1.3 场地狭小,现场周围均有成型的建筑和其它配套设施的施工,给设备的倒运、堆放及吊装带来较大困难。2.1.4 安装精度较高,施工难度大。2.1.5 安装工艺较国内焦炉设计特别,设备零部件较多且复杂。3、设备安装3.1 主要工程内容及工程量统计名称内容单重件数(个)重量(吨)(吨)...

1、当您付费下载文档后,您只拥有了使用权限,并不意味着购买了版权,文档只能用于自身使用,不得用于其他商业用途(如 [转卖]进行直接盈利或[编辑后售卖]进行间接盈利)。
2、本站所有内容均由合作方或网友上传,本站不对文档的完整性、权威性及其观点立场正确性做任何保证或承诺!文档内容仅供研究参考,付费前请自行鉴别。
3、如文档内容存在违规,或者侵犯商业秘密、侵犯著作权等,请点击“违规举报”。

碎片内容

a焦炉设备安装方案1

确认删除?
VIP
微信客服
  • 扫码咨询
会员Q群
  • 会员专属群点击这里加入QQ群
客服邮箱
回到顶部