电脑桌面
添加小米粒文库到电脑桌面
安装后可以在桌面快捷访问

c20普通混凝土配合比设计总说明书

c20普通混凝土配合比设计总说明书_第1页
1/3
c20普通混凝土配合比设计总说明书_第2页
2/3
c20普通混凝土配合比设计总说明书_第3页
3/3
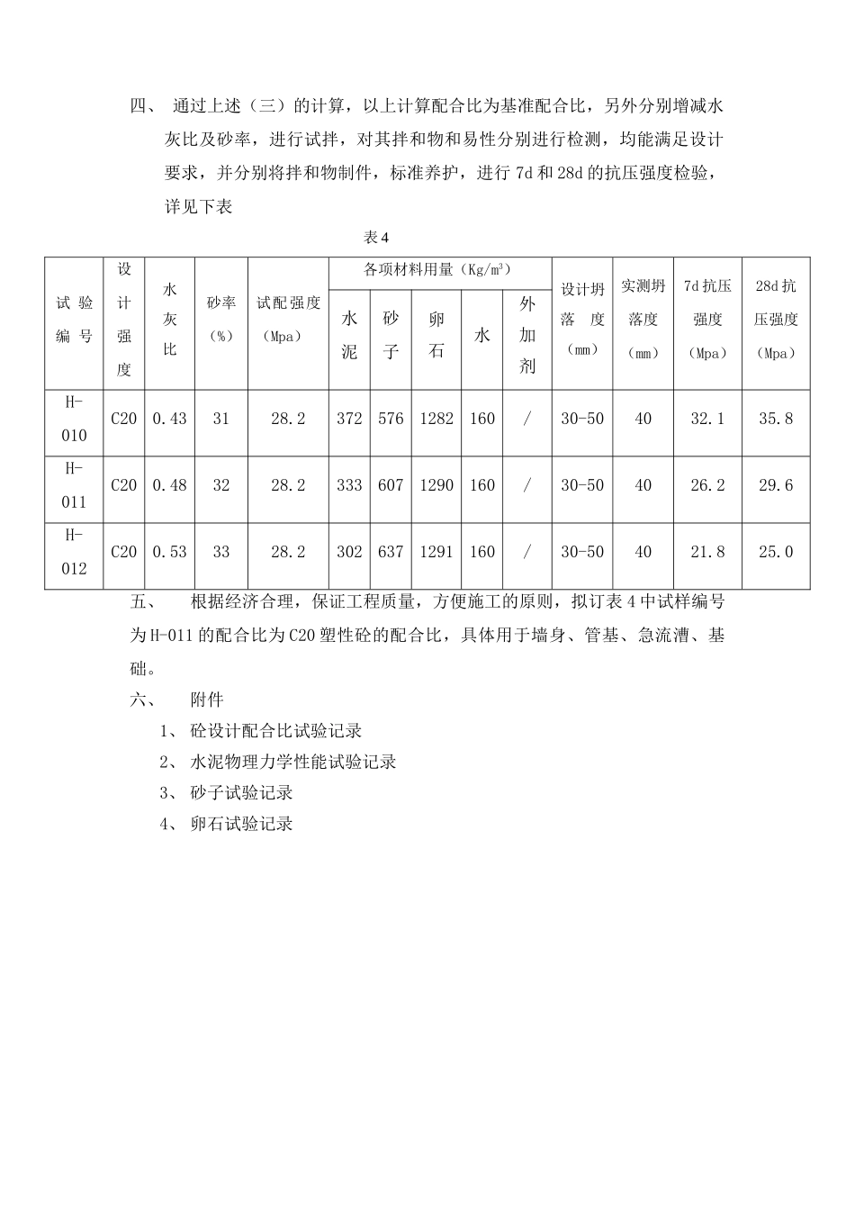
C20 普通混凝土配合比设计总说明书一、试验所用仪器设备及试验环境试验过程中使用的仪器设备精度、规格、准确性等均符合法律规范要求,且均通过某省计量测试所检定合格,试验室、标养室,温度、湿度符合法律规范要求。二、材料的选用1 、 水 泥 : 选 用 海 螺 牌 普 通 32.5 硅 酸 盐 水 泥 , 依 据 GB/T17671-1999、GB/T1346-2001 及 GB/T1345-1991 试验,各项指标均符合 GB175-1999 法律规范要求,详见下表 表 1厂 牌名 称等 级水 泥批 号细 度(%)标 准细 度用 水 量( % )初 凝时 间终 凝时 间安 定性3 天 抗 折 强 度(Mpa)3 天 抗 压 强 度(Mpa)28 天抗折 强 度(Mpa)28 天抗压 强 度(Mpa)海螺P.o32.5Pos 30792.326.23h:30min4h:26min合格4.118.57.837.5 2、 细骨料:选用金凤砂石厂河砂,依据 JTJ058-2000 试验,其各项指标均符合 JTJ041-2000 法律规范要求,详见下表 表 2名称产地表观密度(Kg/m3)含泥量(%)筛分析细度模数河砂金凤砂石厂26821.4Ⅱ 区2.89 3、 粗骨料:选用南昌赣江石料厂卵石,依据 JTJ58-2000 试验,其各项指标均符合 JTJ041-2000 法律规范要求,详见下表 表 3名称产地表观密度(Kg/m3)针片状含量(%)含泥量(%)压碎值(%)颗粒级配卵石南昌赣江石厂25613.20.85.25-31.5mm 4、 水:饮用水,符合 JTJ041-2000 法律规范砼用外加剂要求,其各项性能指标详见厂家产品说明书及外委试验报告。5、外加剂:不掺减水剂。三、配合比的设计与计算依据 JGT55-2000 及公路工程国内招标文件范本 2025 版下册,结合施工场地实际情况对 C20 普通砼进行设计与计算,具体过程如下:1、 计算试配强度:fcu.o=fcu.r+1.645δ=28.2Mpa2、 计算水灰比:W/C=aa×fce/fcu.o+aa×ab×fce=(0.48×1.04×32.5)/(33.2+0.48×0.33×32.5×1.04)=0.483、 选用每立方米砼用水量:mwo=160Kg/m34、 计算每立方米砼水泥用量:mco=mwo/(W/C)=160/0.48=333Kg/m35、选取砂率:βS=0.326、计算每立方米砼粗、细骨料用量(mcp 取值为 2390Kg/m3):mco+mgo+mso+mwo=mcpβS=mso/(mgo+mso) ×100%mso=607 Kg/m3 mgo=1290 Kg/m3 mco:mgo:mso:mwo=333: 1290:607:160=1:1.82:3.87:0.48四、 通过上述(三)的计算,以上计算配合比为基准配合比,另外分别增减水灰比及砂率,进行试拌,对其拌和物和易性分别进行检测,均能满足设计要求,并分别将...

1、当您付费下载文档后,您只拥有了使用权限,并不意味着购买了版权,文档只能用于自身使用,不得用于其他商业用途(如 [转卖]进行直接盈利或[编辑后售卖]进行间接盈利)。
2、本站所有内容均由合作方或网友上传,本站不对文档的完整性、权威性及其观点立场正确性做任何保证或承诺!文档内容仅供研究参考,付费前请自行鉴别。
3、如文档内容存在违规,或者侵犯商业秘密、侵犯著作权等,请点击“违规举报”。

碎片内容

c20普通混凝土配合比设计总说明书

您可能关注的文档

确认删除?
VIP
微信客服
  • 扫码咨询
会员Q群
  • 会员专属群点击这里加入QQ群
客服邮箱
回到顶部