电脑桌面
添加小米粒文库到电脑桌面
安装后可以在桌面快捷访问

CB15分部工程开工申请表

CB15分部工程开工申请表_第1页
1/4
CB15分部工程开工申请表_第2页
2/4
CB15分部工程开工申请表_第3页
3/4
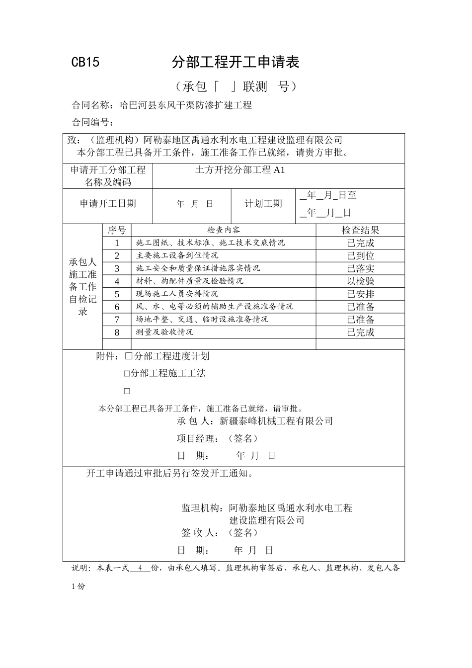
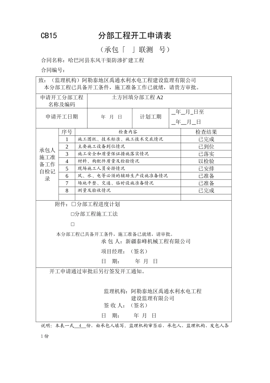
CB15 分部工程开工申请表(承包「 」联测 号)合同名称:哈巴河县东风干渠防渗扩建工程合同编号: 致:(监理机构)阿勒泰地区禹通水利水电工程建设监理有限公司 本分部工程已具备开工条件,施工准备工作已就绪,请贵方审批。申请开工分部工程名称及编码土方开挖分部工程 A1申请开工日期 年 月 日计划工期 年 月 日至 年 月 日承包人施工准备工作自检记录序号检查内容检查结果1施工图纸、技术标准、施工技术交底情况已完成2主要施工设备到位情况已到位3施工安全和质量保证措施落实情况已落实4材料、构配件质量及检验情况以检验5现场施工人员安排情况已安排6风、水、电等必须的辅助生产设施准备情况已准备7场地平整、交通、临时设施准备情况已准备8测量及验收情况已完成附件:□分部工程进度计划□分部工程施工工法□ 本分部工程已具备开工条件,施工准备已就绪,请审批。承 包 人:新疆泰峰机械工程有限公司项目经理:(签名)日 期: 年 月 日开工申请通过审批后另行签发开工通知。监理机构:阿勒泰地区禹通水利水电工程建设监理有限公司签 收 人:(签名)日 期: 年 月 日说明:本表一式 4 份,由承包人填写。监理机构审签后,承包人、监理机构、发包人各1 份CB15 分部工程开工申请表(承包「 」联测 号)合同名称:哈巴河县东风干渠防渗扩建工程合同编号: 致:(监理机构)阿勒泰地区禹通水利水电工程建设监理有限公司 本分部工程已具备开工条件,施工准备工作已就绪,请贵方审批。申请开工分部工程名称及编码土方回填分部工程 A2申请开工日期 年 月 日计划工期 年 月 日至 年 月 日承包人施工准备工作自检记录序号检查内容检查结果1施工图纸、技术标准、施工技术交底情况已完成2主要施工设备到位情况已到位3施工安全和质量保证措施落实情况已落实4材料、构配件质量及检验情况以检验5现场施工人员安排情况已安排6风、水、电等必须的辅助生产设施准备情况已准备7场地平整、交通、临时设施准备情况已准备8测量及验收情况已完成附件:□分部工程进度计划□分部工程施工工法□ 本分部工程已具备开工条件,施工准备已就绪,请审批。承 包 人:新疆泰峰机械工程有限公司项目经理:(签名)日 期: 年 月 日开工申请通过审批后另行签发开工通知。监理机构:阿勒泰地区禹通水利水电工程建设监理有限公司签 收 人:(签名)日 期: 年 月 日说明:本表一式 4 份,由承包人填写。监理机构...

1、当您付费下载文档后,您只拥有了使用权限,并不意味着购买了版权,文档只能用于自身使用,不得用于其他商业用途(如 [转卖]进行直接盈利或[编辑后售卖]进行间接盈利)。
2、本站所有内容均由合作方或网友上传,本站不对文档的完整性、权威性及其观点立场正确性做任何保证或承诺!文档内容仅供研究参考,付费前请自行鉴别。
3、如文档内容存在违规,或者侵犯商业秘密、侵犯著作权等,请点击“违规举报”。

碎片内容

CB15分部工程开工申请表

确认删除?
VIP
微信客服
  • 扫码咨询
会员Q群
  • 会员专属群点击这里加入QQ群
客服邮箱
回到顶部