电脑桌面
添加小米粒文库到电脑桌面
安装后可以在桌面快捷访问

DK387+780旭罗大桥1号桥墩盖梁计算书

DK387+780旭罗大桥1号桥墩盖梁计算书_第1页
1/22
DK387+780旭罗大桥1号桥墩盖梁计算书_第2页
2/22
DK387+780旭罗大桥1号桥墩盖梁计算书_第3页
3/22
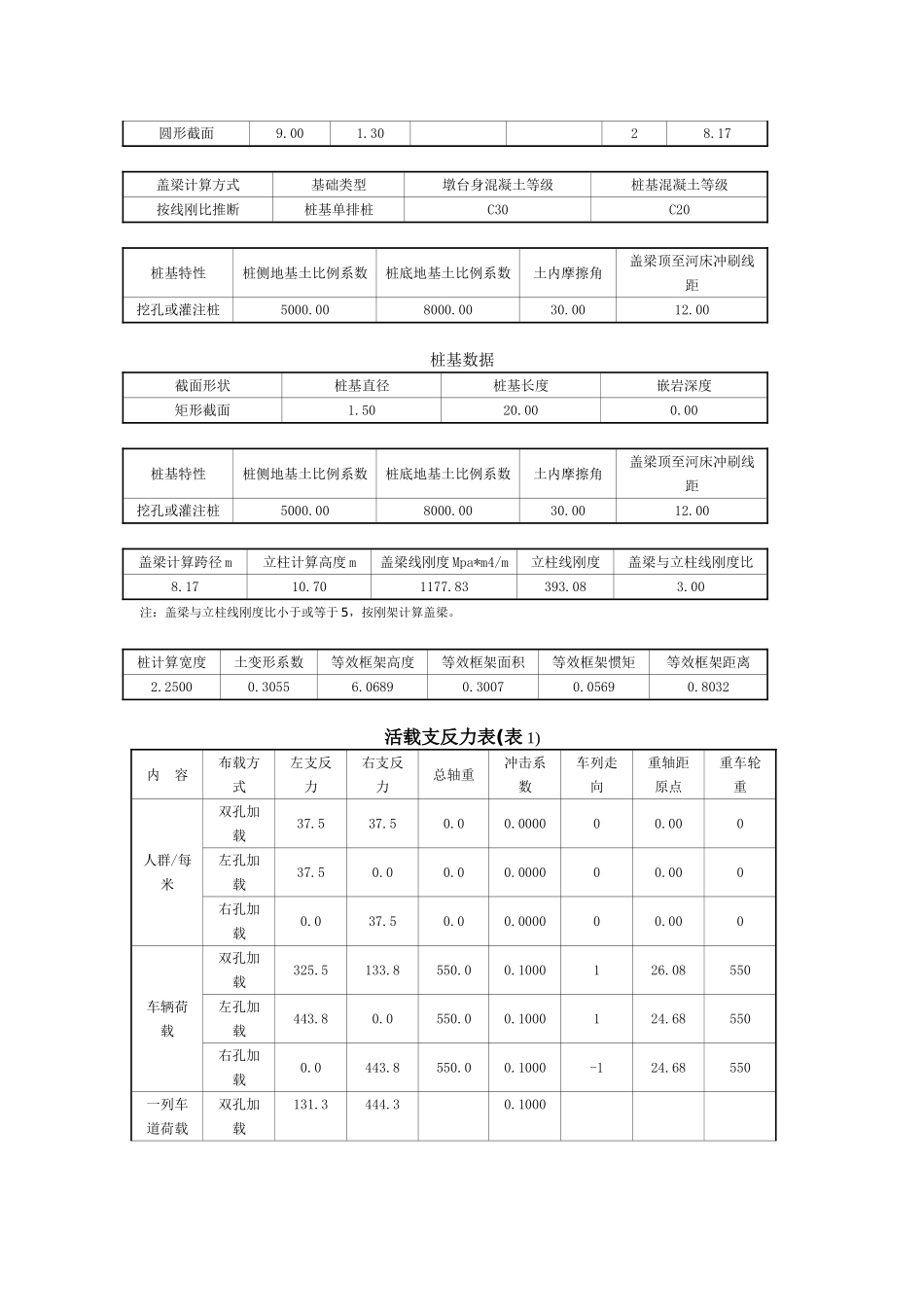
DK387+780 旭罗大桥 1 号桥墩盖梁计算书 (2025 年 5 月 29 日 18 点 30 分计算)设 计 者复 核 者审 核 者 注:工程文件名:C:\桥梁通 CAD7.0\Data\387780\1.3m 盖梁\387780.qlt。 原始数据表 单位:kN-m 制正常使用裂缝宽度计算横分系数裂缝宽度限值 mm挂车控制裂缝 mm计入冲击力00.2000.200注:横分系数 0 指“杠杆法过渡偏心受压法”,1 指“左右偏载按偏压法,对称按杠杆法”,2 指“完全杠杆法”。 车道荷载车辆荷载人群集度车道数车道荷载提高系数公路-I 级公路-I 级3.00020.000注:重要性系数为 1.1。 车道荷载数据道车荷载的均布荷载双孔加载的集中荷载左孔加载的集中荷载右孔加载的集中荷载10.500308.880308.880308.880注:集中荷载 Pk 已经乘以 1.2 系数,使得竖直力效应最大。 车道轮距离护轮带横向轮轴数1~2 轮距2 车横向间距0.50021.801.30 车辆荷载数据车辆轮轴数1~2 轮距2~3 轮距3~4 轮距4~5 轮距53.001.407.001.40 轮重合计第 1 轮重第 2 轮重第 3 轮重第 4 轮重第 5 轮重550.030.0120.0120.0140.0140.0000 车辆轮距离护轮带横向轮轴数1~2 轮距0.50021.80 双孔、左孔、右孔分别加载时对应的冲击系数布载方式双孔布载左孔布载右孔布载冲击系数0.1000 右偏角(度)桥面净宽左护栏宽左人行宽左隔离栅宽右隔离栅宽右人行宽右护栏宽80.0011.500.500001.750.000.000.000.00000 左右支座梁板数中距 1~22~33~44~55~66~77~88~9对称91.501.501.501.501.501.501.501.50 恒载反力梁(板)编号1 号2 号3 号4 号5 号6 号7 号8 号9 号合计左孔支反力329.0259.0259.0259.0259.0259.0259.0259.0259.02401.0右孔支反力329.0259.0259.0259.0259.0259.0259.0259.0259.02401.0合计658.0518.0518.0518.0518.0518.0518.0518.0518.04802.0 梁(板)编号标准跨径计算跨径支座与墩中心距离支座与梁端接缝中心距离左孔数据25.0024.350.330.33右孔数据25.0024.350.330.33 1 号边梁与桥面护栏外侧垂直距离1 号边梁与盖梁端垂直距离0.880.87 裂缝 C3 值拉筋重心距压筋重心距上通筋数下通筋数支点弯矩削峰自动计算0.050.05660.90 混凝土等级主筋种类主筋直径 mm侧筋种类侧筋直径 mm箍筋种类箍筋直径 mmC28HRB335 钢筋28HRB335 钢筋12R235 钢筋10 斜筋计算方式侧面筋间距反算箍筋间距由砼和箍筋共同承担分配系数给定砼和箍筋共同承担分配系数计算斜筋根数0.000.60 挡块设置顺桥...

1、当您付费下载文档后,您只拥有了使用权限,并不意味着购买了版权,文档只能用于自身使用,不得用于其他商业用途(如 [转卖]进行直接盈利或[编辑后售卖]进行间接盈利)。
2、本站所有内容均由合作方或网友上传,本站不对文档的完整性、权威性及其观点立场正确性做任何保证或承诺!文档内容仅供研究参考,付费前请自行鉴别。
3、如文档内容存在违规,或者侵犯商业秘密、侵犯著作权等,请点击“违规举报”。

碎片内容

DK387+780旭罗大桥1号桥墩盖梁计算书

您可能关注的文档

确认删除?
VIP
微信客服
  • 扫码咨询
会员Q群
  • 会员专属群点击这里加入QQ群
客服邮箱
回到顶部