电脑桌面
添加小米粒文库到电脑桌面
安装后可以在桌面快捷访问

PPR水管施工组织设计方案

PPR水管施工组织设计方案_第1页
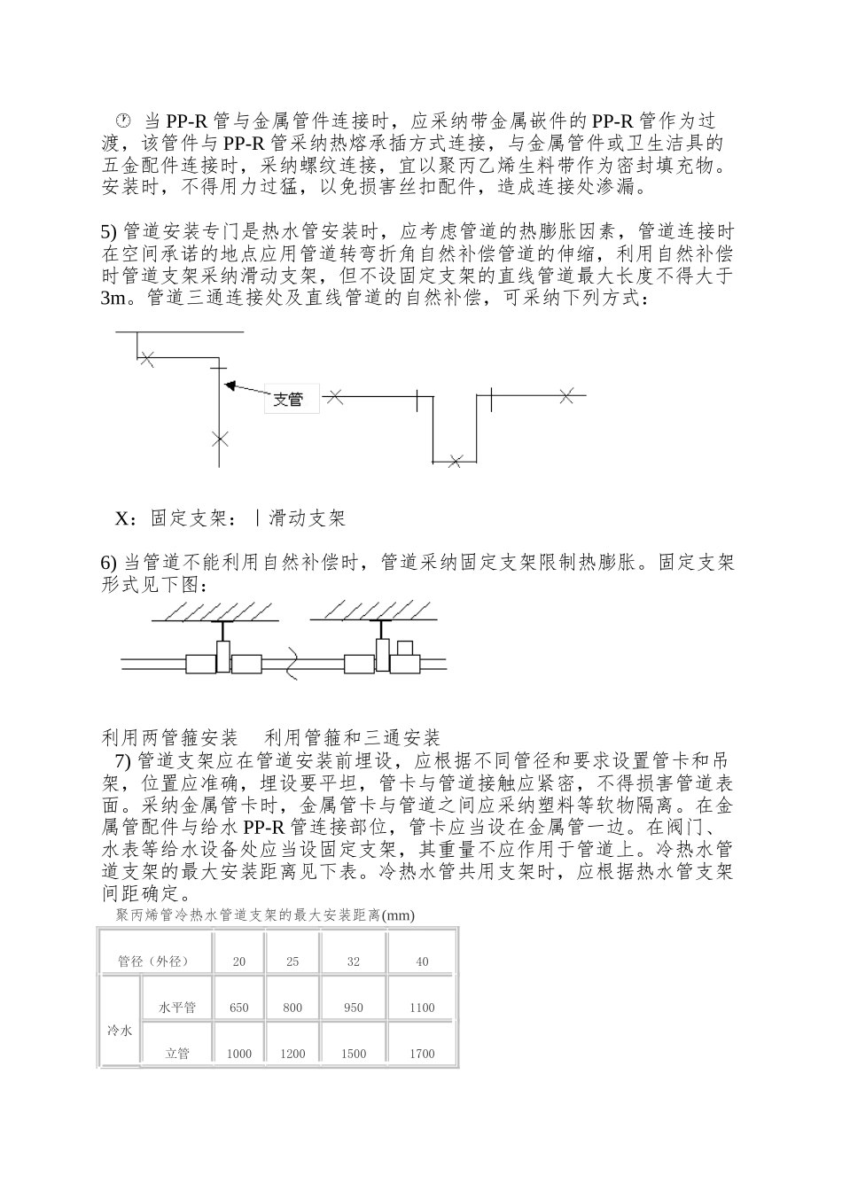
1/6
PPR水管施工组织设计方案_第2页
2/6
PPR水管施工组织设计方案_第3页
3/6
PPR 水管施工组织设计方案生活给水管—聚丙烯管(PP-R)为目前我国正在推广使用的新型生活给水管,可广泛应用于室内冷、热给水系统、空调水系统。PP-R 管材是由无规共聚聚丙烯材料制造而成。具有重量轻、卫生无毒、耐热性好、耐腐蚀、保温性能好等优点。一、施工预备1. 施工技术人员仔细熟悉图纸,领悟设计意图,对图纸中发觉的咨询题及时与业主、监理及设计人员联系,并作图纸会审,作好会审记录。安装人员须熟悉-PP-R 管的一样性能,把握必须的操作要点。2. 在各项预制加工项目开始前,根据设计施工图编制材料打算,,将需要的材料、设备等按规格、型号预备好,运至现场。3. 材料设备要求:到现场的管材、管件等须仔细检查并经监理、业主验明材质,核对质保书,规格、型号等,合格后放能入库,并分不作好标识。1)管材和管件的内外壁应光滑平坦,无气泡、裂纹、脱皮和明显的痕纹、凹陷,色泽应差不多一致。2)管材的端面应垂直于管材的轴线。管件应完整、无缺损、无变形3)管件和管材不应长期置于阳光下照耀,为幸免管子在储运时弯曲,堆放应平坦。搬运管材和管件时,应小心轻放,幸免油污,严禁剧烈撞击,与尖锐触碰和抛、摔、拖。4)施工现场与材料存放处温差较大时,应于安装前将管件和管材在现场放置一定时刻,使其温度接近施工现场环境温度。二、管道安装 所有户内管道从水表后开始采纳 PP-R 管,进户管管径要求:户型冷水管热水管热水回水管入户管水表入户管水表入户管水表一厨一卫De25DN15De25DN15De20DN15一厨二卫De32DN20De32DN20De20DN15一厨三卫De40DN20De40DN20De20DN15一厨四卫De40DN20De40DN20De20DN15安装工艺及要求1) 工艺流程 2) 为确保安装质量,材料进货时应严格检验,其管径椭圆率应<10%,管材同一截面的壁厚偏差应<14%,内外壁应光滑、平坦,无气泡、裂口、裂纹、凹陷、脱皮和严峻的冷斑及明显的痕迹。3) 管材切割 管材切割也可采纳专用管剪切断:管剪刀片卡口应调整到与所切割管径相符,旋转切断时应平均加力,切断后,断口应用配套整圆器整圆。 断管时,断面应同管轴线垂直、无毛刺。4) PP-R 管的连接  可采纳焊接、热熔和螺纹连接等方式。其中热熔连接最为可靠,操作方便,气密性好,接口强度高。本工程管道连接采纳手持式熔接器进行热熔连接。 连接前,应先清除管道及附件上的灰尘及异物。 管道连接采纳熔接机加热管材和管件,管材和管件的热熔深度应符合要求。公称外径(mm)热熔深...

1、当您付费下载文档后,您只拥有了使用权限,并不意味着购买了版权,文档只能用于自身使用,不得用于其他商业用途(如 [转卖]进行直接盈利或[编辑后售卖]进行间接盈利)。
2、本站所有内容均由合作方或网友上传,本站不对文档的完整性、权威性及其观点立场正确性做任何保证或承诺!文档内容仅供研究参考,付费前请自行鉴别。
3、如文档内容存在违规,或者侵犯商业秘密、侵犯著作权等,请点击“违规举报”。

碎片内容

PPR水管施工组织设计方案

确认删除?
VIP
微信客服
  • 扫码咨询
会员Q群
  • 会员专属群点击这里加入QQ群
客服邮箱
回到顶部