电脑桌面
添加小米粒文库到电脑桌面
安装后可以在桌面快捷访问

QC-T-199一1995-汽车车轮平衡块

QC-T-199一1995-汽车车轮平衡块_第1页
1/7
QC-T-199一1995-汽车车轮平衡块_第2页
2/7
QC-T-199一1995-汽车车轮平衡块_第3页
3/7
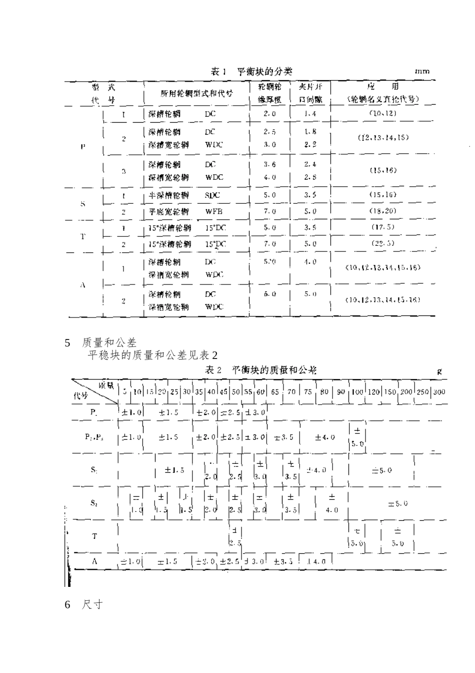
QC T 199 一 1995 汽车车轮平衡块 汽车车轮平稳块1 主题内容与适用范畴 本标准规定了汽车车轮夹片式平稳块(以下简称平稳块)的结构型式、质量、尺寸、技术要求、试验方法、检验规则和标志。 本标准适用于钢制车轮和轻合金车轮。2 引用标准 GB 516 载重汽车斜交轮胎 GB 1191 轿车斜交轮胎 JB 2864 汽车用电镀层和化学处理层 GB/T 3487 汽车轮辋规格系列 GB 9743 轿车子午线轮胎 GB 9744 载重汽车子午线轮胎 GB 2828 逐批检查计数抽样程序及抽样表(适用于连续批的检查)3 术语3.1 平稳块 安装在轮辋轮缘上的平稳重块和夹片的组合体,用以平稳围绕中心旋转的轮胎和卒轮总成,使其达到规定值以内的动平稳要求。3.2 拆卸力 用工具把平稳块从车轮上脱开的静拉力。4 结构型式4.1 结构 常见的平稳块结构有整体式和组合式两种,见图 1。 整体式 组合式4.2 型式 平稳块可根据轮辋型式分类,见表 1。5 质量和公差 平稳块的质量和公差见表 26 尺寸6.1 平稳重块长度 平稳重块最大长度见表 3。6.2 夹片6.2.1 夹片宽度 夹片宽度见表 4。6.2.2 夹片厚度 夹片厚度见表 5。7 性能要求7.1 安装性和拆卸性 在按 7.l 进行静态安装性和拆卸性试验时,与轮辋轮缘相联接的平稳重块和夹片之间应无间隙并能正常使用,而且夹片没有裂纹、松动或明显变形等现象。7.2 拆卸力 在按 8.2 进行拆卸力试验时,平稳块从轮辋上拆下来所需要的力应符合表 6的规定。7.3 耐腐蚀性 在按 8.3 进行盐雾腐蚀试验时,平稳块夹片的耐腐蚀性应大于 48 h。 对有较高的耐腐蚀性及总成,要求涂漆或涂层以防电腐蚀要求的轻合金车轮,其耐腐蚀要求可由供需双方确定。7.4 外观 平稳块外观应符合: a.平稳重块无裂纹、针孔、缩孔或其它阻碍强度的缺陷; b.夹片端部不承诺有有害裂纹和毛刺。7.5 材料7.5.1 平稳重块 举荐使用铅锑合金,其成分为:生铅、1%~5%的锑和 0.5%以下铅锑以外的其它成份。7.5.2 夹片 硬度为 HRC 40~48 的钢片。8 试验方法8.1 安装性和拆卸性试验8.1.1 试验条件8.1.1.1 车轮总成 使用本标准平稳块的车轮,其轮辋应符合 GB 3487,轮胎应符合GB 516、GB1191、GB 9743 和 GB 9744。8.1.1.2 清洗 使用清洗剂清洗 8.1.1.1 所用轮辋的轮缘内外侧面。8.1.1.3 轮辋厚度 检测 8.1.1.1 所用轮辋厚度的最大值和最小值,应在承诺范畴...

1、当您付费下载文档后,您只拥有了使用权限,并不意味着购买了版权,文档只能用于自身使用,不得用于其他商业用途(如 [转卖]进行直接盈利或[编辑后售卖]进行间接盈利)。
2、本站所有内容均由合作方或网友上传,本站不对文档的完整性、权威性及其观点立场正确性做任何保证或承诺!文档内容仅供研究参考,付费前请自行鉴别。
3、如文档内容存在违规,或者侵犯商业秘密、侵犯著作权等,请点击“违规举报”。

碎片内容

QC-T-199一1995-汽车车轮平衡块

领读文化+ 关注
实名认证
内容提供者

传播文化,铸就未来

确认删除?
VIP
微信客服
  • 扫码咨询
会员Q群
  • 会员专属群点击这里加入QQ群
客服邮箱
回到顶部