电脑桌面
添加小米粒文库到电脑桌面
安装后可以在桌面快捷访问

qtz6013塔式起重机安装拆除技术措施

qtz6013塔式起重机安装拆除技术措施_第1页
1/12
qtz6013塔式起重机安装拆除技术措施_第2页
2/12
qtz6013塔式起重机安装拆除技术措施_第3页
3/12
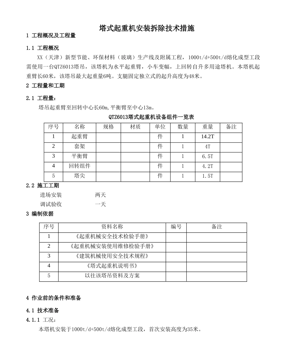
塔式起重机安装拆除技术措施1 工程概况及工程量1.1 工程概况XX(天津)新型节能、环保材料(玻璃)生产线及附属工程,1000t/d+500t/d熔化成型工段需使用一台QTZ6013塔吊,该塔机为水平起重臂,小车变幅,上回转自升多用途塔机。本塔机起重臂长60米,该塔吊最大起重量6吨。支腿固定独立式的起升高度为48米。2 工程量和工期2.1 工程量:塔吊起重臂至回转中心长60m,平衡臂至中心13m。QTZ6013塔式起重机设备组件一览表序号名称规格材质单位数量重量备注1起重臂件114.2T2套架件14T3平衡臂件16.5T4回转组件件14.2T5塔尖件11.5T2.2 施工工期进场安装 两天调试验收 一天3 编制依据序号资料名称编号备注1《起重机械安全技术检验手册》2《起重机械安装使用维修检验手册》3《建筑机械使用安全技术规程》4《塔式起重机说明书》5以往该塔吊资料及方案4 作业前的条件和准备4.1 技术准备4.1.1 工况:本塔机安装于1000t/d+500t/d熔化成型工段,首次安装高度为35米。 4.1.2 施工措施的设计审批(表格另附)4.1.3 施工安全技术交底本塔机安装需利用25吨汽车吊一台塔机基础由施工场地根据厂家图纸要求施工完毕,预留试块试验满足安装要求安装基础节时必须找正,以保证塔身垂直度要求,不大于千分之三,其他要求必须根据第5条(作业程序、方法和内容)施工作业人员进入现场必须戴安全帽,高空作业必须带安全带,穿防滑鞋高空作业过程严禁投掷工具、杂物等,避开伤及他人作业过程,由于高空作业,上下联系必须由专人指挥且由对讲机准确联系。安装起重臂前必须先将各处销轴及开口销安装齐全,开口销完全撬开4.2 作业人员4.2.1 作业人员配置、资格序号作业人员工种数量资格要求资质1技术员1熟悉起重机安装图纸,掌握安装工艺,熟悉安装安全要求。工程师2班组长2熟悉起重机安装流程,能有效组织好施工人员根据作业指导书的要求施工,熟悉安全要求。中级工3安装工1熟悉掌握本塔吊安装的技术、工艺要求,知道安全要求。中、初级工4起重工5熟悉掌握吊装技术、要求,了解本起重机组件吊装特点,具有起重作业的施工经验。具有监督局颁发的上岗证书5塔吊司机2熟悉所操作吊车的机械性能,技术熟练,了解设备吊装特点,具有吊车操作经验。具有监督局颁发的上岗证书4.2.2 作业人员职责分工和权限序号岗位名称职责分工和权限1技术员1. 全面负责塔式起重机安装技术工作,参加相关图纸会审处理设备缺陷,编制施工作业指导书、施工预算、技术、安全措施,并主持技术交...

1、当您付费下载文档后,您只拥有了使用权限,并不意味着购买了版权,文档只能用于自身使用,不得用于其他商业用途(如 [转卖]进行直接盈利或[编辑后售卖]进行间接盈利)。
2、本站所有内容均由合作方或网友上传,本站不对文档的完整性、权威性及其观点立场正确性做任何保证或承诺!文档内容仅供研究参考,付费前请自行鉴别。
3、如文档内容存在违规,或者侵犯商业秘密、侵犯著作权等,请点击“违规举报”。

碎片内容

qtz6013塔式起重机安装拆除技术措施

津创媒+ 关注
实名认证
内容提供者

欢迎交流文创,小店资料希望满足您的需要。

确认删除?
VIP
微信客服
  • 扫码咨询
会员Q群
  • 会员专属群点击这里加入QQ群
客服邮箱
回到顶部