电脑桌面
添加小米粒文库到电脑桌面
安装后可以在桌面快捷访问

STB环氧地坪综合技术施工组织设计方案

STB环氧地坪综合技术施工组织设计方案_第1页
1/6
STB环氧地坪综合技术施工组织设计方案_第2页
2/6
STB环氧地坪综合技术施工组织设计方案_第3页
3/6
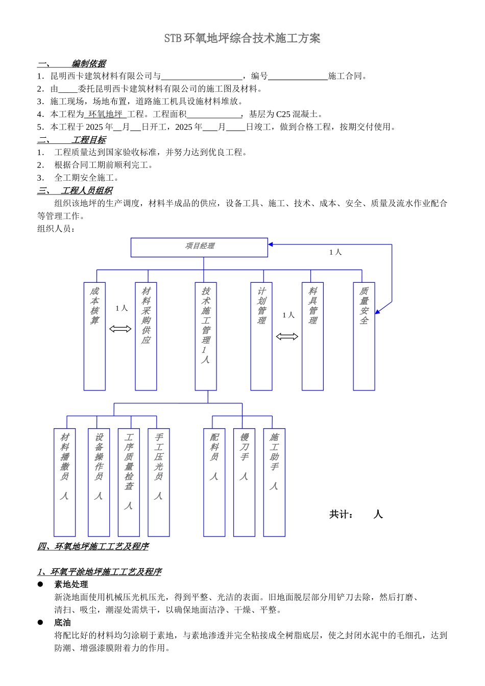
STB 环氧地坪综合技术施工方案一、 编制依据 1.昆明西卡建筑材料有限公司与 ,编号 施工合同。2.由 委托昆明西卡建筑材料有限公司的施工图及材料。3.施工现场,场地布置,道路施工机具设施材料堆放。4.本工程为 环氧 地坪 工程。工程面积 ,基层为 C25 混凝土。5.本工程于 2025 年 月 日开工,2025 年 月 日竣工,做到合格工程,按期交付使用。二、 工程目标 1. 工程质量达到国家验收标准,并努力达到优良工程。2. 根据合同工期前顺利完工。3. 全工期安全施工。三、 工程人员组织 组织该地坪的生产调度,材料半成品的供应,设备工具、施工、技术、成本、安全、质量及流水作业配合等管理工作。组织人员:四、环氧地坪施工工艺及程序1 、环氧 平涂 地坪施工工艺及程序 素地处理 新浇地面使用机械压光机压光,得到平整、光洁的表面。旧地面脱层部分用铲刀去除,然后打磨、 清扫、吸尘,潮湿处需烘干,以确保地面洁净、干燥、平整。底油将配比好的材料均匀涂刷于素地,与素地渗透并完全粘接成全树脂底层,使之封闭水泥中的毛细孔,达到防潮、增强漆膜附着力的作用。项目经理成本核算料具管理质量安全计划管理技术施工管理1人材料采购供应1 人材料播撒员人设备操作员人工序质量检查人手工压光员人配料员 人镘刀手人施工助手人共计: 人1 人1 人腻子满刮环氧腻子,使地面平整。面涂将地面打磨光滑后用配比好的材料滚涂 2 遍,形成亮丽的面层。 (5 道工序)环氧砂浆地坪施工工艺及程序素地处理 新浇地面使用机械压光机压光,得到平整、光洁的表面。旧地面脱层部分用铲刀去除,然后打磨、 清扫、吸尘,潮湿处需烘干,以确保地面洁净、干燥、平整。底油 将配比好的材料均匀涂刷于素地 1-2 遍,与素地渗透并完全粘接成全树脂底层,使之封闭水泥中 的毛细孔,达到防潮、增强漆膜附着力的作用。砂浆 用环氧底漆加入适量石英砂,搅拌均后,倒于地上刮平,起到提高平整度,增强耐磨性的作用。腻子 待砂浆固化,满刮 2 遍环氧腻子,以确保地面平整。面涂 将地面打磨光滑后用配比好的材料滚涂 2 遍,形成亮丽的面层。钻石机和手工打磨砂浆层。腻子 2-3 遍施工腻子。钻石机和手工打磨腻子层。面涂(2 遍)素地底油底油干固后施工砂浆层。腻子钻石机和手工打磨。面涂素地新浇混凝土使用机械抹光机压光,得到密实、平整的基面。旧地面用打磨机和手工打磨平整,清理、吸尘。底油确...

1、当您付费下载文档后,您只拥有了使用权限,并不意味着购买了版权,文档只能用于自身使用,不得用于其他商业用途(如 [转卖]进行直接盈利或[编辑后售卖]进行间接盈利)。
2、本站所有内容均由合作方或网友上传,本站不对文档的完整性、权威性及其观点立场正确性做任何保证或承诺!文档内容仅供研究参考,付费前请自行鉴别。
3、如文档内容存在违规,或者侵犯商业秘密、侵犯著作权等,请点击“违规举报”。

碎片内容

STB环氧地坪综合技术施工组织设计方案

确认删除?
VIP
微信客服
  • 扫码咨询
会员Q群
  • 会员专属群点击这里加入QQ群
客服邮箱
回到顶部