电脑桌面
添加小米粒文库到电脑桌面
安装后可以在桌面快捷访问

《混凝土结构加固设计规范》gb50367-2025出版社勘误

《混凝土结构加固设计规范》gb50367-2025出版社勘误_第1页
1/1
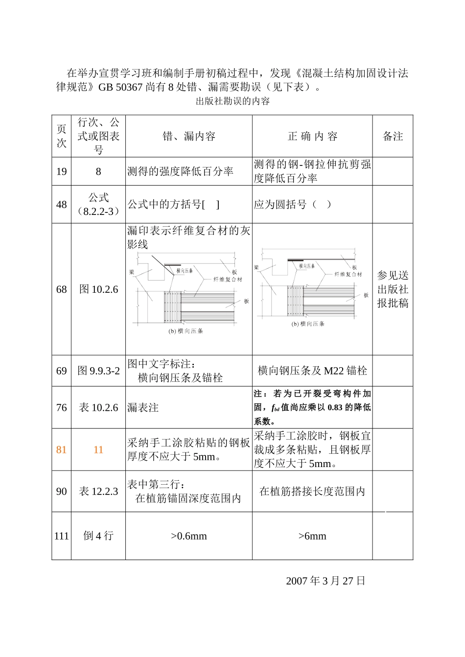
在举办宣贯学习班和编制手册初稿过程中,发现《混凝土结构加固设计法律规范》GB 50367 尚有 8 处错、漏需要勘误(见下表)。出版社勘误的内容页次行次、公式或图表号错、漏内容正 确 内 容备注198测得的强度降低百分率测得的钢-钢拉伸抗剪强度降低百分率48公式(8.2.2-3) 公式中的方括号[ ]应为圆括号( )68图 10.2.6漏印表示纤维复合材的灰影线参见送出版社报批稿69图 9.9.3-2 图中文字标注: 横向钢压条及锚栓横向钢压条及 M22 锚栓76表 10.2.6漏表注注 : 若 为 已 开 裂 受 弯 构 件 加固,fbd 值尚应乘以 0.83 的降低系数。8111采纳手工涂胶粘贴的钢板厚度不应大于 5mm。采纳手工涂胶时,钢板宜裁成多条粘贴,且钢板厚度不应大于 5mm。90表 12.2.3表中第三行: 在植筋锚固深度范围内在植筋搭接长度范围内111倒 4 行>0.6mm>6mm 2007 年 3 月 27 日

1、当您付费下载文档后,您只拥有了使用权限,并不意味着购买了版权,文档只能用于自身使用,不得用于其他商业用途(如 [转卖]进行直接盈利或[编辑后售卖]进行间接盈利)。
2、本站所有内容均由合作方或网友上传,本站不对文档的完整性、权威性及其观点立场正确性做任何保证或承诺!文档内容仅供研究参考,付费前请自行鉴别。
3、如文档内容存在违规,或者侵犯商业秘密、侵犯著作权等,请点击“违规举报”。

碎片内容

《混凝土结构加固设计规范》gb50367-2025出版社勘误

确认删除?
VIP
微信客服
  • 扫码咨询
会员Q群
  • 会员专属群点击这里加入QQ群
客服邮箱
回到顶部