电脑桌面
添加小米粒文库到电脑桌面
安装后可以在桌面快捷访问

《混凝土结构设计原理》综合性设计性实验指导书

《混凝土结构设计原理》综合性设计性实验指导书_第1页
1/14
《混凝土结构设计原理》综合性设计性实验指导书_第2页
2/14
《混凝土结构设计原理》综合性设计性实验指导书_第3页
3/14
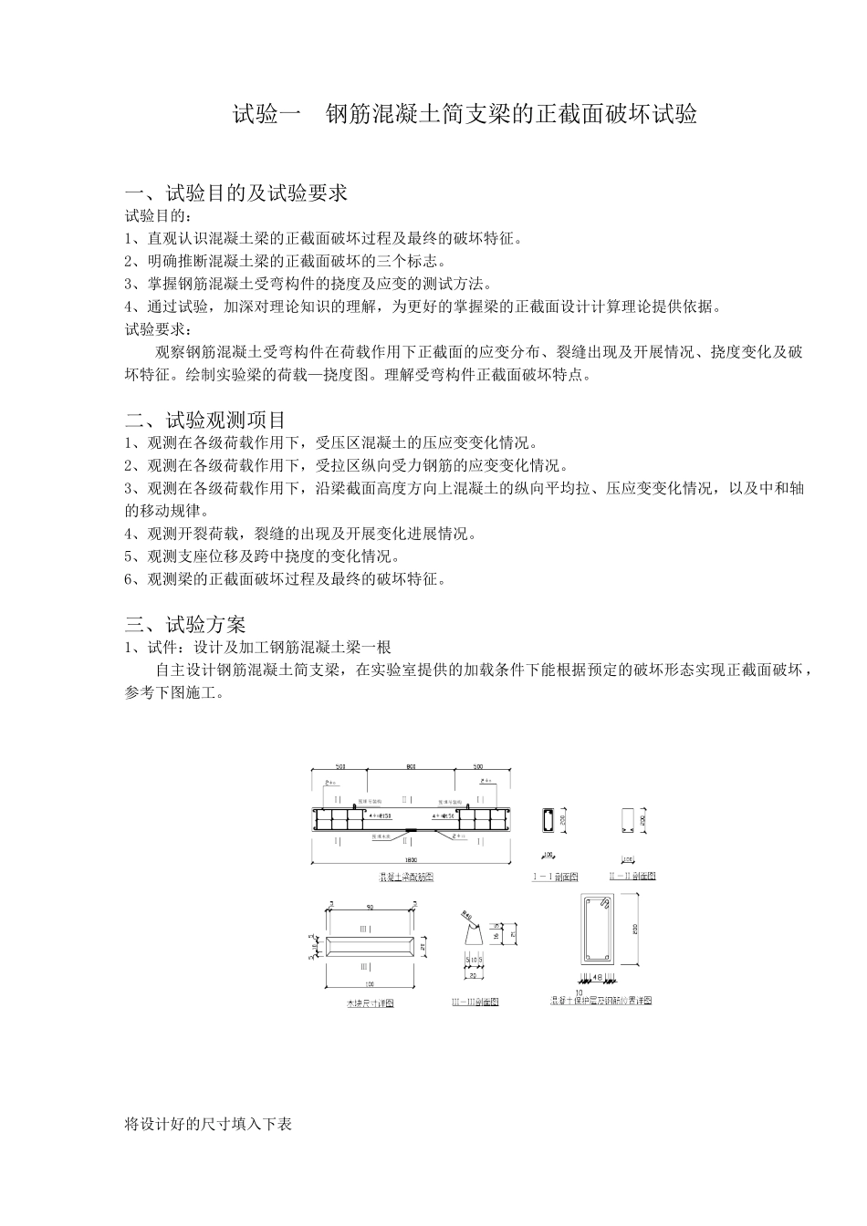
《混凝土结构设计原理》综合性设计性实验指导书班级:姓名:学号:教学试验的目的和要求1.教学试验的目的土木工程专业是一门有用性很强的学科,其进展遵循着“理论—实践—理论—实践”的路线而成熟进展,要掌握这门学科,除有理论知识的武装外,还必须加强实践环节。只有加强了实践环节,才能更加深化理论知识的学习,也才能学得深、学的透,掌握的更牢固。结构教学试验,只是土木工程实践环节的一个部分,但通过试验,应使同学们在经历了这部分实践环节后达到以下目的:(1)通过试验,应是同学们了解和初步掌握结构试验的要求及试验全过程,加强同学们的实践动手能力。(2)通过对试验过程中出现的各种现象的观察,对试验结果的分析和理论计算的比较,可使同学们对所学的结构理论知识与感性认识更好地结合起来,巩固和深化所学的理论知识。(3)通过本指导书的学习,加上同学们的动手实践,可使同学们对结构试验所用仪器、仪表和试验设备有所了解,并初步掌握其使用原理,为今后从事土木工程专业的学习、科研、设计和施工打下坚实的基础。2.试验注意事项及要求为达预期目的,必须做好试验前的准备工作和试验后的分析,具体要求如下:(1)预习有关的试验技术和结构设计理论,熟悉试验指导书内容,明确试验目的、要求、方法和步骤。(2)对试验采纳的仪表和设备的工作原理和安装调试方法都有一定的了解后才能使用。(3)试验实践是培育学生动手能力的一个重要环节,因此,每个学生都必须亲自动手,分工协作,共同努力完成试验。(4)试验过程中,要以科学的态度认真观察和分析试验现象,如有异常现象,应及时报告指导老师。(5)严格遵守实验室有关设备仪器使用的操作规程,根据使用要求使用试验用仪表及设备。(6)及时整理试验数据,按时完成试验报告。试验一 钢筋混凝土简支梁的正截面破坏试验一、试验目的及试验要求试验目的:1、直观认识混凝土梁的正截面破坏过程及最终的破坏特征。2、明确推断混凝土梁的正截面破坏的三个标志。3、掌握钢筋混凝土受弯构件的挠度及应变的测试方法。4、通过试验,加深对理论知识的理解,为更好的掌握梁的正截面设计计算理论提供依据。试验要求:观察钢筋混凝土受弯构件在荷载作用下正截面的应变分布、裂缝出现及开展情况、挠度变化及破坏特征。绘制实验梁的荷载—挠度图。理解受弯构件正截面破坏特点。二、试验观测项目1、观测在各级荷载作用下,受压区混凝土的压应变变化情况。2、观测在各级荷载作用下,受...

1、当您付费下载文档后,您只拥有了使用权限,并不意味着购买了版权,文档只能用于自身使用,不得用于其他商业用途(如 [转卖]进行直接盈利或[编辑后售卖]进行间接盈利)。
2、本站所有内容均由合作方或网友上传,本站不对文档的完整性、权威性及其观点立场正确性做任何保证或承诺!文档内容仅供研究参考,付费前请自行鉴别。
3、如文档内容存在违规,或者侵犯商业秘密、侵犯著作权等,请点击“违规举报”。

碎片内容

《混凝土结构设计原理》综合性设计性实验指导书

您可能关注的文档

确认删除?
VIP
微信客服
  • 扫码咨询
会员Q群
  • 会员专属群点击这里加入QQ群
客服邮箱
回到顶部