电脑桌面
添加小米粒文库到电脑桌面
安装后可以在桌面快捷访问

三十一中基础施工组织

三十一中基础施工组织_第1页
1/27
三十一中基础施工组织_第2页
2/27
三十一中基础施工组织_第3页
3/27
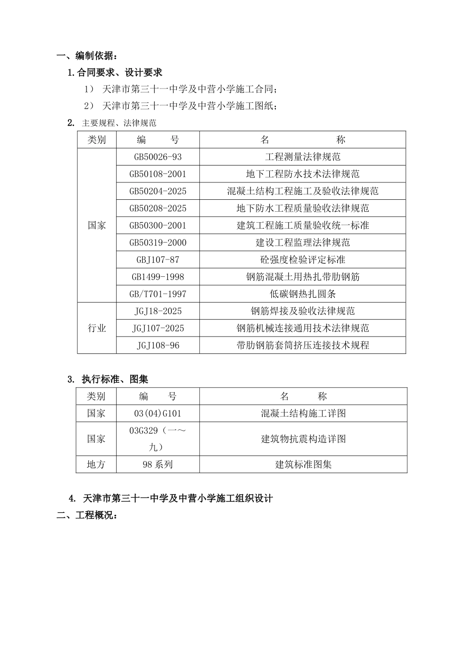
一、编制依据:1.合同要求、设计要求1) 天津市第三十一中学及中营小学施工合同;2) 天津市第三十一中学及中营小学施工图纸;2. 主要规程、法律规范类别编 号名 称国家GB50026-93工程测量法律规范GB50108-2001地下工程防水技术法律规范GB50204-2025混凝土结构工程施工及验收法律规范GB50208-2025地下防水工程质量验收法律规范GB50300-2001建筑工程施工质量验收统一标准GB50319-2000建设工程监理法律规范GBJ107-87砼强度检验评定标准GB1499-1998钢筋混凝土用热扎带肋钢筋GB/T701-1997低碳钢热扎圆条行业JGJ18-2025钢筋焊接及验收法律规范JGJ107-2025钢筋机械连接通用技术法律规范JGJ108-96带肋钢筋套筒挤压连接技术规程3. 执行标准、图集类别编 号名 称国家03(04)G101混凝土结构施工详图国家03G329(一~九)建筑物抗震构造详图地方98 系列建筑标准图集4. 天津市第三十一中学及中营小学施工组织设计二、工程概况:三施工部署1、质量方针以人为本科学管理、信守合同、满意顾客。2、管理方针:执行 ISO-9002 系列国际质量管理标准,项目精细管理。3、质量目标:天津市“优良”工程;力争“海河杯” 4、工期: 本工程计划 2005 年 3 月 1 日开工(实际是 4 月 27 日开工)进行土方开挖,2005 年 10 月 31 日所有栋号全部竣工,清理后交付使用。总工期 245 天;基础施工时间36 天。5、本工程开工后,根据市建委[2000]1134 号文件精神,将根据“备案制”的管理办法进行施工验收。我们在施工中除实行必要措施进行施工外,将积极配合业主提前做好申报各部位的验收工作,以免影响工期计划。6、施工总体设想:充分展现一建公司的企业优势,为业主提供全方位的优质服务,让业主满意、放心,是我公司承建本工程的施工总体设想。为了确保主体工程能在建设单位要求的时间段内保质保量、如期完成,必须统筹兼顾,全面安排,合理安排施工流水,提高工序间的插入度,充分酝酿人力、资源、时间空间的总体布局。工程名称天津市 31 中学及中营小学建设地点天津市南开区城厢中路西侧,北公路南侧建设单位天津市南开区教育局,开发商天津中新华城房地产开发有限公司设计单位天津华汇工程建筑设计有限公司监理单位上海外建建设咨询监理有限公司建筑面积总建筑面积 47582㎡,其中小学 12392㎡,中学 35190㎡要求质量标准市优质工程,争创“海河杯”建筑等级安全等级二级,抗振等级二级,耐火等级一级,防水等级二级;建筑层数31 中...

1、当您付费下载文档后,您只拥有了使用权限,并不意味着购买了版权,文档只能用于自身使用,不得用于其他商业用途(如 [转卖]进行直接盈利或[编辑后售卖]进行间接盈利)。
2、本站所有内容均由合作方或网友上传,本站不对文档的完整性、权威性及其观点立场正确性做任何保证或承诺!文档内容仅供研究参考,付费前请自行鉴别。
3、如文档内容存在违规,或者侵犯商业秘密、侵犯著作权等,请点击“违规举报”。

碎片内容

三十一中基础施工组织

您可能关注的文档

确认删除?
VIP
微信客服
  • 扫码咨询
会员Q群
  • 会员专属群点击这里加入QQ群
客服邮箱
回到顶部