电脑桌面
添加小米粒文库到电脑桌面
安装后可以在桌面快捷访问

中央空调系统风冷与水冷区别

中央空调系统风冷与水冷区别_第1页
1/3
中央空调系统风冷与水冷区别_第2页
2/3
中央空调系统风冷与水冷区别_第3页
3/3
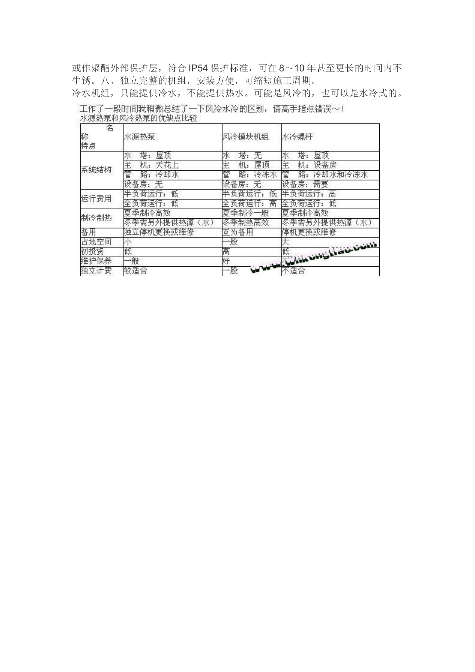
中央空调系统风冷与水冷区别 传统中央空调系统由三大部分组成,即冷热源、供冷与供热管网、暖通空调用户系统。所谓的冷热源就是通过管道将各种设备组成制备冷媒或热媒的热力系统;供冷与供热管网是输送冷媒与热媒的大动脉,将冷热源制备的冷、热媒输送到用户;暖通空调用户。 它通过主机产生出空调冷(热)水,由管路系统输送至室内的各末端装置,在末端装置处冷(热)水与室内空气进行热量交换,从而消除房间空调冷(热)负荷,实现制冷、制热的目的。一般分为风冷热泵冷(热)水空调系统和水冷冷水机组制冷空调系统。风冷热泵冷(热)水空调系统原理: 在传统中央空调系统中,通过风机冷却主机冷凝器制冷剂后,制冷剂在主蒸发器里吸收媒介水的热量,使媒介水变成低温冷冻水(或温水),冷冻水(或温水)用水泵循环至室内末端装置,在末端装置处冷(热)水与室内空气进行热量交换。 水冷冷水机组制冷空调系统原理: 将水冷冷水机组制出的冷冻水,通过供回水设备和管网送往空调末端装置的系统。水冷冷水机组冷凝器的冷却方式和风冷热泵冷(热)水机组冷凝器的冷却方式不同,水冷机组是由冷却水来冷却冷凝器。通常将冷水机组和供回水设备(水泵、分水器、集水器、水过滤器和水处理装置等)同装一机房内,就是制冷站。而将制冷站与空调末端装置(即室内空调设备)相连的管网称为制冷管网。系统优点 风冷热泵冷(热)水空调系统 1、它是一种具有节能效益和环保效益的空调冷热源方式; 2、设备利用率高,一机两用; 3、省去水冷冷水机组的冷却水系统(冷却塔、冷却水循环水泵和冷却水管路等),不用建供热锅炉房; 4、主机可置于屋顶,不占建筑有效面积; 5、设备安装和使用方便; 水冷冷水机组制冷空调系统1、应用范围广,造价较低; 2、技术最成熟,也是目前应用最广的空调系统; 3、冷、热源一般集中设置,运行及维修管理方便。 相关产品主机产品:麦克维尔的主机产品种类丰富,有水冷离心机组、水冷单螺杆机组、风冷单螺杆冷水(热泵)机组等,麦克维尔的主机产品被众多知名建筑所采纳。末端产品:MDM( 组合式空气处理机组 ) 、MDW( 双壁柜式空气处理机 组 ) 、MSW( 单壁柜式空气处理机组 ) 、MHW( 超薄吊装式空气处理机 组 ) 、MCW( 卧式暗装风机盘管 ) 、MFCW( 立式暗装风机盘管 ) 、MFMW( 立式明装 风机盘管 ) 、MCKW( 天花嵌入式风机盘管 ) 、MCMW( 明装吊顶式风机盘管 ) 等。风冷中央空调系统和水冷...

1、当您付费下载文档后,您只拥有了使用权限,并不意味着购买了版权,文档只能用于自身使用,不得用于其他商业用途(如 [转卖]进行直接盈利或[编辑后售卖]进行间接盈利)。
2、本站所有内容均由合作方或网友上传,本站不对文档的完整性、权威性及其观点立场正确性做任何保证或承诺!文档内容仅供研究参考,付费前请自行鉴别。
3、如文档内容存在违规,或者侵犯商业秘密、侵犯著作权等,请点击“违规举报”。

碎片内容

中央空调系统风冷与水冷区别

范哲铺+ 关注
实名认证
内容提供者

想你所想,急你所急,你需要的都在店铺里可以找到。

确认删除?
VIP
微信客服
  • 扫码咨询
会员Q群
  • 会员专属群点击这里加入QQ群
客服邮箱
回到顶部