电脑桌面
添加小米粒文库到电脑桌面
安装后可以在桌面快捷访问

临电方案技术交底VIP专享

临电方案技术交底_第1页
1/7
临电方案技术交底_第2页
2/7
临电方案技术交底_第3页
3/7
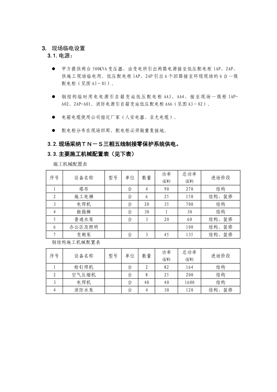
1.主要编制依据建筑工程施工现场供电安全法律规范(GB50194-93)施工现场临时用电安全技术法律规范(JGJ46-88)建筑施工安全检查标准(JGJ59-99)北京市建设工程文明施工暂行规定北京市建设工程现场文明安全施工补充标准(京建法字 1999[1]号)2.工程概况工程名称: 北京 LG 大厦工程地点: 北京市建国门外大街永安里 A 段建筑面积: 150407.72 平方米结构类型: 钢筋混凝土和钢结构 建筑檐高: 135 米建筑层数: 地下四层,地上三十一层工程性质: 公共建筑开工日期: 2025 年 08 月 08 日竣工日期: 2025 年 07 月 30 日施工现场设有临建办公室,供建设单位、监理公司及施工单位现场办公。围绕主体建筑设有环形围墙。地下埋设临时用电电缆,无市政管线。本工程应达到“三级配电,两级保护”的要求。3.现场临电设置3.1.电源:甲方提供两台 500KVA 变压器,由变电所引出两路电源接至低压配电柜 1AP、2AP,供施工现场临电用。低压配电柜 1AP、2AP 引出 6 个回路接至环绕现场的 6 台一级配电柜(见图 A3-01)。钢结构临时用电电源引自箱变站低压配电柜 AA3、AA4,接至现场一级柜 1AP-A02、2AP-A01。消防电源引自箱变站低压配电柜 AA6(见图 A3-02)。电箱电缆使用公司指定厂家(人安电器、亚尤电缆)。配电柜分布在现场四周,配电柜必须做重复接地。3.2.现场采纳TN-S三相五线制接零保护系统供电。3.3.主要施工机械配置表(见下表)施工机械配置表序号设备名称型号单位数量功率(KW)总功率(KW)进场阶段1塔吊台490270结构2施工电梯台625150结构、装修3电焊机台2035700结构4振捣棒台30130结构5普通水泵台32060结构、装修6办公区及照明100结构、装修7变频泵台345135结构、装修钢结构施工机械配置表序号设备名称型号单位数量功率(KW)总功率(KW)进场阶段1栓钉焊机台282164结构2空气压缩机台825200结构3电焊机台40401600结构4消防水泵台430120结构、装修4.现场线路布置4.1.根据甲方供电线路的特点及现场施工要求,由甲方提供两台 500KVA 变压器和一台 1000KVA 箱式变压器(计算方法见下一段)。甲方提供两台 500KVA 变压器,由变电所引出两路电源接至低压配电柜 1AP、2AP,供施工现场临电用。低压配电柜 1AP、2AP 引出 6 个回路接至环绕现场的 6 台一级配电柜(见图 A3-01)。钢结构临时用电电源引自箱变站低压配电柜 AA3、AA4,接至现场一级柜 1AP-A...

1、当您付费下载文档后,您只拥有了使用权限,并不意味着购买了版权,文档只能用于自身使用,不得用于其他商业用途(如 [转卖]进行直接盈利或[编辑后售卖]进行间接盈利)。
2、本站所有内容均由合作方或网友上传,本站不对文档的完整性、权威性及其观点立场正确性做任何保证或承诺!文档内容仅供研究参考,付费前请自行鉴别。
3、如文档内容存在违规,或者侵犯商业秘密、侵犯著作权等,请点击“违规举报”。

碎片内容

临电方案技术交底

确认删除?
VIP
微信客服
  • 扫码咨询
会员Q群
  • 会员专属群点击这里加入QQ群
客服邮箱
回到顶部