电脑桌面
添加小米粒文库到电脑桌面
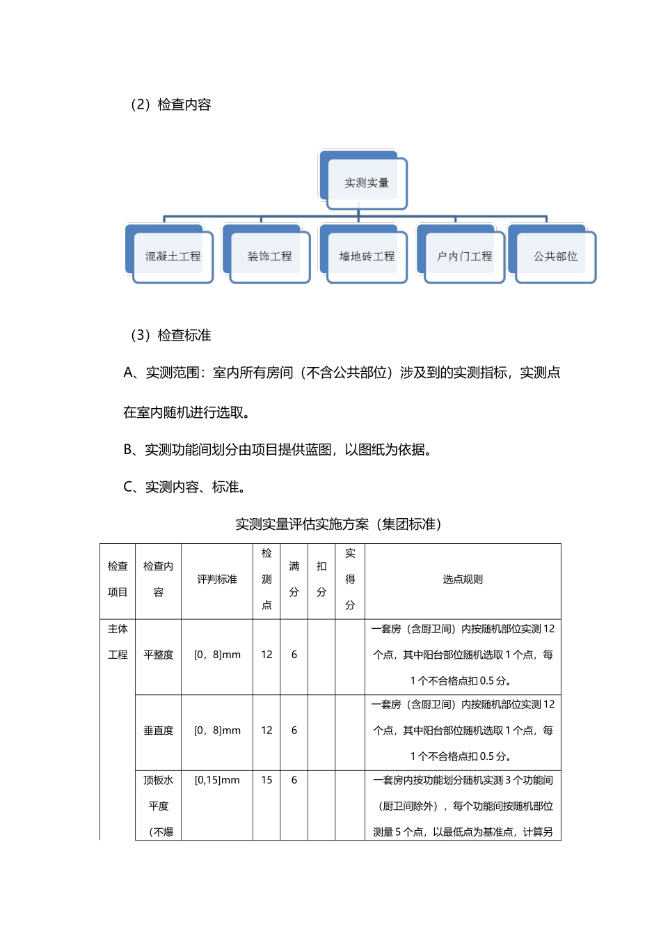
安装后可以在桌面快捷访问

住宅实测实量体系及评估办法

住宅实测实量体系及评估办法_第1页
1/10
住宅实测实量体系及评估办法_第2页
2/10
住宅实测实量体系及评估办法_第3页
3/10
住宅实测实量体系及评估办法(1)测区抽选原则A、实测测区抽选:每个标段选 5 套房,每个楼栋产生 1 套,当多于 5 栋时均衡分布抽取(别墅根据户计算)。每次抽选测区不区分新旧工作面,以现场实际工作面为准,每季度可以重复抽取。B、对于实测的抽检套数,同一标段应按别墅及高层户数比例进行分配。对于别墅和高层的区分,按项目开工审批报备文件进行区分;由于软件原因,测区按楼栋平均抽取,而不会考虑每栋楼的施工完成楼层数量差异,比如现场两栋同户型楼,1 栋完成 30 层,1 栋完成 1 层,现有的软件抽测区,仅完成 1 层的楼栋抽取 2 套的概率为 100%,抽取 3 套的概率为 50%。如此情况显然不能真实反应项目质量水平,如此情况则把两栋楼合起来按一栋楼进行测区抽选。C、对于主体阶段项目实测,高层必须具备 50 及以上套数时才进行实测,别墅需 10 套及以上。其中高层每户必须全部拆模完成,完全具备实测条件,多层别墅需 2 层及以上拆模完成。D、对于精装修标段划分,由项目进行确认。但精装修标段也需高层具备50 及以上套数时才进行实测,且 50 套内装修单位的重要工序已展开(如腻子、湿作业),重要工序具备实测条件的房间数量大于 80%以上,别墅需 10 套及以上。(2)检查内容(3)检查标准A、实测范围:室内所有房间(不含公共部位)涉及到的实测指标,实测点在室内随机进行选取。B、实测功能间划分由项目提供蓝图,以图纸为依据。C、实测内容、标准。实测实量评估实施方案(集团标准)检查项目检查内容评判标准检测点满分扣分实得分选点规则主体工程平整度[0,8]mm126一套房(含厨卫间)内按随机部位实测 12个点,其中阳台部位随机选取 1 个点,每1 个不合格点扣 0.5 分。垂直度[0,8]mm126一套房(含厨卫间)内按随机部位实测 12个点,其中阳台部位随机选取 1 个点,每1 个不合格点扣 0.5 分。顶板水平度(不爆[0,15]mm156 一套房内按功能划分随机实测 3 个功能间(厨卫间除外),每个功能间按随机部位测量 5 个点,以最低点为基准点,计算另板)外四点与最低点之间的偏差,每 1 个不合格点扣 0.5 分。楼板厚度[-5,10]mm210 一套房内按功能划分随机实测两个功能间(厨卫间除外),按随机选取实测部位。正偏差不合格点每个扣 2 分,负偏差不合格点每个扣 5 分。砌筑工程墙面平整度[0,8]mm126一套房内按随机部位实测 12 个点。每 1个不合格点扣 0.5 分。墙面垂直度[0...

1、当您付费下载文档后,您只拥有了使用权限,并不意味着购买了版权,文档只能用于自身使用,不得用于其他商业用途(如 [转卖]进行直接盈利或[编辑后售卖]进行间接盈利)。
2、本站所有内容均由合作方或网友上传,本站不对文档的完整性、权威性及其观点立场正确性做任何保证或承诺!文档内容仅供研究参考,付费前请自行鉴别。
3、如文档内容存在违规,或者侵犯商业秘密、侵犯著作权等,请点击“违规举报”。

碎片内容

住宅实测实量体系及评估办法

您可能关注的文档

确认删除?
VIP
微信客服
  • 扫码咨询
会员Q群
  • 会员专属群点击这里加入QQ群
客服邮箱
回到顶部