电脑桌面
添加小米粒文库到电脑桌面
安装后可以在桌面快捷访问

住宅楼外墙外保温施工方案

住宅楼外墙外保温施工方案_第1页
1/22
住宅楼外墙外保温施工方案_第2页
2/22
住宅楼外墙外保温施工方案_第3页
3/22
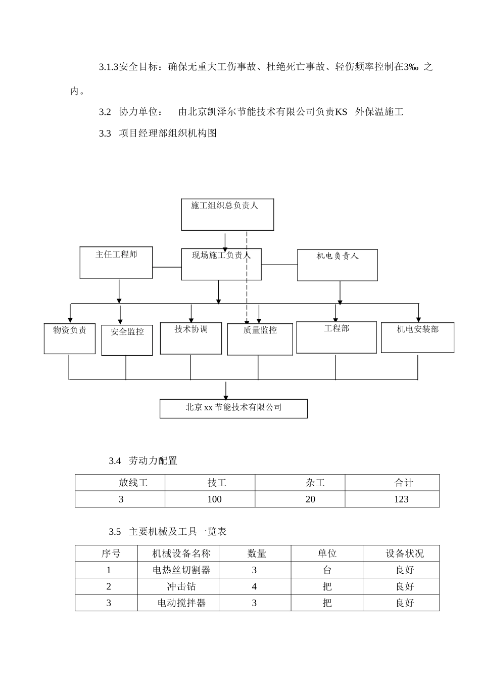
1 编制依据1.1xx 小区2# ~4# 楼建筑施工图、装修合同1.2 设计交底记录和设计变更、洽商记录1.3 《建筑工程施工及验收法律规范》2000年版1.4 《建筑安装分项工程施工工艺规程》(第二版)(DBJ01-26-96) 1.5 《建筑装饰工程施工及验收法律规范》(JGJ73-91)1.6 北京凯泽尔节能技术有限公司《外墙外保温施工技术规程》(KS/QG01-01)及技术文件汇编。1.7 北京市标准《外墙外保温施工技术规程》(聚苯板玻璃纤维网格布聚合物砂浆做法)DBJ/T01-38-98 。1.8 编制范围:外墙外保温部分2. 工程概况2.1 工程建筑概况序号项 目内 容1工程名称xx小区2#~4# 住宅楼工程2工程地址Xx大街28号3建设单位4设计单位5监理公司6质量监督7施工总包8建筑面积32475 平方米9层 数2#楼:7 层、3#楼、4#楼:8 层10檐 高20.3~23.8m11外墙保温KS 外墙外保温12保温面积12590 平方米13保温材料聚苯乙烯泡沫塑料板、KS 抗裂砂浆2.2 工程材料概况2.2.1聚苯乙烯泡沫塑料板(以下简称聚苯板)必须符合《隔热用聚苯乙烯泡沫塑料》(GB10810) 标准中ZR 阻燃型第一类的要求( 见表2.2.1-1). 板厚为50mm 。 聚苯板技术要求 表2.2.1-1表 观 密 度(kg/m3)导 热 系 数(W/m 。k)吸 水 率 %(v/v )氧指数(% )厚 度 偏 差(mm )18~20≤0.041≤6≥30±22.2.2粘贴用KS 聚合物乳液( 以下简称粘贴用KS 胶) 配制的KS 聚合物粘结剂( 以下简称KS 粘结剂) 技术性能指标符合表2.2.1-2 的要求 KS 粘结剂技术性能指标 表2.2.1-2项 目指 标7d压剪粘结强度(Mpa)≥1.07d抗拉粘结强度(Mpa)≥1.07d耐水压剪粘结强度(Mpa)≥0.928d50 次冻融后压剪粘结强度(Mpa)≥0.928d50 次冻融后抗拉粘结强度(Mpa)≥0.92.2.3面层KS 聚合物乳液( 以下简称面层KS 胶) 配制的KS 聚合物水泥砂浆( 以下简称KS 抗裂砂浆) 技术性能指标符合表2.2.1-3 的要求: KS抗裂砂浆技术性能指标 表2.2.1-3项 目指 标抗压强度(Mpa)≥1590d 收缩率(%) ≥0.0728d 吸水率(%)≤50注:28d 吸水量比为KS 聚合物水泥砂浆与基准砂浆( 灰砂比为1:3, 水灰比为0.5) 在标养28d 后吸水量的比值。3 .施工部署3.1 工程目标3.1.1质量目标:北京市优质工程长城杯3.1.2工期目标:2#楼26天完工、3#楼24天完工、4#楼23天。 3.1.3安全目标:确保无重大工伤事故、杜绝死亡事故、轻伤频率控制在3‰ 之内。3.2 协力单位: 由北京凯泽尔节能技术有限公司负责KS 外保温...

1、当您付费下载文档后,您只拥有了使用权限,并不意味着购买了版权,文档只能用于自身使用,不得用于其他商业用途(如 [转卖]进行直接盈利或[编辑后售卖]进行间接盈利)。
2、本站所有内容均由合作方或网友上传,本站不对文档的完整性、权威性及其观点立场正确性做任何保证或承诺!文档内容仅供研究参考,付费前请自行鉴别。
3、如文档内容存在违规,或者侵犯商业秘密、侵犯著作权等,请点击“违规举报”。

碎片内容

住宅楼外墙外保温施工方案

确认删除?
VIP
微信客服
  • 扫码咨询
会员Q群
  • 会员专属群点击这里加入QQ群
客服邮箱
回到顶部