电脑桌面
添加小米粒文库到电脑桌面
安装后可以在桌面快捷访问

住宅楼工程模板施工方案

住宅楼工程模板施工方案_第1页
1/21
住宅楼工程模板施工方案_第2页
2/21
住宅楼工程模板施工方案_第3页
3/21
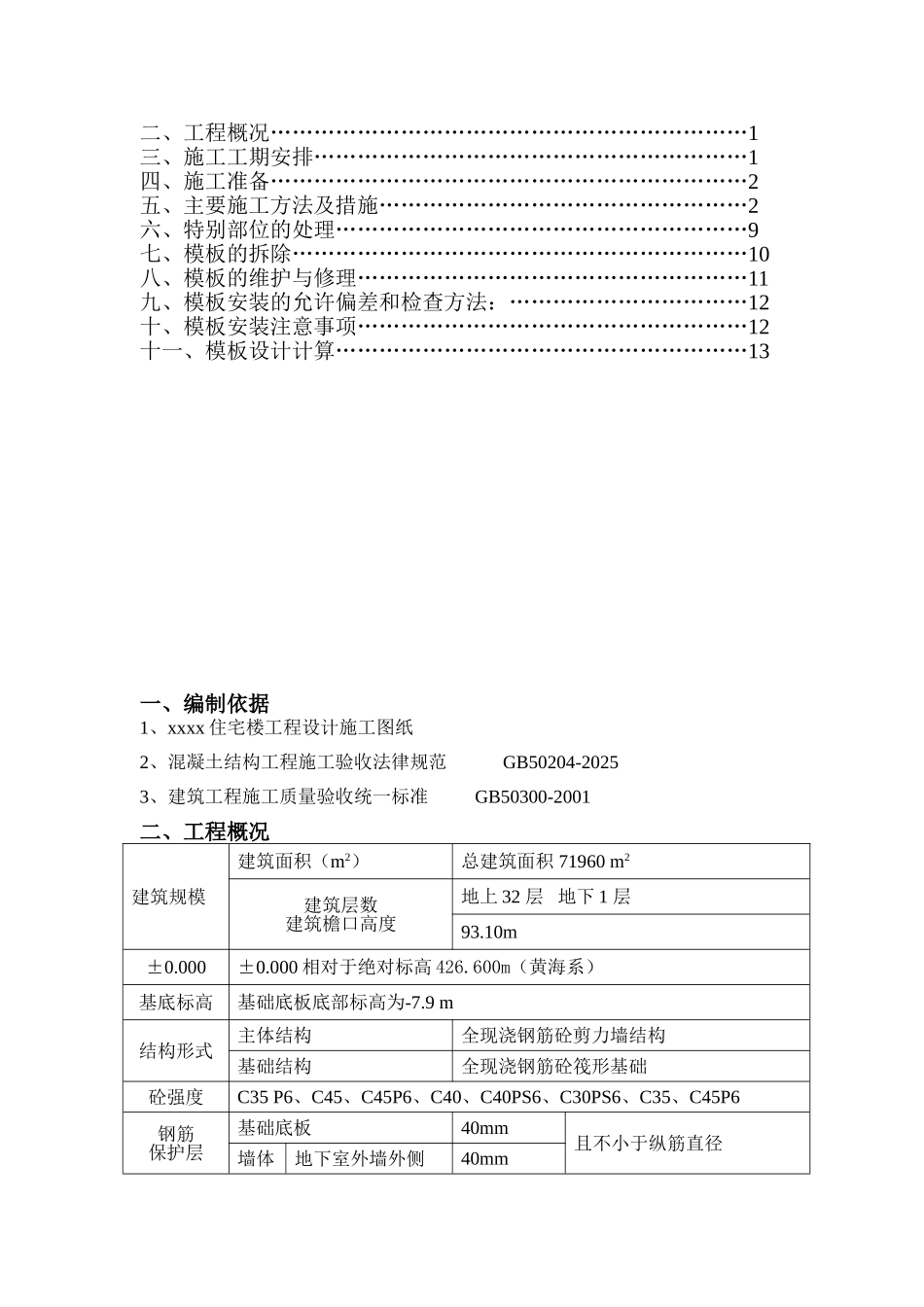
xxxx 住宅楼工程模板施工方案编制人: 审批人: 二 00 七年十月十日目 录一、编制依据…………………………………………………………1二、工程概况…………………………………………………………1三、施工工期安排……………………………………………………1四、施工准备…………………………………………………………2五、主要施工方法及措施……………………………………………2六、特别部位的处理…………………………………………………9七、模板的拆除………………………………………………………10八、模板的维护与修理………………………………………………11九、模板安装的允许偏差和检查方法:……………………………12十、模板安装注意事项………………………………………………12十一、模板设计计算…………………………………………………13一、编制依据1、xxxx 住宅楼工程设计施工图纸 2、混凝土结构工程施工验收法律规范 GB50204-20253、建筑工程施工质量验收统一标准 GB50300-2001二、工程概况建筑规模建筑面积(m2)总建筑面积 71960 m2建筑层数建筑檐口高度地上 32 层 地下 1 层93.10m±0.000±0.000 相对于绝对标高 426.600m(黄海系)基底标高基础底板底部标高为-7.9 m结构形式主体结构全现浇钢筋砼剪力墙结构基础结构全现浇钢筋砼筏形基础砼强度C35 P6、C45、C45P6、C40、C40PS6、C30PS6、C35、C45P6钢筋保护层基础底板40mm 且不小于纵筋直径墙体地下室外墙外侧40mm其它15mm楼板15mm梁25mm建筑物抗震抗震设防烈度8 度 抗震等级一级结构断面尺寸±0.000 以下墙体厚度200㎜、250㎜、300㎜±0.000 以上墙体厚度200㎜、250㎜、300㎜基础底板厚度400 ㎜ 、 700 ㎜ 、 1200 ㎜ 、 1500 ㎜ 、 1700㎜、400㎜、±0.000 以下楼板厚度250㎜ ±0.000 以上楼板厚度100㎜、120㎜标准层层高2.90m三、施工工期安排1、 工期要求:开工日期为:2007 年 7 月 1 日;主体结构计划封顶日期为:2008 年 9 月 30 日。四、 施工准备4.1、技术准备a. 熟悉审查图纸。b. 拟采纳的模板体系的资料收集。4.2、机具准备压刨、平刨、电锯、砂轮机、手提电锯、手提电刨、冲击钻、手枪钻、无齿锯、电焊机、角磨机。4.3、材料准备各结构部位拟采纳的模板见下表:序号使用部位选用模板及支撑体系配模数量1楼板竹胶板、主楞 100×100mm 木方;次楞50×100mm 木方;支撑为 Ф48 钢管配备三层2地上86 系...

1、当您付费下载文档后,您只拥有了使用权限,并不意味着购买了版权,文档只能用于自身使用,不得用于其他商业用途(如 [转卖]进行直接盈利或[编辑后售卖]进行间接盈利)。
2、本站所有内容均由合作方或网友上传,本站不对文档的完整性、权威性及其观点立场正确性做任何保证或承诺!文档内容仅供研究参考,付费前请自行鉴别。
3、如文档内容存在违规,或者侵犯商业秘密、侵犯著作权等,请点击“违规举报”。

碎片内容

住宅楼工程模板施工方案

您可能关注的文档

确认删除?
VIP
微信客服
  • 扫码咨询
会员Q群
  • 会员专属群点击这里加入QQ群
客服邮箱
回到顶部