电脑桌面
添加小米粒文库到电脑桌面
安装后可以在桌面快捷访问

住宅楼工程高支模工程施工方案

住宅楼工程高支模工程施工方案_第1页
1/11
住宅楼工程高支模工程施工方案_第2页
2/11
住宅楼工程高支模工程施工方案_第3页
3/11
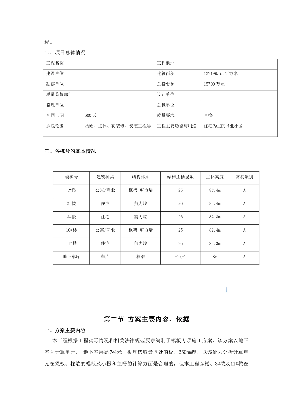
住宅小区工程住宅小区工程高支模施工专项方案 2 0 2 5 年 4 月目 录 目 录.....................................................................................................................................................................- 2 -第一节 工程概况.................................................................................................................................................- 2 -一、主要工程内容........................................................................................................................................- 2 -二、项目总体情况........................................................................................................................................- 2 -三、各栋号的基本情况................................................................................................................................- 3 -第二节 方案主要内容、依据...............................................................................................................................- 3 -一、方案主要内容........................................................................................................................................- 3 -二、编制依据................................................................................................................................................- 4 -第三节 模板方案选择及验算...............................................................................................................................- 4 -一、楼板模板选择........................................................................................................................................- 4 -二、 楼板模板验算......................................................................................................................................- 4 -(一)、参数........................................................................................................................................

1、当您付费下载文档后,您只拥有了使用权限,并不意味着购买了版权,文档只能用于自身使用,不得用于其他商业用途(如 [转卖]进行直接盈利或[编辑后售卖]进行间接盈利)。
2、本站所有内容均由合作方或网友上传,本站不对文档的完整性、权威性及其观点立场正确性做任何保证或承诺!文档内容仅供研究参考,付费前请自行鉴别。
3、如文档内容存在违规,或者侵犯商业秘密、侵犯著作权等,请点击“违规举报”。

碎片内容

住宅楼工程高支模工程施工方案

确认删除?
VIP
微信客服
  • 扫码咨询
会员Q群
  • 会员专属群点击这里加入QQ群
客服邮箱
回到顶部