电脑桌面
添加小米粒文库到电脑桌面
安装后可以在桌面快捷访问

住宅楼工程高支模架专项施工方案

住宅楼工程高支模架专项施工方案_第1页
1/32
住宅楼工程高支模架专项施工方案_第2页
2/32
住宅楼工程高支模架专项施工方案_第3页
3/32
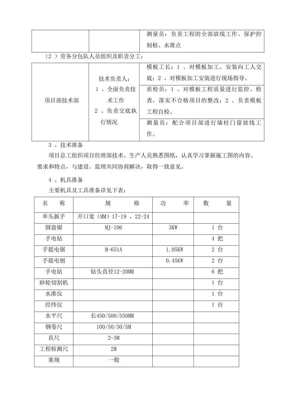
目 录一、工程概况................................................- 2 -二、施工部署................................................- 2 -三、模板安装................................................- 4 -四、模板施工质量要求........................................- 6 -五、模板施工安全要求........................................- 7 -六、梁模板高支撑架的构造和施工要求..........................- 7 -七、计算式(梁、板)........................................- 9 -模 板 施 工 方 案一 、 工 程 概 况 本工程美的罗兰春天21# 楼2-7 交D-F 轴中间大厅部分为两层做一层结构面,地下基础部分-3.7m 没有回填,一层5m、二层4.2m出现12.8米架体支撑,现按图纸中的该大厅结构层做法以三层顶结构来安排支模方式,采纳满堂脚手架搭设,局部钟楼塔尖部分从标高 24.3m 至36.6m, 出现12.2米架体支撑。板厚:130mm梁高:(代表性尺寸)300×800mm、300×600mm。支模材料:采纳40×80㎜方木、14㎜木胶合板及Φ48×3.0 扣件式钢管。高支撑架的计算依据《建筑施工扣件式钢管脚手架安全技术法律规范》(JGJ130-2025)、《混凝土结构设计法律规范》GB50010-2025、《建筑结构荷载法律规范》(GB 50009-2025) 、《钢结构设计法律规范》(GB 50017-2025) 等法律规范编制。因本工程梁支架高度过高,根据有关文献建议,假如仅按法律规范计算,架体安全性仍不能得到完全保证。为此计算中还参考了《施工手册》2025:《扣件式钢管模板高支撑架设计和使用安全》中的部分内容。二 、 施 工 部 署 1 、材料准备考虑到本工程为全现浇框架结构,因此模板材料大量采纳胶合板模板。木模(拼条),胶合板模板具有不收缩、不翘曲、不开裂、均质、接缝少、周转率高、加工方便等优点。模板支撑及加固系统采纳40×80木方、φ48×3.0 钢管、可调节顶托、φ14对拉螺栓等。2 、组织设置(1 )管理人员组织及职责分工:项目工程师:负责项目部全面技术、质量工作技术负责人:全面负责技术、模板方案编制工作模板技术负责人:1 、对模板工程进行技术交底;2 、对施工过程进行监控;3 、负责模板工程验收土建质检员:1 、对模板工程质量进行监控、检查,督促不合格项目的整改;2 、对建材质量进行检查、监控测量员:负责工程的全部放线工作、保护控制桩、水准点(2 )劳务分包队人员组织及职责分工:项目部技...

1、当您付费下载文档后,您只拥有了使用权限,并不意味着购买了版权,文档只能用于自身使用,不得用于其他商业用途(如 [转卖]进行直接盈利或[编辑后售卖]进行间接盈利)。
2、本站所有内容均由合作方或网友上传,本站不对文档的完整性、权威性及其观点立场正确性做任何保证或承诺!文档内容仅供研究参考,付费前请自行鉴别。
3、如文档内容存在违规,或者侵犯商业秘密、侵犯著作权等,请点击“违规举报”。

碎片内容

住宅楼工程高支模架专项施工方案

您可能关注的文档

确认删除?
VIP
微信客服
  • 扫码咨询
会员Q群
  • 会员专属群点击这里加入QQ群
客服邮箱
回到顶部