电脑桌面
添加小米粒文库到电脑桌面
安装后可以在桌面快捷访问

住宅楼质量创优方案[瓯江杯]VIP专享

住宅楼质量创优方案[瓯江杯]_第1页
1/29
住宅楼质量创优方案[瓯江杯]_第2页
2/29
住宅楼质量创优方案[瓯江杯]_第3页
3/29
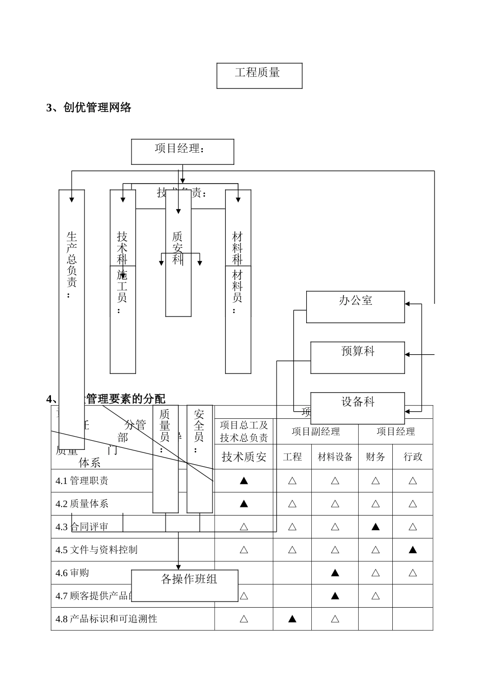
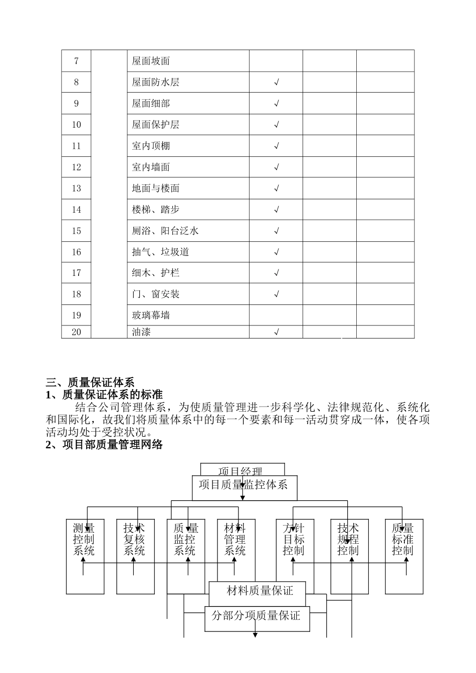
一、工程概况xx 县 xxx 苑北侧地块项目工程,位于 xx 县 xx 镇 xx 村,本工程由 1—7#楼及地下室车库组成,,建筑占地面积 19534m2。总建筑面积 71546m2,其中1#、4#、5#、6#、7#为地下一层,地上二十九层及二层商业楼组成; 2#、3#楼为地下一层,地上二十八层组成。其框架——剪力墙结构;钻孔灌注桩桩基,钢筋砼筏板基础,剪力墙结构。1#、6#、7#建筑高度 95.1m , 2#、3#建筑高度92.1m , 4#、5#建筑高度 96.1m。结构设计使用年限为 50 年;建筑物耐火等级为一级;建筑结构安全等级为二级;抗震设防烈度为六度,框架、剪力墙抗震等级为三级,地下车库人防等级为六级。防水等级为 II 级,防水层耐用年限 15 年。本工程由温州 xx 置业有限公司开发建设,杭州 xx 建筑设计有限公司设计,温州市勘察测绘讨论院地质勘察,温州市 xx 建设监理有限公司监理,温州市xx 建筑工程公司总承包施工,xx 县建设工程质量监督站监督。二、工程质量目标根据公司的管理目标:强化工程质量管理,保证 100%的工程合格率,项目部确立了本工程的质量目标为:强化工程质量管理,保证工程 100%合格,确保温州市“瓯江杯”。安全目标为:“确保市级文明标化施工场地”。具体分部分项的质量目标如下表所示总体质量目标分部工程质量目标分部工程名称质量目标分项工程合格率确保温州市 “瓯江杯”建筑部分合格率100%地基与基础工程合格100%主休工程合格100%装饰工程合格100%屋面工程合格100%安装部分合格率100%给排水工程合格100%电气工程合格100%通风空调工程合格100%智能建筑合格100%电梯合格100%单位工程观感质量目标序号项目名称评定好一般差1建筑工程室外墙面√2室外大角√3外墙面横竖线角√4散水、台阶、阴沟√5滴水线√6变形缝、落水管√7屋面坡面8屋面防水层√9屋面细部√10屋面保护层√11室内顶棚√12室内墙面√13地面与楼面√14楼梯、踏步√15厕浴、阳台泛水√16抽气、垃圾道√17细木、护栏√18门、窗安装√19玻璃幕墙20油漆√三、质量保证体系1、质量保证体系的标准结合公司管理体系,为使质量管理进一步科学化、法律规范化、系统化和国际化,故我们将质量体系中的每一个要素和每一活动贯穿成一体,使各项活动均处于受控状况。2、项目部质量管理网络 项目经理项目质量监控体系测量控制系统技术复核系统质 量监控系统材料管理系统方针目标控制技术规程控制质量标准控制材料质量保证分部分项质量保证3、创优管理网络 4、质量...

1、当您付费下载文档后,您只拥有了使用权限,并不意味着购买了版权,文档只能用于自身使用,不得用于其他商业用途(如 [转卖]进行直接盈利或[编辑后售卖]进行间接盈利)。
2、本站所有内容均由合作方或网友上传,本站不对文档的完整性、权威性及其观点立场正确性做任何保证或承诺!文档内容仅供研究参考,付费前请自行鉴别。
3、如文档内容存在违规,或者侵犯商业秘密、侵犯著作权等,请点击“违规举报”。

碎片内容

住宅楼质量创优方案[瓯江杯]

范哲铺+ 关注
实名认证
内容提供者

想你所想,急你所急,你需要的都在店铺里可以找到。

确认删除?
VIP
微信客服
  • 扫码咨询
会员Q群
  • 会员专属群点击这里加入QQ群
客服邮箱
回到顶部