电脑桌面
添加小米粒文库到电脑桌面
安装后可以在桌面快捷访问

住宅项目施工进度计划工期保障措施VIP专享

住宅项目施工进度计划工期保障措施_第1页
1/10
住宅项目施工进度计划工期保障措施_第2页
2/10
住宅项目施工进度计划工期保障措施_第3页
3/10
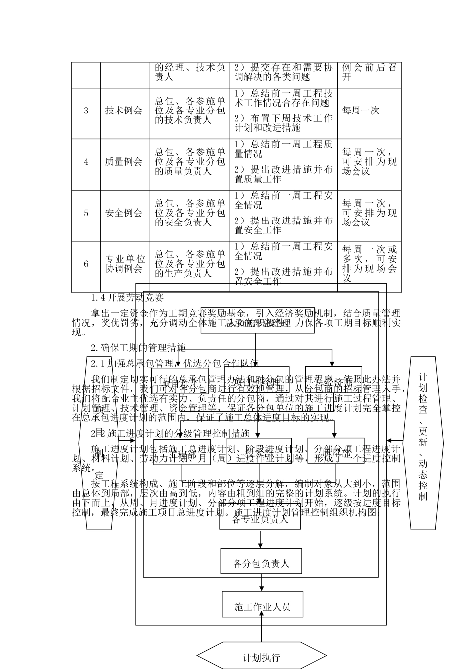
施工进度计划工期保障措施1.确保工期的组织措施1.1 设立高效的总承包管理机构,职责分明充分认识到本工程的重要性和紧迫性,成立由公司总经理挂帅、相关部门参加督导的项目总承包部,针对工程特点,从全公司抽调经验丰富、业务水平高、责任心强的项目管理团队。有针对性地设置管理部门,充分利用成熟的管理经验组织管理本工程,有经验的管理团队能准确地把握工程施工命脉,制定工程实施的方案和路线及相应保障措施,使本工程合理、有序、高效地完成。项目班子专门设置工程经理,主管计划统计部和专业协调工程师。本工程将设2 名长期在工程一线从事项目计划管理的工程师负责各类进度计划的制订、检查落实、计划分析、偏差调整。并负责监管各专业分包商依据总承包进度计划制订所属施工项目的进度计划,负责监督分包单位进度计划的实施情况。专业计划工程师负责以进度计划为龙头,为商务部、物资部制订相应的招标采购计划提供依据,并敦促实施。 1.2 合理组织施工1.2.1 分区分段组织施工,“化大为小”本工程体量大,要求的施工资源多,在混凝土结构施工中,本工程分为多个施工区段,各区段之间进行平行施工。以保证施工的有序进行。施工资源根据施工区独立配置,项目部设立施工区负责人,对每个施工区实行独立管理,以及时发现问题和解决问题,确保工程的施工进度。1.2.2 流水施工,资源分配相对均匀。在施工组织上,我们采纳流水施工的方法,将混凝土浇筑等需要空间、机械等资源量大的分项工程,施工时间安排错开,使整个工程的资源分配相对均匀,进一步化解了场地狭小、资源要求集中的矛盾。1.2.3 程序协调,穿插安排合理。在施工程序上,是以土建施工为主,机电专业等各分项工程做好配合协调。进度计划中安排结构分阶段验收,为机电安装预留、预埋和二次结构砌筑及装修工作制造空间条件。在二次结构施工时,做好预留与预埋工作的同时,做好室内管道、桥架等安装工作。室内装修期间,机电设备安装工程也逐步与各装修工序一道进行流水施工。最后,留出了充足的时间进行单机和系统综合调试时间。这样的程序安排,符合施工实际需要,针对本工程的特点作了专门设计,保证了进度目标的实现。1.3 定期召开专题会议定期召开工程例会及各种与保证工程进度的专题例会,主要工程专题会议如下:序号会议名称参加单位会议议题会议频率1监理例会建 设 单 位 、 监理、总包、各专业分包主要负责人1)汇报前一周工期完成情况及下周计划2)提交存在和...

1、当您付费下载文档后,您只拥有了使用权限,并不意味着购买了版权,文档只能用于自身使用,不得用于其他商业用途(如 [转卖]进行直接盈利或[编辑后售卖]进行间接盈利)。
2、本站所有内容均由合作方或网友上传,本站不对文档的完整性、权威性及其观点立场正确性做任何保证或承诺!文档内容仅供研究参考,付费前请自行鉴别。
3、如文档内容存在违规,或者侵犯商业秘密、侵犯著作权等,请点击“违规举报”。

碎片内容

住宅项目施工进度计划工期保障措施

确认删除?
VIP
微信客服
  • 扫码咨询
会员Q群
  • 会员专属群点击这里加入QQ群
客服邮箱
回到顶部