电脑桌面
添加小米粒文库到电脑桌面
安装后可以在桌面快捷访问

全套给排水工程竣工验收资料

全套给排水工程竣工验收资料_第1页
1/225
全套给排水工程竣工验收资料_第2页
2/225
全套给排水工程竣工验收资料_第3页
3/225
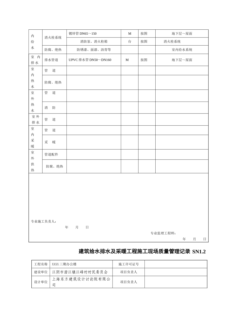
建筑工程施工质量验收资料 (SN:建筑给排水工程部分)档 号 档案馆代号 案 卷 题 名 XXXX 新城广场 三期办公楼 给排水工程竣工验收资料 编 制 单 位 XXXX 安装装饰工程有限公司 编 制 日 期 二 0 一 0 年 十一月三十日 密 级 保管期限 共 卷 第 卷目 录序号编 号名 称页码备注一、SN1分部工程验收资料1SN1.1建筑给水排水及采暖工程概况12SN1.2建筑给水排水及采暖工程施工现场质量管理记录23SN1.3 建筑给水排水及采暖工程施工现场质量管理记录34SN1.4建筑给水排水及采暖工程质量控制资料核查记录45SN1.5建筑给排水及采暖工程安全和功能检验资料核查及主要功能抽查记录56SN1.6建筑给排水及采暖工程观感质量检查记录6二、SN2质量控制资料7SN2.2工程材料、设备、成品、半成品出厂合格证、及进场检(试)验报告汇总表78SN2.3各种管道安装隐蔽工程验收记录89SN2.4给排水管道支、吊架安装记录10SN2.6楼板(屋面)立管洞盛水试验记录11SN2.8塑料排水管伸缩器安装预留伸缩量记录12SN2.14阀门及散热器安装前水压试验记录13SN2.15承压管道系统(设备)强度和严密水压试验记录14SN2.16非承压管道灌水试验记录15SN2.17给水、热水及采暖管道系统冲洗记录16SN2.19地漏排水试验记录17SN2.20室内排水管道通球试验记录18SN2.21排水系统及卫生器通水试验记录19SN2.23消火栓系统试射试验记录20SN3.1室内给水系统分部工程质量验收记录21SN3.1.1给水管道及配件安装分项工程质量验收记录22SN3.1.2给水管道及配件安装工程检验批质量验收记录三、SN3工程质量验收记录23SN3.2室内排水系统分部工程质量验收记录24SN3.2.1室内排水管道及配件安装工程量验收记录25SN3.2.2室内排水管道及配件安装工程检验批质量验收记录26SN3.7.3消防水泵接合器及室外消火栓安装分项工程质量验收记录27SN3.7.4消防水泵接合器及室外消火栓安装分项工程检验批质量验收记录建筑给水排水及采暖工程概况表工程名称XXXX 三期办公楼建设单位江阴市澄江镇江峰村村民委员会分部工程1. 室内给水 2. 室内排水 3.消防给水 4 子分部分项工程主要设备及材料型号规格单位数量安装地点室给水工程衬塑复合钢管 DN40~80M按图地下层~屋面SN1.1内给水消火栓系统镀锌管 DN65~150M按图地下层~屋面消防泵、消火栓箱台按图 消火栓系统防腐、绝热防锈漆、面漆、沥青等室内给水系统室内排 水排水管道UPVC 排水管 DN50~DN160 M 按图地下层~屋面室内热水管 道防腐、绝...

1、当您付费下载文档后,您只拥有了使用权限,并不意味着购买了版权,文档只能用于自身使用,不得用于其他商业用途(如 [转卖]进行直接盈利或[编辑后售卖]进行间接盈利)。
2、本站所有内容均由合作方或网友上传,本站不对文档的完整性、权威性及其观点立场正确性做任何保证或承诺!文档内容仅供研究参考,付费前请自行鉴别。
3、如文档内容存在违规,或者侵犯商业秘密、侵犯著作权等,请点击“违规举报”。

碎片内容

全套给排水工程竣工验收资料

确认删除?
VIP
微信客服
  • 扫码咨询
会员Q群
  • 会员专属群点击这里加入QQ群
客服邮箱
回到顶部