电脑桌面
添加小米粒文库到电脑桌面
安装后可以在桌面快捷访问

公司和各部门年度经营计划参考模板

公司和各部门年度经营计划参考模板_第1页
1/17
公司和各部门年度经营计划参考模板_第2页
2/17
公司和各部门年度经营计划参考模板_第3页
3/17
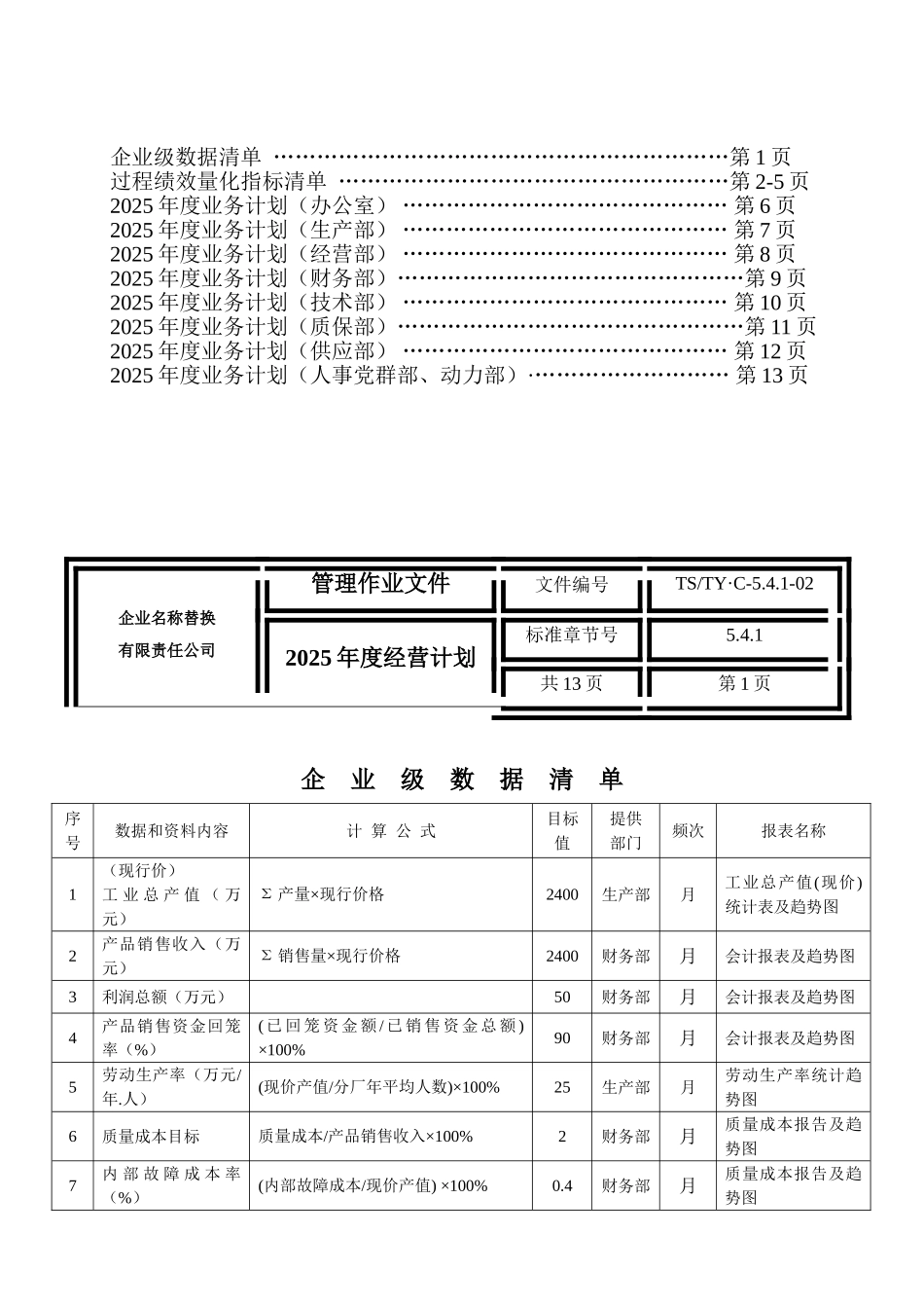
企业名称替换有限责任公司ISO/TS16949:2025 质量体系管理作业文件文件编号: -5.4.1-02——————————————————————————年度经营计划 版本/版次:实施日期:2025/01/01分发号:编制/日期审核/日期批准/日期会签相关部门技术部质保部办公室人事部财务部会 签日 期2025/12/252025/12/252025/12/252025/12/252025/12/25相关部门生产部动力部经营部供应部会 签日 期2025/12/252025/12/252025/12/252025/12/25目 录企业级数据清单 ………………………………………………………第 1 页过程绩效量化指标清单 ………………………………………………第 2-5 页2025 年度业务计划(办公室) ……………………………………… 第 6 页2025 年度业务计划(生产部) ……………………………………… 第 7 页2025 年度业务计划(经营部) ……………………………………… 第 8 页2025 年度业务计划(财务部)…………………………………………第 9 页2025 年度业务计划(技术部) ……………………………………… 第 10 页2025 年度业务计划(质保部)…………………………………………第 11 页2025 年度业务计划(供应部) ……………………………………… 第 12 页2025 年度业务计划(人事党群部、动力部)·……………………… 第 13 页企业名称替换有限责任公司管理作业文件文件编号TS/TY·C-5.4.1-022025 年度经营计划标准章节号5.4.1共 13 页第 1 页企 业 级 数 据 清 单序号数据和资料内容计 算 公 式目标值提供部门频次报表名称1(现行价)工 业 总 产 值 ( 万元)Σ 产量×现行价格2400生产部月工业总产值(现价)统计表及趋势图2产品销售收入(万元)Σ 销售量×现行价格2400财务部月会计报表及趋势图3利润总额(万元)50财务部月会计报表及趋势图4产品销售资金回笼率(%)( 已 回 笼 资 金 额 / 已 销 售 资 金 总 额 ) ×100%90财务部月会计报表及趋势图5劳动生产率(万元/年.人)(现价产值/分厂年平均人数)×100%25生产部月劳动生产率统计趋势图6质量成本目标质量成本/产品销售收入×100%2财务部月质量成本报告及趋势图7内 部 故 障 成 本 率(%)(内部故障成本/现价产值) ×100%0.4财务部月质量成本报告及趋势图8外 部 故 障 成 本 率(%)(外部故障成本/产品销售收入) ×100%0.2财务部月质量成本报告及趋势图9产 品 ...

1、当您付费下载文档后,您只拥有了使用权限,并不意味着购买了版权,文档只能用于自身使用,不得用于其他商业用途(如 [转卖]进行直接盈利或[编辑后售卖]进行间接盈利)。
2、本站所有内容均由合作方或网友上传,本站不对文档的完整性、权威性及其观点立场正确性做任何保证或承诺!文档内容仅供研究参考,付费前请自行鉴别。
3、如文档内容存在违规,或者侵犯商业秘密、侵犯著作权等,请点击“违规举报”。

碎片内容

公司和各部门年度经营计划参考模板

确认删除?
VIP
微信客服
  • 扫码咨询
会员Q群
  • 会员专属群点击这里加入QQ群
客服邮箱
回到顶部