电脑桌面
添加小米粒文库到电脑桌面
安装后可以在桌面快捷访问

公路桥地质条件及评价

公路桥地质条件及评价_第1页
1/42
公路桥地质条件及评价_第2页
2/42
公路桥地质条件及评价_第3页
3/42
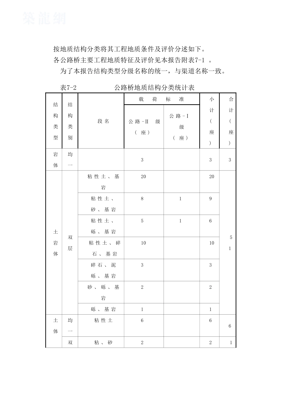
7 公 路 交 叉 建 筑 物 工 程 地 质 条 件 及评 价本段共布置公路桥131 座( 包括1 座公路涵洞) ,其中汽车荷载等级为公路-Ⅰ 级的桥5 座,汽车荷载等级为公路-Ⅱ 级的桥126座,见表 7-1 。汽车荷载等级为公路-Ⅰ 级的桥均有单行本报告。表 7-1 公路桥一览表序号勘 探桩 号公 路 桥 名 称序号勘 探桩 号公 路 桥 名 称1(239+350杜 北 南 公 路 桥 (公 路 -3287+520赤 支 公 路 桥 (公2(240+02杜 北 公 路 桥 (公 路 -Ⅱ3289+860辛 岸 公 路 桥 (公3(240+60友 谊 北 大 街 公 路 桥3290+920良 庄 公 路 桥 (公4(242+01东 营 公 路 桥 (公 路 -Ⅱ3 (293+345)安 庄 铺 公 路 桥 (公5(243+20果 树 讨 论 所 公 路 桥3 (296+155)北 大 岳 公 路 桥 (公6(243+80新 村 公 路 桥 (公 路 -Ⅱ3298+069中 平 乐 公 路 桥 (公7249+250西 柏 棠 南 公 路 桥 (公3298+945寺 留 营 公 路 桥 (公8249+808西 柏 棠 公 路 桥 (公 路 -4300+473北 留 营 公 路 桥 (公9251+500邢 家 庄 西 公 路 桥 (公4302+050东 沟 南 公 路 桥 (公10252+563邢 家 庄 公 路 桥 (公 路 -4302+721燕 赵 公 路 桥 (公11253+553永 安 村 公 路 桥 (公 路 -4305+380北 管 头 公 路 桥 (公12254+770北 贾 村 公 路 桥 (公 路 -4306+262辛 庄 公 路 桥 (公13256+281于 家 庄 公 路 桥 (公 路 -4307+946塔 头 公 路 桥 (公14258+158吴 兴 公 路 桥 (公 路 -Ⅱ4309+263南 杏 树 公 路 桥 (公15259+364新 安 公 路 桥 (公 路 -Ⅱ4311+127支 曹 公 路 桥 (公16260+939李 家 庄 公 路 桥 (公 路 -4314+800辛 庄 公 路 桥 (公17263+082西 杜 村 公 路 桥 (公 路 -4316+193南 古 山 公 路 桥 (公18264+444南 化 公 路 桥 (公 路 -Ⅱ5317+718北 古 山 公 路 桥 (公19265+638西 平 乐 公 路 桥 (公 路 -5319+808田 家 庄 公 路 桥 (公20267+279西 安 丰 公 路 桥 (公 路 -5321+255东 屯 村 公 路 桥 (公21269+200大 寨 公 路 桥 (公 路 -Ⅱ5322+827小 白 尧 公 路 桥 (公22270+915马 石 桥 公 路 桥 (公 路 -5324+103岳 烟 公 路 桥 (公23272+065马...

1、当您付费下载文档后,您只拥有了使用权限,并不意味着购买了版权,文档只能用于自身使用,不得用于其他商业用途(如 [转卖]进行直接盈利或[编辑后售卖]进行间接盈利)。
2、本站所有内容均由合作方或网友上传,本站不对文档的完整性、权威性及其观点立场正确性做任何保证或承诺!文档内容仅供研究参考,付费前请自行鉴别。
3、如文档内容存在违规,或者侵犯商业秘密、侵犯著作权等,请点击“违规举报”。

碎片内容

公路桥地质条件及评价

确认删除?
VIP
微信客服
  • 扫码咨询
会员Q群
  • 会员专属群点击这里加入QQ群
客服邮箱
回到顶部