电脑桌面
添加小米粒文库到电脑桌面
安装后可以在桌面快捷访问

分部工程安全和功能检查

分部工程安全和功能检查_第1页
1/2
分部工程安全和功能检查_第2页
2/2
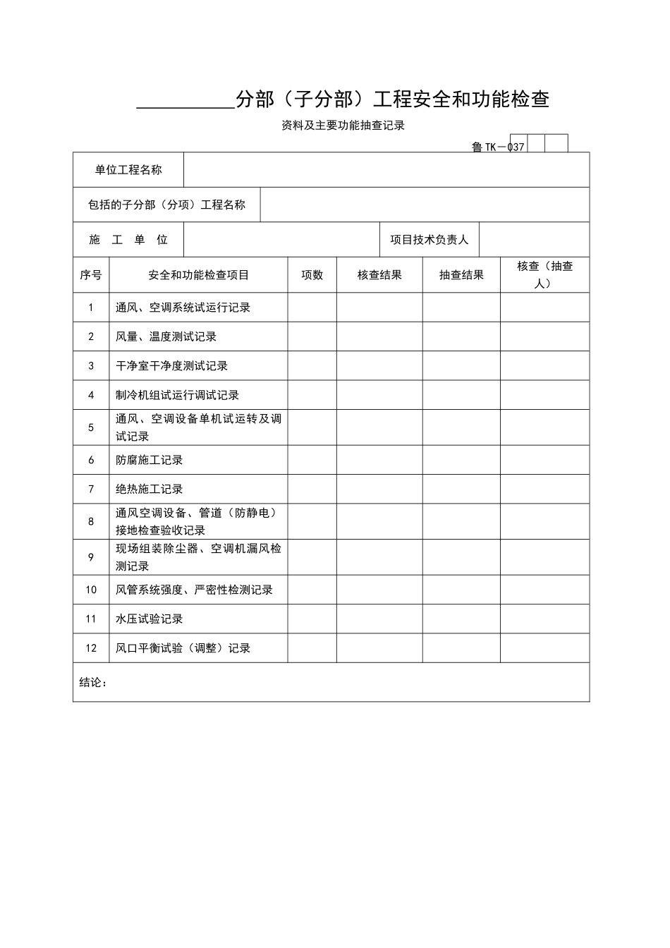
分部(子分部)工程安全和功能检查资料及主要功能抽查记录单位工程名称包括的子分部(分项)工程名称施 工 单 位项目技术负责人序号安全和功能检查项目项数核查结果 抽查结果核查(抽查人)1通风、空调系统试运行记录2风量、温度测试记录3干净室干净度测试记录4制冷机组试运行调试记录5通风、空调设备单机试运转及调试记录6防腐施工记录7绝热施工记录8通风空调设备、管道(防静电)接地检查验收记录9现场组装除尘器、空调机漏风检测记录10风管系统强度、严密性检测记录11水压试验记录12风口平衡试验(调整)记录结论:鲁 TK-037分包单位项目经理:年 月 日总包单位项目经理: 年 月 日总监理工程师:(建设单位项目负责人) 年 月 日 注:抽查项目由验收组协商确定。山东省建设工程质量监督总站监制

1、当您付费下载文档后,您只拥有了使用权限,并不意味着购买了版权,文档只能用于自身使用,不得用于其他商业用途(如 [转卖]进行直接盈利或[编辑后售卖]进行间接盈利)。
2、本站所有内容均由合作方或网友上传,本站不对文档的完整性、权威性及其观点立场正确性做任何保证或承诺!文档内容仅供研究参考,付费前请自行鉴别。
3、如文档内容存在违规,或者侵犯商业秘密、侵犯著作权等,请点击“违规举报”。

碎片内容

分部工程安全和功能检查

确认删除?
VIP
微信客服
  • 扫码咨询
会员Q群
  • 会员专属群点击这里加入QQ群
客服邮箱
回到顶部