电脑桌面
添加小米粒文库到电脑桌面
安装后可以在桌面快捷访问

制冷机组安装分项工程检验批质量验收记录

制冷机组安装分项工程检验批质量验收记录_第1页
1/3
制冷机组安装分项工程检验批质量验收记录_第2页
2/3
制冷机组安装分项工程检验批质量验收记录_第3页
3/3
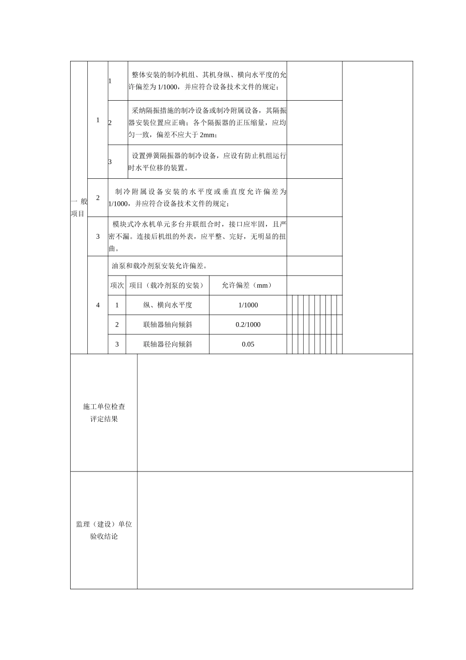
制冷机组安装分项工程检验批质量验收记录 KT3.6.1.1工程名称检验批部位项目经理工程施工单位名称分包项目经理专业工长分包单位施工执行标准名称及编号施工班组长序号GB50243-2025 的规定施工单位检查评定资料监理(建设)单位验收记录主 控项目1 制冷设备和附属设备的安装应符合下列规定: 1、制冷设备、制冷附属设备的型号、规格和技术参数必须符合设计要求,并具有产品合格证书、产品性能检测报告; 2、设备安装的位置、标高和管口方向必须符合设计要求。用地脚螺栓固定的制冷设备或制冷附属设备,其垫铁的位置应正确、接触紧密;螺栓必须拧紧,并有防松动措施。2 设备的混凝土基础必须进行质量交接验收,合格后方可安装。3 直接膨胀表面式冷却器的外表应保持清洁、完整,空气与制冷剂应成逆向流动;表面式冷却器与外壳四周的缝隙应堵严,冷凝水排放应畅通。4 燃油系统的设备与管道,以及储油罐及日用油箱的安装,位置和连接方法应符合设计和消防要求。 燃气系统设备的安装应符合设计和消防的要求。调压装置、过滤器的安装和调节应符合设备技术文件的规定,且应可靠接地。5 制冷设备的各项严密性试验和试运行的技术数据,均应符合设备技术文件的规定。对组装式的制冷机组和现场冲注制冷剂的机组,必须进行吹污、气密性试验、真空试验和冲注制冷剂检漏试验,其相应的技术数据必须符合产品技术文件和有关现行国家标准、法律规范的规定。一 般项目11 整体安装的制冷机组、其机身纵、横向水平度的允许偏差为 1/1000,并应符合设备技术文件的规定;2 采纳隔振措施的制冷设备或制冷附属设备,其隔振器安装位置应正确;各个隔振器的正压缩量,应均匀一致,偏差不应大于 2mm;3 设置弹簧隔振器的制冷设备,应设有防止机组运行时水平位移的装置。2 制 冷 附 属 设 备 安 装 的 水 平 度 或 垂 直 度 允 许 偏 差 为1/1000,并应符合设备技术文件的规定;3 模块式冷水机单元多台并联组合时,接口应牢固,且严密不漏。连接后机组的外表,应平整、完好,无明显的扭曲。4 油泵和载冷剂泵安装允许偏差。项次 项目(载冷剂泵的安装)允许偏差(mm)1纵、横向水平度1/10002联轴器轴向倾斜0.2/10003联轴器径向倾斜0.05施工单位检查评定结果监理(建设)单位验收结论

1、当您付费下载文档后,您只拥有了使用权限,并不意味着购买了版权,文档只能用于自身使用,不得用于其他商业用途(如 [转卖]进行直接盈利或[编辑后售卖]进行间接盈利)。
2、本站所有内容均由合作方或网友上传,本站不对文档的完整性、权威性及其观点立场正确性做任何保证或承诺!文档内容仅供研究参考,付费前请自行鉴别。
3、如文档内容存在违规,或者侵犯商业秘密、侵犯著作权等,请点击“违规举报”。

碎片内容

制冷机组安装分项工程检验批质量验收记录

您可能关注的文档

确认删除?
VIP
微信客服
  • 扫码咨询
会员Q群
  • 会员专属群点击这里加入QQ群
客服邮箱
回到顶部