电脑桌面
添加小米粒文库到电脑桌面
安装后可以在桌面快捷访问

化验员作业流程图HN-ZYLC-PK-3

化验员作业流程图HN-ZYLC-PK-3_第1页
1/2
化验员作业流程图HN-ZYLC-PK-3_第2页
2/2
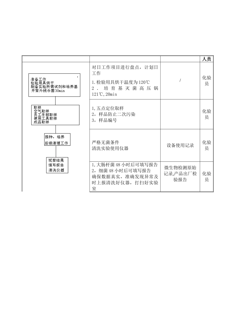
贵州阿乐食品有限公司化验员作业流程图及文本说明化验员检验流程图说明相关记录部门版本修订历史记录序号修订内容修订人修订日期版本备注1化验员作业流程杨合勇2025-12-1A 版人员对日工作项目进行盘点,计划日工作1.检验用具烘干温度为 120℃2 . 培 育 基 灭 菌 高 压 锅121℃,20min/化验员1,五点定位取样2,样品防止二次污染3,样品编号化验员严格无菌条件清洗实验使用仪器设备使用记录化验员1,大肠杆菌 48 小时后可填写报告2,细菌 48 小时后可填写报告确保数据真实,准确发现异常及时上报清洗好仪器,打扫好实验室微生物检测原始记录,产品出厂检验报告化验员

1、当您付费下载文档后,您只拥有了使用权限,并不意味着购买了版权,文档只能用于自身使用,不得用于其他商业用途(如 [转卖]进行直接盈利或[编辑后售卖]进行间接盈利)。
2、本站所有内容均由合作方或网友上传,本站不对文档的完整性、权威性及其观点立场正确性做任何保证或承诺!文档内容仅供研究参考,付费前请自行鉴别。
3、如文档内容存在违规,或者侵犯商业秘密、侵犯著作权等,请点击“违规举报”。

碎片内容

化验员作业流程图HN-ZYLC-PK-3

范哲铺+ 关注
实名认证
内容提供者

想你所想,急你所急,你需要的都在店铺里可以找到。

确认删除?
VIP
微信客服
  • 扫码咨询
会员Q群
  • 会员专属群点击这里加入QQ群
客服邮箱
回到顶部