电脑桌面
添加小米粒文库到电脑桌面
安装后可以在桌面快捷访问

单位工程及工作变压器分部

单位工程及工作变压器分部_第1页
1/12
单位工程及工作变压器分部_第2页
2/12
单位工程及工作变压器分部_第3页
3/12
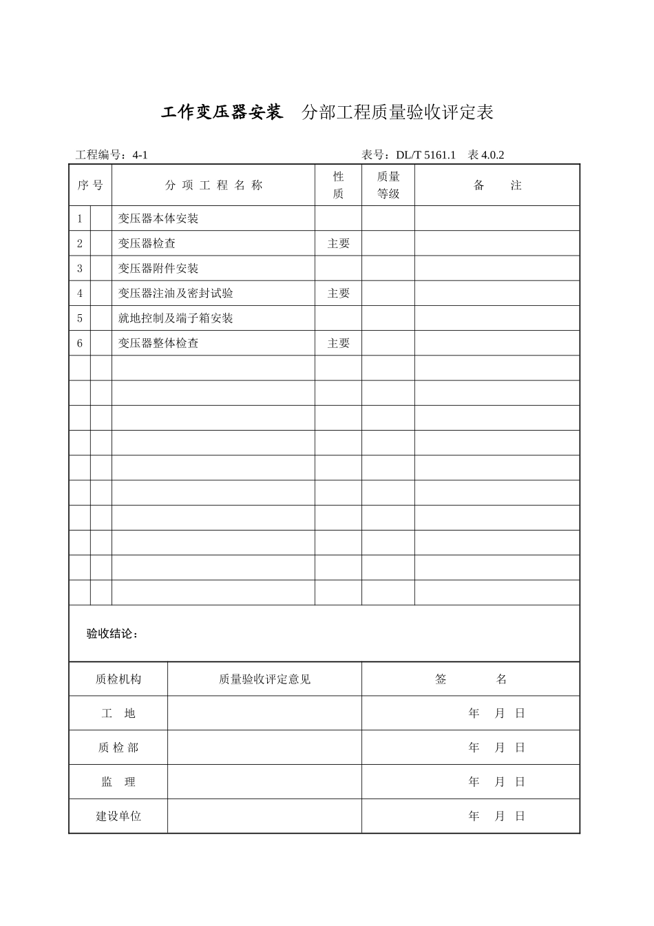
××kV 配电装置安装 单位工程质量验收评定表工程编号:4 表号:DL/T 5161.1 表 4.0.3序号分 部 工 程 名 称质量等级备 注1工作变压器安装2备用变压器安装3××kV 配电盘安装4站用低压配电装置安装10××kV 系统设备带电试运应 有 资 料 份实 有 资 料 份资料核查结论有未因施工的原因造成设备严重损坏有未发生过因接地及短路事故造成设备严重损坏有未发生过电动机烧毁事故分部试运中,有未因电气的原因而造成设备严重损坏验收结论:质检机构质量验收评定意见签 名工 地 年 月 日质 检 部 年 月 日监 理 年 月 日建设单位 年 月 日工作变压器安装 分部工程质量验收评定表工程编号:4-1 表号:DL/T 5161.1 表 4.0.2序 号分 项 工 程 名 称性质质量等级备 注1变压器本体安装2变压器检查主要3变压器附件安装4变压器注油及密封试验主要5就地控制及端子箱安装6变压器整体检查主要验收结论:质检机构质量验收评定意见签 名工 地 年 月 日质 检 部 年 月 日监 理 年 月 日建设单位 年 月 日变压器本体安装 分项工程质量检验评定表工程编号:4-1-1 表号:DL/T 5161.3 表 1.0.3.1工序检 验 项 目性质单位质 量 标 准质量检验结果单项评定基础安装预埋件按设计规定基础水平误差mm<5轨道间距误差mm<5就位前检查密性封能充气运输气体压力MPa0.01~0.03带油运输不渗油,顶盖螺栓紧固油绝缘性能标准规定值本体就位套管与封闭母线中心线主要一致滚装轮配滚轮安装能灵活转动制动器安装牢固,可拆支墩与变压器及预埋件连接牢固本体接地主要牢固,导通良好冲击值和次数按制造厂规定值其它油箱顶部定位装置无变形,无开裂 验收结论:质检机构质量检验评定意见签 名班 组年 月 日工 地年 月 日质 检 部年 月 日监 理年 月 日变压器检查 项工程质量检验评定表工程编号:4-1-2 表号:DL/T 5161.3 表 1.0.3.2工序检 验 项 目性质单位质 量 标 准质量检验结果单项评定器身外观器身各部位主要无移动各部件外观主要无烧伤、损坏及变形各部位绑扎措施齐全,紧固绝缘螺栓及垫块主要齐全,无损坏,且防松措施可靠绕组及引出线绝缘层主要完整,包缠牢固紧密铁芯铁芯接地主要1 点,连接可靠铁芯绝缘主要用兆欧表加压 1 分钟不闪络绕组裸导体外观无毛刺、尖角、断股、断片、拧弯焊接满焊、无脱焊高压应力锥完好油路(有围屏者除外)无异物、畅通均压屏蔽罩(500kV ...

1、当您付费下载文档后,您只拥有了使用权限,并不意味着购买了版权,文档只能用于自身使用,不得用于其他商业用途(如 [转卖]进行直接盈利或[编辑后售卖]进行间接盈利)。
2、本站所有内容均由合作方或网友上传,本站不对文档的完整性、权威性及其观点立场正确性做任何保证或承诺!文档内容仅供研究参考,付费前请自行鉴别。
3、如文档内容存在违规,或者侵犯商业秘密、侵犯著作权等,请点击“违规举报”。

碎片内容

单位工程及工作变压器分部

确认删除?
VIP
微信客服
  • 扫码咨询
会员Q群
  • 会员专属群点击这里加入QQ群
客服邮箱
回到顶部