电脑桌面
添加小米粒文库到电脑桌面
安装后可以在桌面快捷访问

卫生器具排水管道安装工程检验表4

卫生器具排水管道安装工程检验表4_第1页
1/1
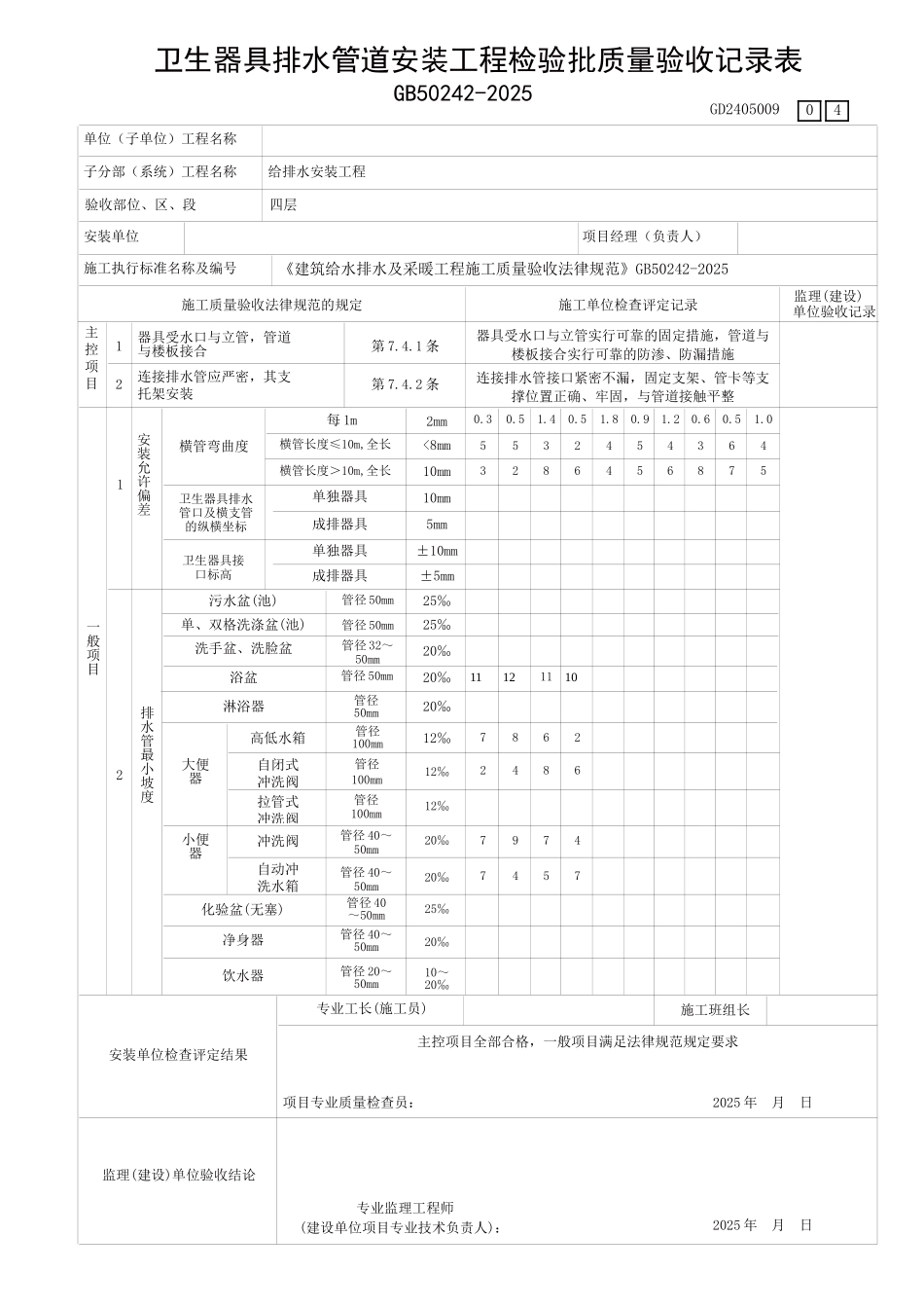
04卫生器具排水管道安装工程检验批质量验收记录表GD2405009GB50242-2025单位(子单位)工程名称子分部(系统)工程名称验收部位、区、段四层安装单位项目经理(负责人)施工执行标准名称及编号《建筑给水排水及采暖工程施工质量验收法律规范》GB50242-2025施工质量验收法律规范的规定施工单位检查评定记录112横管弯曲度卫生器具接口标高大便器管径 32~50mm监理(建设)单位验收结论安装单位检查评定结果主控项目全部合格,一般项目满足法律规范规定要求(建设单位项目专业技术负责人):专业监理工程师项目专业质量检查员:施工班组长2小便器管径 40~50mm管径 40~50mm管径 40~50mm管径100mm管径100mm管径100mm管径 20~50mm管径 40~50mm管径50mm横管长度≤10m,全长横管长度>10m,全长管径 50mm每 1m管径 50mm管径 50mm单独器具成排器具单独器具成排器具第 7.4.1 条第 7.4.2 条2mm<8mm10mm10mm5mm±10mm±5mm25‰25‰20‰20‰20‰12‰12‰12‰20‰20‰25‰20‰10~20‰化验盆(无塞)净身器饮水器高低水箱自闭式冲洗阀拉管式冲洗阀冲洗阀自动冲洗水箱单、双格洗涤盆(池)洗手盆、洗脸盆浴盆淋浴器污水盆(池)0.60.51.03648750.3531172770.5521284941.4381168750.5261026471.8440.9551.246专业工长(施工员) 监理(建设)单位验收记录卫生器具排水管口及横支管的纵横坐标排水管最小坡度安装允许偏差连接排水管应严密,其支托架安装器具受水口与立管,管道与楼板接合主控项目一般项目连接排水管接口紧密不漏,固定支架、管卡等支撑位置正确、牢固,与管道接触平整器具受水口与立管实行可靠的固定措施,管道与楼板接合实行可靠的防渗、防漏措施2025 年 月 日2025 年 月 日给排水安装工程

1、当您付费下载文档后,您只拥有了使用权限,并不意味着购买了版权,文档只能用于自身使用,不得用于其他商业用途(如 [转卖]进行直接盈利或[编辑后售卖]进行间接盈利)。
2、本站所有内容均由合作方或网友上传,本站不对文档的完整性、权威性及其观点立场正确性做任何保证或承诺!文档内容仅供研究参考,付费前请自行鉴别。
3、如文档内容存在违规,或者侵犯商业秘密、侵犯著作权等,请点击“违规举报”。

碎片内容

卫生器具排水管道安装工程检验表4

您可能关注的文档

确认删除?
VIP
微信客服
  • 扫码咨询
会员Q群
  • 会员专属群点击这里加入QQ群
客服邮箱
回到顶部