电脑桌面
添加小米粒文库到电脑桌面
安装后可以在桌面快捷访问

卫生间防水施工方案

卫生间防水施工方案_第1页
1/7
卫生间防水施工方案_第2页
2/7
卫生间防水施工方案_第3页
3/7
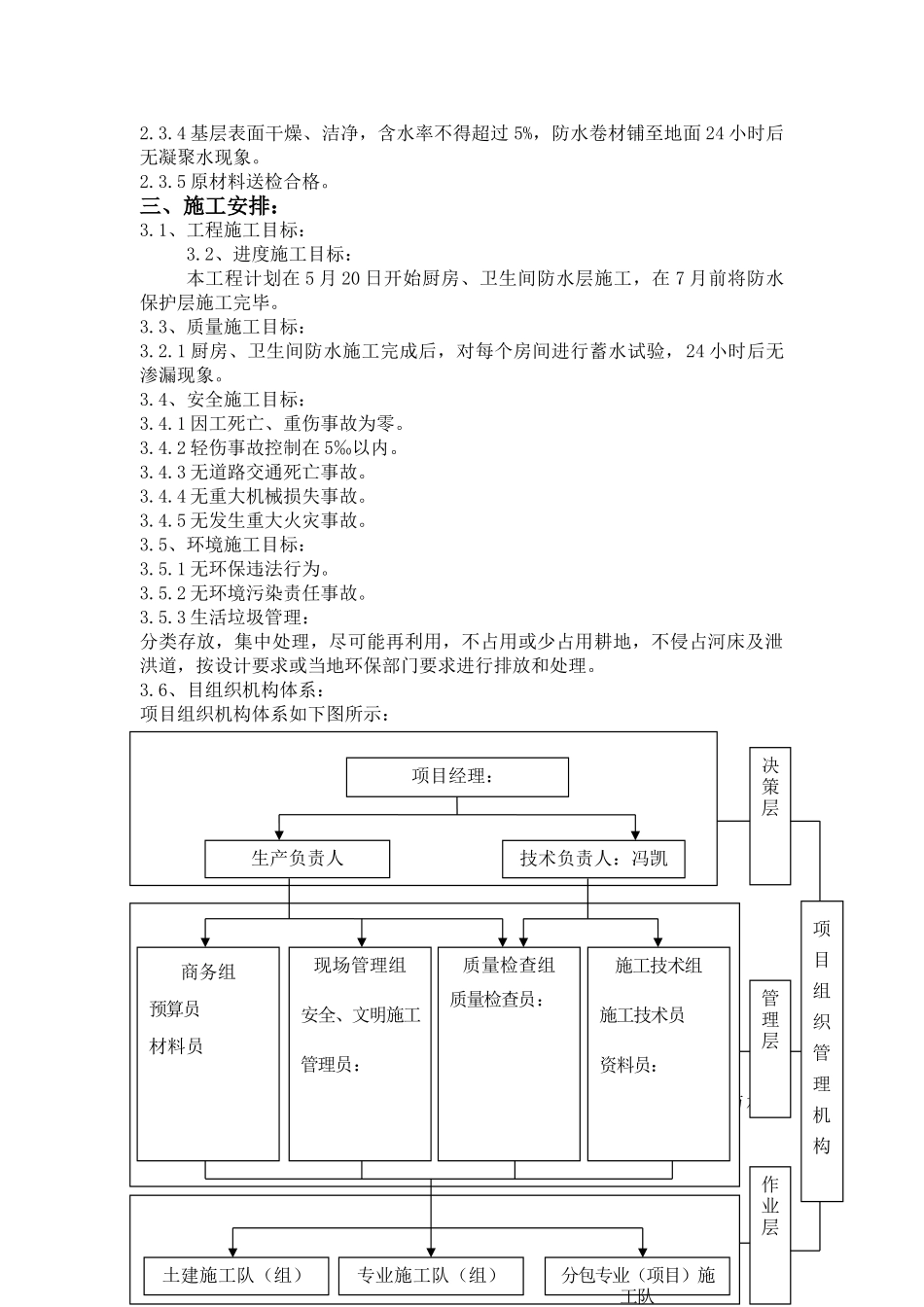
高层综合集资住宅楼卫生间防水工程施工方案编 制: 日 期:审 核: 日 期:审 批: 日 期:公司 2025 年 12 月 3 日卫生间防水工程施工方案一、编制依据:1.1、根据高层住宅楼建筑施工图、图纸会审及相关图集。1.2、《建筑工程施工质量验收统一标准》 GB50300-2001。二、工程概况:2.1、工程主要情况: 本工程由建设,位于本工程为一栋地下一层,地上二十八层的高层住宅楼,其结构类型为剪力墙结构;地下一层主要功能为储物间、泵房、配电室,地上一~二十八层主要功能为住宅区域;总建筑面积为 18891.04㎡,建筑总高度81.65m;2.2、设计简介:本工程 1-28 层厨房、卫生间需做防水,卫生间采纳二层复合丙纶防水卷材,四周卷起高 300mm,厨房为一层复合丙纶防水卷材。2.3、工程施工条件:2.3.1 水电已通至各个楼层。2.3.2 标高已抄测在每个房间的四周墙体上。2.3.3 结构层表面要求平整,凸凹不平或孔洞之处修补剔除完毕。2.3.4 基层表面干燥、洁净,含水率不得超过 5%,防水卷材铺至地面 24 小时后无凝聚水现象。2.3.5 原材料送检合格。三、施工安排:3.1、工程施工目标:3.2、进度施工目标:本工程计划在 5 月 20 日开始厨房、卫生间防水层施工,在 7 月前将防水保护层施工完毕。 3.3、质量施工目标:3.2.1 厨房、卫生间防水施工完成后,对每个房间进行蓄水试验,24 小时后无渗漏现象。3.4、安全施工目标:3.4.1 因工死亡、重伤事故为零。3.4.2 轻伤事故控制在 5‰以内。3.4.3 无道路交通死亡事故。3.4.4 无重大机械损失事故。3.4.5 无发生重大火灾事故。3.5、环境施工目标:3.5.1 无环保违法行为。3.5.2 无环境污染责任事故。3.5.3 生活垃圾管理:分类存放,集中处理,尽可能再利用,不占用或少占用耕地,不侵占河床及泄洪道,按设计要求或当地环保部门要求进行排放和处理。3.6、目组织机构体系:项目组织机构体系如下图所示:3.7、主要施工内容及其施工顺序:清理基层→细部附加层处理→第一层防水施工→第二层防水施工→防水保护层施工→养护→质量验收3.8、施工重点和难点的管理、技术措施:项目经理:生产负责人技术负责人:冯凯商务组预算员材料员现场管理组安全、文明施工管理员:质量检查组质量检查员:施工技术组施工技术员资料员:分包专业(项目)施工队土建施工队(组)专业施工队(组)决策层管理层作业层项目组织管理机构3.8.1 为保证阴阳角、管道周围、施工缝等薄弱部位提高防水抗...

1、当您付费下载文档后,您只拥有了使用权限,并不意味着购买了版权,文档只能用于自身使用,不得用于其他商业用途(如 [转卖]进行直接盈利或[编辑后售卖]进行间接盈利)。
2、本站所有内容均由合作方或网友上传,本站不对文档的完整性、权威性及其观点立场正确性做任何保证或承诺!文档内容仅供研究参考,付费前请自行鉴别。
3、如文档内容存在违规,或者侵犯商业秘密、侵犯著作权等,请点击“违规举报”。

碎片内容

卫生间防水施工方案

您可能关注的文档

确认删除?
VIP
微信客服
  • 扫码咨询
会员Q群
  • 会员专属群点击这里加入QQ群
客服邮箱
回到顶部