电脑桌面
添加小米粒文库到电脑桌面
安装后可以在桌面快捷访问

可行走式钢桁架移动操作平台

可行走式钢桁架移动操作平台_第1页
1/12
可行走式钢桁架移动操作平台_第2页
2/12
可行走式钢桁架移动操作平台_第3页
3/12
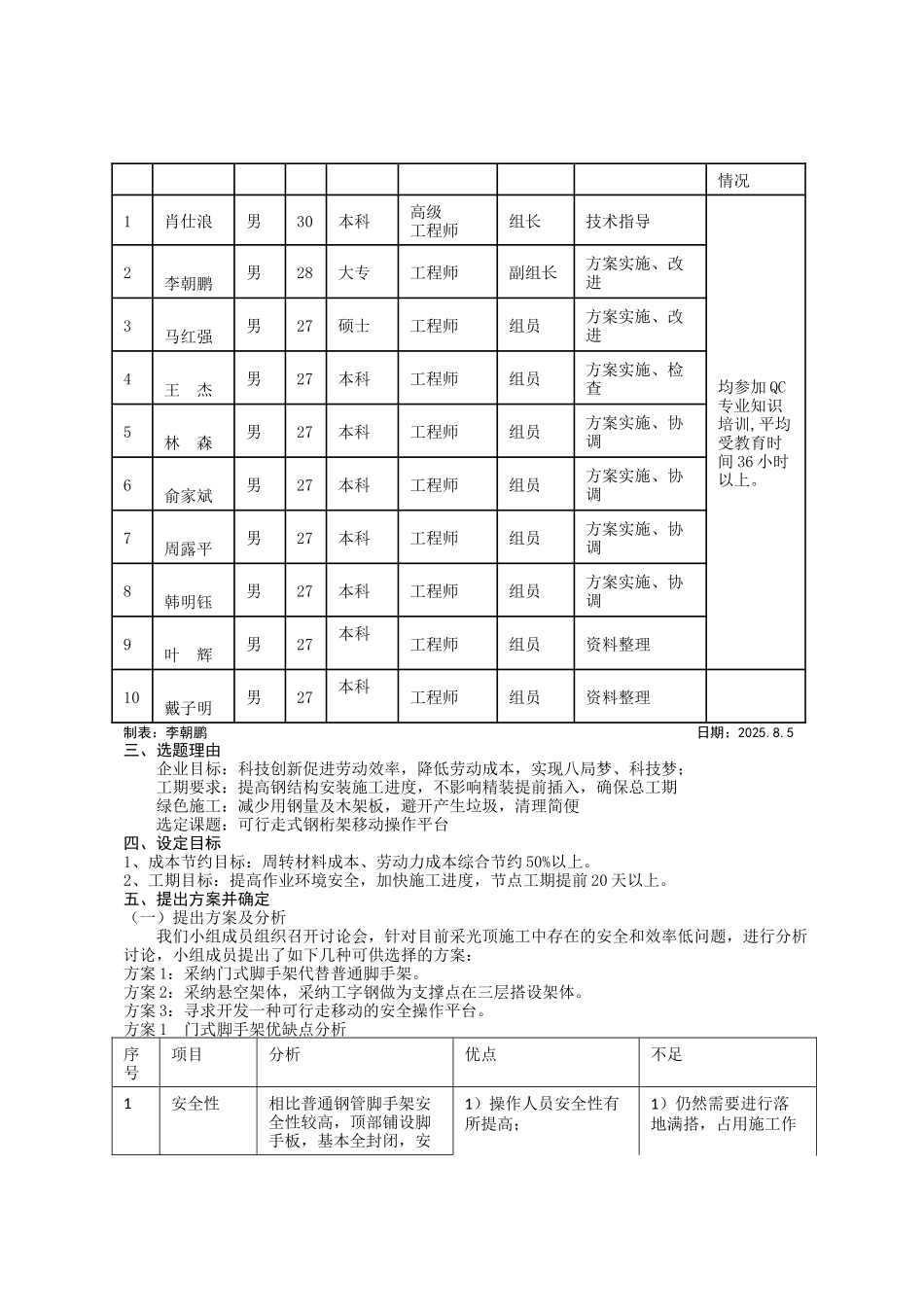
研发可行走式钢桁架移动操作平台 中建八局第四建设有限公司 —— 德州万达“筑梦人”QC 小组一、课题概况1.1 工程概况建设单位:德州万达广场投资有限公司总包单位:中建八局第四建设有限公司德州万达广场 D 区大商业购物中心位于德州市德城区湖滨南大道,总建筑面积约为 17 万平方米,建筑总高度为 17.45m(屋面女儿墙结构顶标高)。是一座及购物、餐饮、娱乐及电影院的综合性商业建筑。“U”字型的步行街将裙房划分为两部分,步行街上空为钢结构采光顶,采光顶区域共分为五个部分,分别由直径为 30.27m 圆形采光顶,轴长 A15.1m/B21.1m 的椭圆形采光顶,宽度分别为 12.194m、11.6m、10.8m 的 S 型采光顶组成.。图 1 德州万达广场购物中心 本工程为大型综合购物中心,室内安装工程、精装工程等分项工程较多,屋面能否及时形成封闭将直接影响室内工程的进度,而且万达工程竣工即开业,有大量小业主的精装已签订进场日期,整体工期十分紧张。 二、小组概况万达工程的工期业内有口皆碑,德州万达广场购物中心做为德州地区最大的商业中心备受瞩目,能否顺利开业影响较大。为此项目部对采光顶的工期节点及质量非常重视,为了解决施工进度及安全问题,提高施工的工效,本项目部成立技术攻关 QC 小组,小组成立后,展开了多次 QC课题攻关的群众质量管理活动。本次活动期限从 2025 年 8 月 15 日至 2025 年 5 月 10 日。小组情况详见小组成员概况表:表 1 小组成员概况表 课题名称研发可行走式钢桁架移动操作平台小组名称德州万达“筑梦人”QC 小组成立时间2025.3小组注册时间2025.3小组注册号CSCEC84-2025-036活动时间2025.8-2025.5课题注册时间2025.3课题注册号课题类型创新型小组格言 :中国梦、科技梦、八局梦成员情况及责任分工序号姓名性别年龄学历职 称组内分工职 责QC 知识教育、培训情况1肖仕浪男30本科高级工程师组长技术指导均参加 QC专业知识培训,平均受教育时间 36 小时以上。2李朝鹏男28大专工程师副组长方案实施、改进3马红强男27硕士工程师组员方案实施、改进4王 杰男27本科工程师组员方案实施、检查5林 森 男27本科工程师组员方案实施、协调6俞家斌 男27本科工程师组员方案实施、协调7周露平男27本科工程师组员方案实施、协调8韩明钰男27本科工程师组员方案实施、协调9叶 辉男27本科工程师组员资料整理10戴子明男27本科工程师组员资料整理制表:李朝鹏 日期:2025.8.5三、选题理...

1、当您付费下载文档后,您只拥有了使用权限,并不意味着购买了版权,文档只能用于自身使用,不得用于其他商业用途(如 [转卖]进行直接盈利或[编辑后售卖]进行间接盈利)。
2、本站所有内容均由合作方或网友上传,本站不对文档的完整性、权威性及其观点立场正确性做任何保证或承诺!文档内容仅供研究参考,付费前请自行鉴别。
3、如文档内容存在违规,或者侵犯商业秘密、侵犯著作权等,请点击“违规举报”。

碎片内容

可行走式钢桁架移动操作平台

您可能关注的文档

确认删除?
VIP
微信客服
  • 扫码咨询
会员Q群
  • 会员专属群点击这里加入QQ群
客服邮箱
回到顶部