电脑桌面
添加小米粒文库到电脑桌面
安装后可以在桌面快捷访问

启闭机安装江苏某甲级水利监理质量标准之六

启闭机安装江苏某甲级水利监理质量标准之六_第1页
1/11
启闭机安装江苏某甲级水利监理质量标准之六_第2页
2/11
启闭机安装江苏某甲级水利监理质量标准之六_第3页
3/11
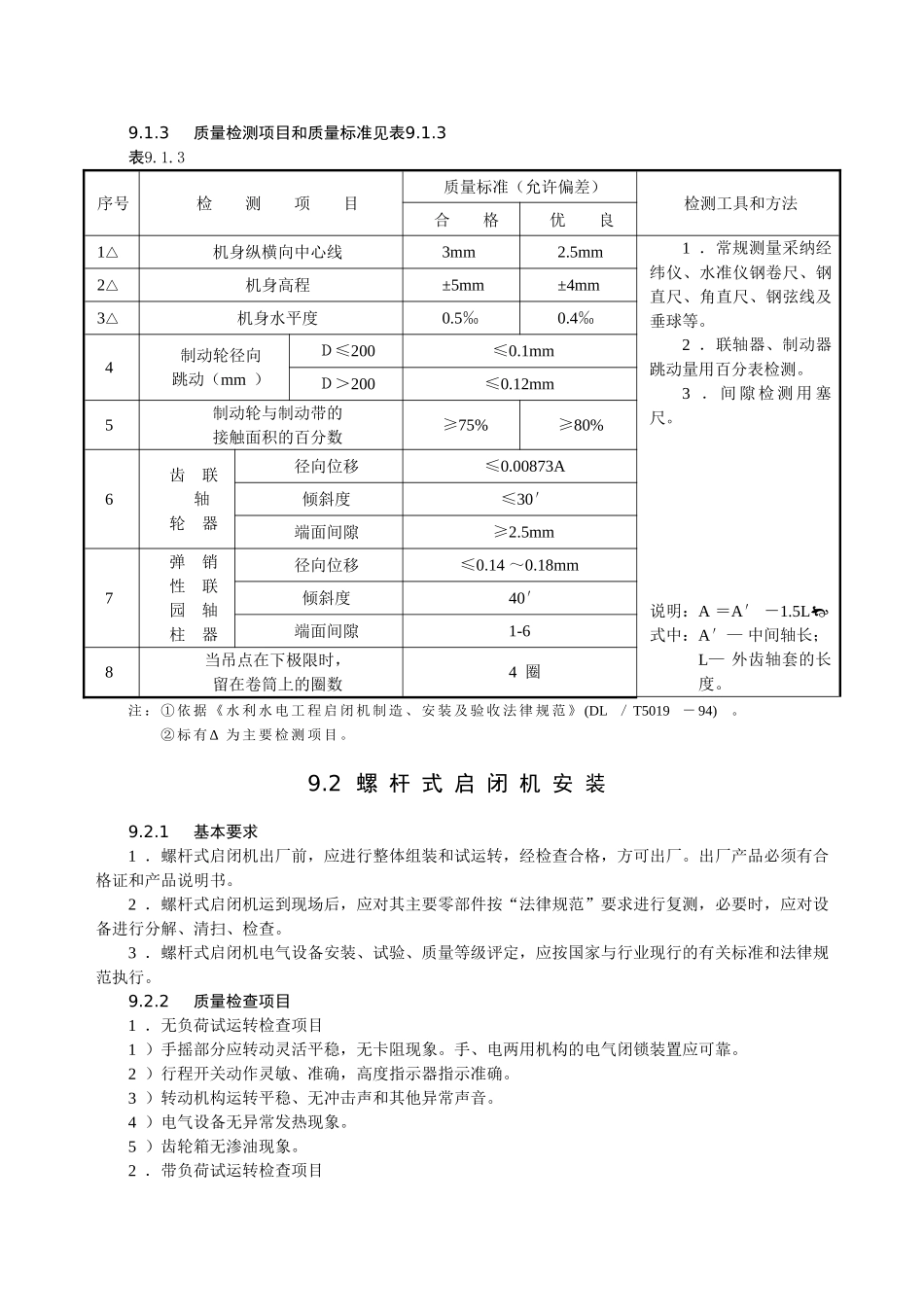
9 启 闭 机 安 装9.0.1 单元工程划分按每台套启闭机的安装为一个主要单元工程。9.1 固 定 卷 扬 式 启 闭 机 安 装9.1.1 基本要求1 .卷扬式启闭机出厂前,应进行整体组装和试运转,经检查合格,方可出厂。产品必须有合格证和产品说明书及生产许可证。2 .卷扬式启闭机运到现场后,应对开式齿轮的侧、顶间隙,齿轮啮合接触斑点百分值、轴瓦与轴颈间的顶、侧间隙等进行复测,其结果应符合法律规范要求。必要时,应对设备进行分解、清扫、检查。3 .卷扬式启闭机电气设备安装、试验、质量等级评定,应按国家和行业现行的有关标准和法律规范执行。4. 启闭机安装位置应与土建闸孔中心和门槽中心用同一基准线。9.1.2 质量检查项目1 .无负荷试运转检查项目:1 )电动机运转平稳,三相电流平衡,且不超过额定值。2 )电气设备无异常发热现象。3 )控制器接头无烧损现象。4 )限位开关动作准确可靠。5 )闸门高度指示器指示正确,主令装置动作准确可靠。6 )所有机械部件运转时,无冲击声和其他异常声音。7 )各构件连接件无裂纹、松动或损坏现象,减速箱无渗油。8 )运行时,制动闸瓦应全部离开制动轮,无任何摩擦。9 )钢丝绳在任何情况下,不与其他部件碰刮。定、动滑轮转动灵活,无卡阻。2 .带负荷试运转应符合下列要求:1 )如有条件按1.25 倍( 或设计要求值) 的额定负荷作静负荷试验,其负荷控制器动作应准确、可靠。2 )无水压和有水压全行程启闭试验,电气和机械部分运行正常,制动器动作平稳、可靠。3 )缠绕在卷筒上的钢丝绳长度,当吊点在下极限位置时,留在卷筒上的圈数一般不少于4 圈。当吊点在上极限位置时,钢丝绳不得缠绕到卷筒的光筒部分。3 .对快速固定卷扬式启闭机除满足以上各项外,还应满足下列各项目:1 )在主泵突然停机时应能立即自动下放。开机时能自动提升。2 )测试有水状态时启闭机提升和关闭闸门的速度是否满足设计要求。3 )快速下放闸门时,在启闭机电机侧,测量其振幅不得超过±0.10mm,噪音不得大于85分贝。4 )快速下放时,闸门不得冲击底板,钢丝绳不得松弛。9.1.3 质量检测项目和质量标准见表9.1.3表9.1.3序号检 测 项 目质量标准(允许偏差)检测工具和方法合 格优 良1△机身纵横向中心线3mm2.5mm1 .常规测量采纳经纬仪、水准仪钢卷尺、钢直尺、角直尺、钢弦线及垂球等。2 .联轴器、制动器跳动量用百分表检测。3 . 间 隙 检 测 用 塞尺。说明:A...

1、当您付费下载文档后,您只拥有了使用权限,并不意味着购买了版权,文档只能用于自身使用,不得用于其他商业用途(如 [转卖]进行直接盈利或[编辑后售卖]进行间接盈利)。
2、本站所有内容均由合作方或网友上传,本站不对文档的完整性、权威性及其观点立场正确性做任何保证或承诺!文档内容仅供研究参考,付费前请自行鉴别。
3、如文档内容存在违规,或者侵犯商业秘密、侵犯著作权等,请点击“违规举报”。

碎片内容

启闭机安装江苏某甲级水利监理质量标准之六

范哲铺+ 关注
实名认证
内容提供者

想你所想,急你所急,你需要的都在店铺里可以找到。

确认删除?
VIP
微信客服
  • 扫码咨询
会员Q群
  • 会员专属群点击这里加入QQ群
客服邮箱
回到顶部