电脑桌面
添加小米粒文库到电脑桌面
安装后可以在桌面快捷访问

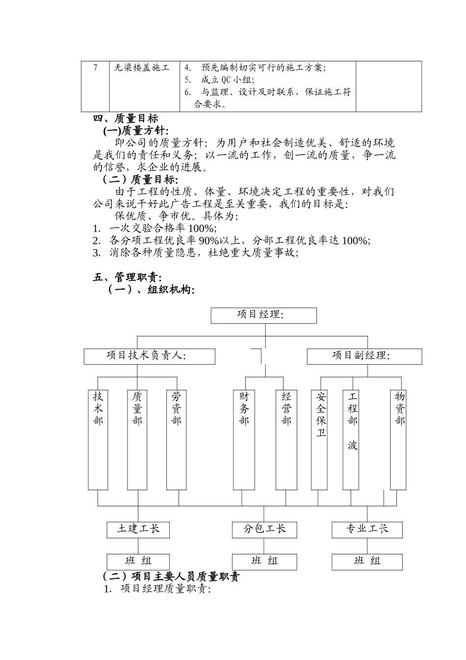
商业办公楼质量保证计划

商业办公楼质量保证计划_第1页
1/12
商业办公楼质量保证计划_第2页
2/12
商业办公楼质量保证计划_第3页
3/12
一、工程概况XX 大厦位于北京市二环以内,XXXX 大街南侧,东临XXXX 出版社,西为 XX 大楼。工程总建筑面积 44929.21 平方米,地下三层,地上局部十三层,檐高 45.4 米。地下深度为13.7 米。工程甲方为北京 XX 房地产有限公司。由 XXXXXX 建筑设计讨论院主持设计。 1.建筑概况本工程是集证券、展览、写字楼及高档公寓为一体的综合性建筑,其中一层、二层为证券用房,三层为文化展览用房及办公用房。沿朝内大街四~十层为写字楼,总高度为 36.6 米。东、西、南三侧四~十三层为高档公寓,总高度为 45.0 米,建筑总占地面积约为 6600 平方米。地下一层为职工食堂和娱乐用房,地下二层为汽车库,地下三层为设备用房及游泳和桑拿等。工程±0.000 相当于绝对标高 44.75 米。工程属一类建筑,耐火等级为一级。内部共设客梯七部,小货梯一部。外墙采纳 300 厚陶粒空心砖保温墙和 200 厚钢筋混凝土外墙,加 20 厚空气层,外挂 60 厚增强水泥聚苯复合保温板。屋面采纳 150 厚憎水珍珠岩保温板,夹层楼板顶贴 50 厚岩棉保温板。 地下室、楼层及屋面防水采纳聚胺脂防水涂膜。写字楼楼、地面等用嵌钢条现制磨石,墙面喷多彩涂料,矿棉板吊顶。公寓地面为磨石及地砖,墙面彩喷,顶棚为底板抹灰。证券大厅地面为花岗岩,墙面贴仿大理石面砖,顶棚为矿棉板吊顶。2.结构概况:本工程为现浇混凝土框架—剪力墙结构,框支柱及落地剪力墙抗震等级为一级,其余为二级。整个建筑为中空外实,呈回字形,属较方正结构形式。 (1)基础采纳箱基,基地标高—13.7 米,底板厚 700mm,墙厚 200~400 不等。基础混凝土局部采纳 S8 抗渗混凝土。主体南侧有一跟主体地下二层相通的汽车坡道,待主体结构完工后进行施工。 (2)工程整体一~三层,北侧局部九层为框架结构,其余三面为剪力墙结构,三、四层之间为转换层。 (3)墙体、楼板钢筋主要采纳绑扎,梁、柱钢筋采纳焊接连接或机械连接。(4)混凝土强度等级:垫层为 C10,基础底板、外墙、配电室侧墙采纳防水混凝土,抗渗等级为 S8。剪力墙混凝土强度等级:箱形基础、地下一~地上八层为 C40,九层以上为 C30;独立框架柱混凝土强度等级:箱形基础、地下一~地上三层为C60,夹层、四五层为 C50,六七八层为 C40,九层以上为C30;梁、板混凝土强度等级均为 C30。二、工程特点 1.该工程属于高层建筑,结构为全现浇框架剪力墙结构,施工难度较大;2.施工现场狭小,现场不能设置...

1、当您付费下载文档后,您只拥有了使用权限,并不意味着购买了版权,文档只能用于自身使用,不得用于其他商业用途(如 [转卖]进行直接盈利或[编辑后售卖]进行间接盈利)。
2、本站所有内容均由合作方或网友上传,本站不对文档的完整性、权威性及其观点立场正确性做任何保证或承诺!文档内容仅供研究参考,付费前请自行鉴别。
3、如文档内容存在违规,或者侵犯商业秘密、侵犯著作权等,请点击“违规举报”。

碎片内容

商业办公楼质量保证计划

您可能关注的文档

确认删除?
VIP
微信客服
  • 扫码咨询
会员Q群
  • 会员专属群点击这里加入QQ群
客服邮箱
回到顶部