电脑桌面
添加小米粒文库到电脑桌面
安装后可以在桌面快捷访问

国投外用电梯施工方案

国投外用电梯施工方案_第1页
1/5
国投外用电梯施工方案_第2页
2/5
国投外用电梯施工方案_第3页
3/5
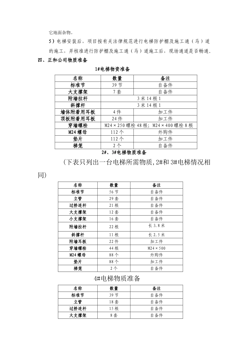
正和技字 2025-DT国际投资大厦工程外用电梯安装施工方案编 制:审 核:审 批:项目确认:编制日期:2025.6.19 一、编制说明 为满足结构装修施工需要,项目拟在现场安装 7 台外用电梯,这 7 台电梯的编号分别为 1#-7#。为法律规范施工,特编制此方案。外用电梯型号分别为:1#、6#瑞典电梯,2#、3#、4#、7#江汉电梯,5#宝达电梯,方案编制参考了《瑞典施工升降机操作手册》、《江汉施工升降机操作手册》、《宝达施工升降机操作手册》。方案中所需有关现场尺寸、数据由项目经理部提供。二、外用施工电梯的现场定位经项目确定,电梯定位参见图1系列:电梯钻孔定位详图。三、项目现场准备工作1)地基要求电梯对地基的要求:电梯基础地基承载力不低于 10 吨/平方米。项目必须对电梯安放处进行钎探和地基承载力试验,以确保该处没有洞穴、管道、墓穴等不实结构,并达到地基承载力要求。2)基础制作: 项目根据图 1 对外用施工电梯准确定位后,按 图 2:电梯基础图进行电梯基础施工,混凝土标号为 C30。当混凝土强度达到70%以上时,项目通知一局进展质量安全保证部对电梯基础进行验收,验收合格后方能安装外用电梯。3) 电力:电梯需电容量 40KVA 电源应提前配好,电箱距电梯小于 5 米。4)现场清点 :项目需提供比较干净、开阔的安装现场,清理走附近设施、模板和其北 京 中 建 正 和 建 筑机 械 施 工 有 限 公 司它地面杂物。5)电梯安装后,项目按有关法律规范进行电梯防护棚及施工通(马)道的施工,并核准进行防护棚及施工通(马)道施工后,现场通道是否畅通。四、正和公司物质准备 1#电梯物资准备名称数量备注标准节39 节自备件大支撑架7 套自备件附墙拉杆3 米 14 根 1斜撑杆3 米 14 根 1墙体附着用耳板4 件加工件顶板附着用耳板24 件加工件穿墙螺栓M24×250 螺栓 48 根;M24×400 螺栓 8 根M24 螺母112 个外购件垫片112 个加工件梯笼2 个自备件2#、3#电梯物质准备(下表只列出一台电梯所需物质,2#和 3#电梯情况相同)名称数量备注标准节56 节自备件立管29 套自备件过桥连杆21 根自备件大支撑架12 套自备件小支撑架16 套自备件附墙拉杆22 根长 3.8 米斜撑杆11 根长 2.5 米附墙耳板22 件加工件穿墙螺栓44 根M24×500M24 螺母88 个外购件垫片88 个加工件梯笼2 个自备件4#电梯物质准备名称数量备注标准节39 节自备件立管18 套自备件过桥连杆15 根自备件大支撑架8 套...

1、当您付费下载文档后,您只拥有了使用权限,并不意味着购买了版权,文档只能用于自身使用,不得用于其他商业用途(如 [转卖]进行直接盈利或[编辑后售卖]进行间接盈利)。
2、本站所有内容均由合作方或网友上传,本站不对文档的完整性、权威性及其观点立场正确性做任何保证或承诺!文档内容仅供研究参考,付费前请自行鉴别。
3、如文档内容存在违规,或者侵犯商业秘密、侵犯著作权等,请点击“违规举报”。

碎片内容

国投外用电梯施工方案

不二商店+ 关注
实名认证
内容提供者

我是你的不二选择

确认删除?
VIP
微信客服
  • 扫码咨询
会员Q群
  • 会员专属群点击这里加入QQ群
客服邮箱
回到顶部