电脑桌面
添加小米粒文库到电脑桌面
安装后可以在桌面快捷访问

地下工程防水施工质量要求及检验标准

地下工程防水施工质量要求及检验标准_第1页
1/10
地下工程防水施工质量要求及检验标准_第2页
2/10
地下工程防水施工质量要求及检验标准_第3页
3/10
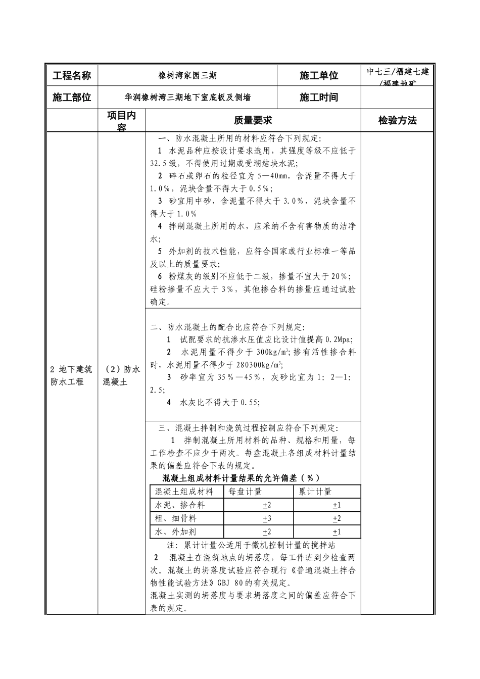
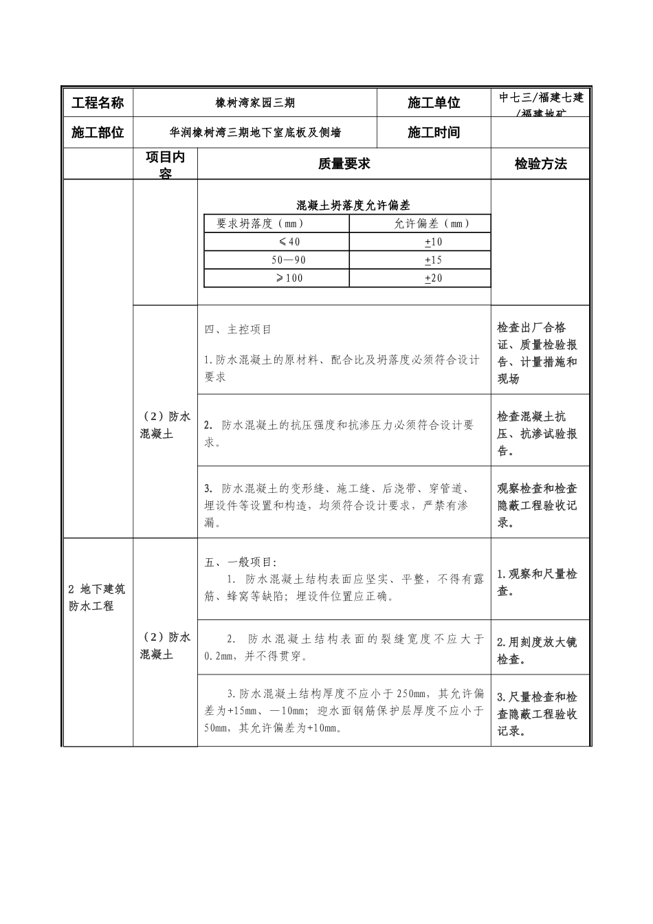
地下工程防水施工质量要求及检验标准 编号∶工程名称橡树湾家园三期施工单位中七三/福建七建/福建地矿施工部位华润橡树湾三期地下室底板及侧墙施工时间项目内容质量要求检验方法1 基本规定(1)地下工程防水等级标准地下工程防水等级标准防 水 等级标 准1 级不允许渗水,结构表面无湿渍2 级不允许漏水,结构表面可有少量湿渍工业与民用建筑:湿渍总面积不大于总防水面积的 1%,单个湿渍面积不大于 0.1m2,任意 100 m2防水面积不超过一处其他地下工程:湿渍总面积不大于防水面积的 6%,单个湿渍面积不大于 0.2 m2,任意100 m2防水面积不超过 4 处 3 级有少量漏水点,不得有线流和漏泥砂单个湿渍面积不大于 0.3 m2,单个漏水点的漏水量不大于 2.5L/d,任意 100 m2防水面积不超过 7 处4 级有漏水点,不得有线流和漏泥砂整个工程平均漏水量不大于 2L/ m2.d,任意100 m2 防水面积的平均漏水量不大于 4L/ m2.d工程名称橡树湾家园三期施工单位中七三/福建七建/福建地矿施工部位华润橡树湾三期地下室底板及侧墙施工时间项目内容质量要求检验方法2 地下建筑防水工程(2)防水混凝土一、防水混凝土所用的材料应符合下列规定:1 水泥品种应按设计要求选用,其强度等级不应低于32.5 级,不得使用过期或受潮结块水泥;2 碎石或卵石的粒径宜为 5—40mm,含泥量不得大于1.0%,泥块含量不得大于 0.5%;3 砂宜用中砂,含泥量不得大于 3.0%,泥块含量不得大于 1.0%4 拌制混凝土所用的水,应采纳不含有害物质的洁净水;5 外加剂的技术性能,应符合国家或行业标准一等品及以上的质量要求;6 粉煤灰的级别不应低于二级,掺量不宜大于 20%;硅粉掺量不应大于 3%,其他掺合料的掺量应通过试验确定。二、防水混凝土的配合比应符合下列规定:1 试配要求的抗渗水压值应比设计值提高 0.2Mpa;2 水泥用量不得少于 300kg/m3;掺有活性掺合料时,水泥用量不得少于 280300kg/m3;3 砂率宜为 35%—45%,灰砂比宜为 1:2—1:2.5;4 水灰比不得大于 0.55;三、混凝土拌制和浇筑过程控制应符合下列规定: 1 拌制混凝土所用材料的品种、规格和用量,每工作检查不应少于两次。每盘混凝土各组成材料计量结果的偏差应符合下表的规定。 混凝土组成材料计量结果的允许偏差(%)混凝土组成材料每盘计量累计计量水泥、掺合料+2+1粗、细骨料+3+2水、外加剂+2+1注:累计计量公适用于微机控制计量的搅拌站 2 混凝土在浇筑...

1、当您付费下载文档后,您只拥有了使用权限,并不意味着购买了版权,文档只能用于自身使用,不得用于其他商业用途(如 [转卖]进行直接盈利或[编辑后售卖]进行间接盈利)。
2、本站所有内容均由合作方或网友上传,本站不对文档的完整性、权威性及其观点立场正确性做任何保证或承诺!文档内容仅供研究参考,付费前请自行鉴别。
3、如文档内容存在违规,或者侵犯商业秘密、侵犯著作权等,请点击“违规举报”。

碎片内容

地下工程防水施工质量要求及检验标准

您可能关注的文档

确认删除?
VIP
微信客服
  • 扫码咨询
会员Q群
  • 会员专属群点击这里加入QQ群
客服邮箱
回到顶部