电脑桌面
添加小米粒文库到电脑桌面
安装后可以在桌面快捷访问

地铁土方大开挖专项施工方案

地铁土方大开挖专项施工方案_第1页
1/12
地铁土方大开挖专项施工方案_第2页
2/12
地铁土方大开挖专项施工方案_第3页
3/12
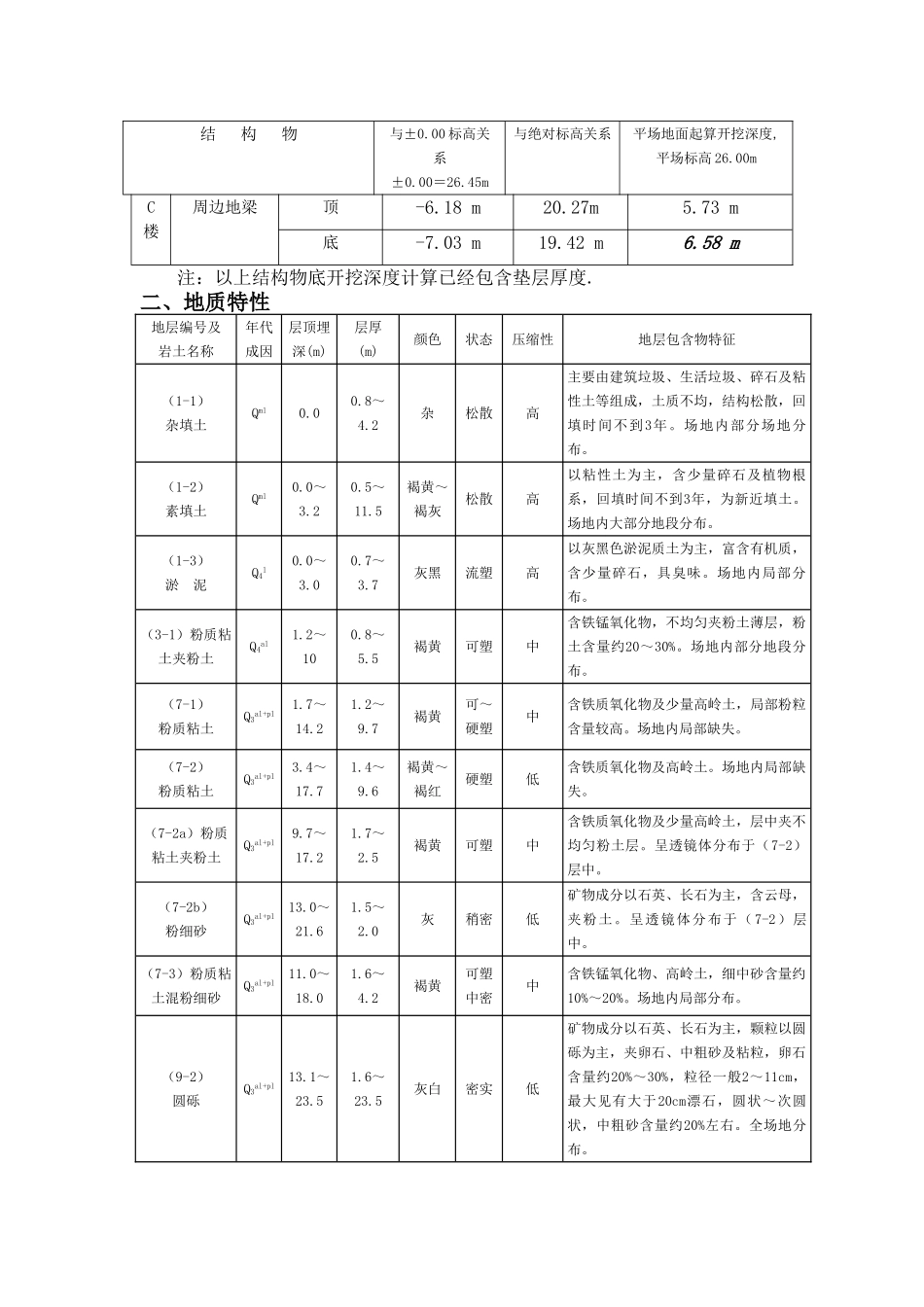
第一章 编 制 依 据1、根据武汉 有限公司提供的设计图纸和施工现场环境现状编制。2、工程地质勘察报告。3、国家和地方有关部门的现行政策、法规、法令和本企业内部规章制度。4、湖北省颁发的有关施工工程质量、安全生产和文明施工文件5、《建筑机械使用安全技术规程》6、《湖北省建筑基坑工程技术规程》第二章 工 程 概 况一、工程概况 武汉市轨道交通 AA 号线一期工程线网管理服务中心工程,位于武汉市规划铁机路与中北路延长线交叉路口的西南侧;毗邻 AA号线铁机路站。占地面积 2.7 公顷。场内主要拟建 1 栋指挥控制中心大楼(A 座 11/2 层,裙房 4/2)、1 栋综合办公科研楼(B 座 19/2层)及 1 栋餐厅和档案馆(C 楼 4/1 层)。A、B 楼外侧设二层地下车库与 A、B 楼地下室相连,组成一个统一的整体;总建筑面积65215 平方米。本工程为现浇混凝土框架及框剪结构体系,基础形式为桩基础。抗震等级 AB 座为三级,C 座为四级。该项目地下室基坑开挖深度与设计±0.00、绝对标高、平场地面标高的相互关系对比详见下表 1。 表 1结 构 物与±0.00 标高关系±0.00=28.20m与绝对标高关系平场地面起算开挖深度,平场标高 26.00mAB楼主楼部分大承台承台顶-9.6 m18.60 m7.4m承台底-11.7 m16.50 m9.5m小承台周边地梁顶-9.6 m18.60 m7.4m周边地梁底-10.5m17.70m8.3 m纯地下室部分周边承台顶-9.6 m18.60 m7.4m底-11.1m17.10m8.9m结 构 物与±0.00 标高关系±0.00=26.45m与绝对标高关系平场地面起算开挖深度,平场标高 26.00mC楼周边地梁顶-6.18 m20.27m5.73 m底-7.03 m19.42 m6.58 m注:以上结构物底开挖深度计算已经包含垫层厚度.二、地质特性地层编号及岩土名称年代成因层顶埋深(m)层厚 (m)颜色状态压缩性地层包含物特征(1-1)杂填土Qml0.00.8~4.2杂松散高主要由建筑垃圾、生活垃圾、碎石及粘性土等组成,土质不均,结构松散,回填时间不到3年。场地内部分场地分布。(1-2)素填土Qml0.0~3.20.5~11.5褐黄~褐灰松散高以粘性土为主,含少量碎石及植物根系,回填时间不到3年,为新近填土。场地内大部分地段分布。(1-3)淤 泥Q4l0.0~3.00.7~3.7灰黑流塑高以灰黑色淤泥质土为主,富含有机质,含少量碎石,具臭味。场地内局部分布。(3-1)粉质粘土夹粉土Q4al1.2~100.8~5.5褐黄可塑中含铁锰氧化物,不均匀夹粉土薄层,粉土含量约20~30%。场地内部分地段分布。(7-1)粉质粘土Q3al+pl1.7...

1、当您付费下载文档后,您只拥有了使用权限,并不意味着购买了版权,文档只能用于自身使用,不得用于其他商业用途(如 [转卖]进行直接盈利或[编辑后售卖]进行间接盈利)。
2、本站所有内容均由合作方或网友上传,本站不对文档的完整性、权威性及其观点立场正确性做任何保证或承诺!文档内容仅供研究参考,付费前请自行鉴别。
3、如文档内容存在违规,或者侵犯商业秘密、侵犯著作权等,请点击“违规举报”。

碎片内容

地铁土方大开挖专项施工方案

您可能关注的文档

确认删除?
VIP
微信客服
  • 扫码咨询
会员Q群
  • 会员专属群点击这里加入QQ群
客服邮箱
回到顶部