电脑桌面
添加小米粒文库到电脑桌面
安装后可以在桌面快捷访问

地铁深基坑围护结构地下连续墙验收技术总结

地铁深基坑围护结构地下连续墙验收技术总结_第1页
1/12
地铁深基坑围护结构地下连续墙验收技术总结_第2页
2/12
地铁深基坑围护结构地下连续墙验收技术总结_第3页
3/12
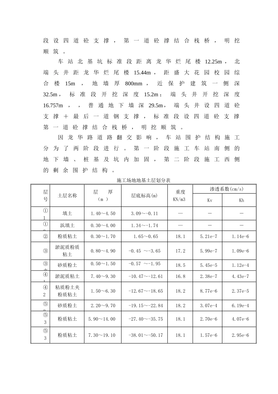
xx 轨道交通 11 号线北段(二期)GT-2 标段土建工程xx 隧道工程股份有限公司轨道交通 11 号线北段(二期)GT-2 标段项目经理部2025 年 03 月一、工程概况及验收范围(一)工程参建单位建设单位:xx 轨道交通申嘉线进展有限公司工程监理:xx 浦桥工程建设监理有限公司工程设计:xx 市隧道工程轨道交通设计讨论院勘察单位:xx 岩土工程勘察设计讨论院有限公司施工单位:xx 隧道工程股份有限公司(二)工程概述xx 轨 道 交 通 11 号 线 龙 华 站 主 要 工 程 内 容 包 括包括两车站(11号线龙华站、12号线龙华站),还包括两站的换乘通道、11号线东附属结构、11号线西附属结构。12 号 线 龙 华 站 主 体 车 站 和 附 属 结 构 结 合 为 一个 大 坑 同 步 施 工 , 考 虑 到 盾 构 始 发 的 要 求 , 分为 南 段 基 坑 和 北 段 基 坑 。12 号 线 南 段 基 坑 是 龙华 站 至 龙 漕 路 站 区 间 的 始 发 井 , 先 开 挖 。 北 段基 坑 是 浦 江 南 浦 站 至 龙 华 站 区 间 的 接 受 井 , 等南 段 基 坑 底 板 达 到 设 计 强 度 后 再 开 挖 。车站南基坑南端头井靠近龙华寺弥勒殿57.4m, 距 龙 华 塔 81.4m, 距 龙 华 迎 宾 馆 最 近 15.3m, 南基 坑 外 包 尺 寸 最 大 为 长63m× 宽 71m, 为 地 下 二 层结 构 , 地 下 墙 厚 800mm 、 端 头 井 深 32.5m, 开 挖 深 度17.081m。 标 准 段 地 墙 厚 800mm , 靠 近 龙 华 寺 一 侧 地下 墙 深 32.5m, 东 侧 地 下 墙 深 29.5m, 开 挖 深 度 15.2m。端 头 井 设 四 道 砼 支 撑 + 最 后 一 道 钢 支 撑 , 标 准段 设 四 道 砼 支 撑 , 第 一 道 砼 撑 结 合 栈 桥 , 明 挖顺 筑 。车 站 北 基 坑 标 准 段 距 离 龙 华 烂 尾 楼 12.25m , 北端 头 井 距 龙 华 烂 尾 楼15.44m , 距 盛 大 花 园 校 园 综合楼15m,地墙厚800mm ,近保护建筑一侧深32.5m ,标准段开挖深度15.2m ;端头井开挖深度16.757m, , 普 通 地 下 墙 深29.5m, 端 头 井 设 四 道 砼支 撑 + 最 后 一 道 钢 支 撑 , 标 准 段 设 四 道 砼 支 撑第 一 道...

1、当您付费下载文档后,您只拥有了使用权限,并不意味着购买了版权,文档只能用于自身使用,不得用于其他商业用途(如 [转卖]进行直接盈利或[编辑后售卖]进行间接盈利)。
2、本站所有内容均由合作方或网友上传,本站不对文档的完整性、权威性及其观点立场正确性做任何保证或承诺!文档内容仅供研究参考,付费前请自行鉴别。
3、如文档内容存在违规,或者侵犯商业秘密、侵犯著作权等,请点击“违规举报”。

碎片内容

地铁深基坑围护结构地下连续墙验收技术总结

领读文化+ 关注
实名认证
内容提供者

传播文化,铸就未来

确认删除?
VIP
微信客服
  • 扫码咨询
会员Q群
  • 会员专属群点击这里加入QQ群
客服邮箱
回到顶部