电脑桌面
添加小米粒文库到电脑桌面
安装后可以在桌面快捷访问

城市轨道交通试验线工程项目监理月报

城市轨道交通试验线工程项目监理月报_第1页
1/8
城市轨道交通试验线工程项目监理月报_第2页
2/8
城市轨道交通试验线工程项目监理月报_第3页
3/8
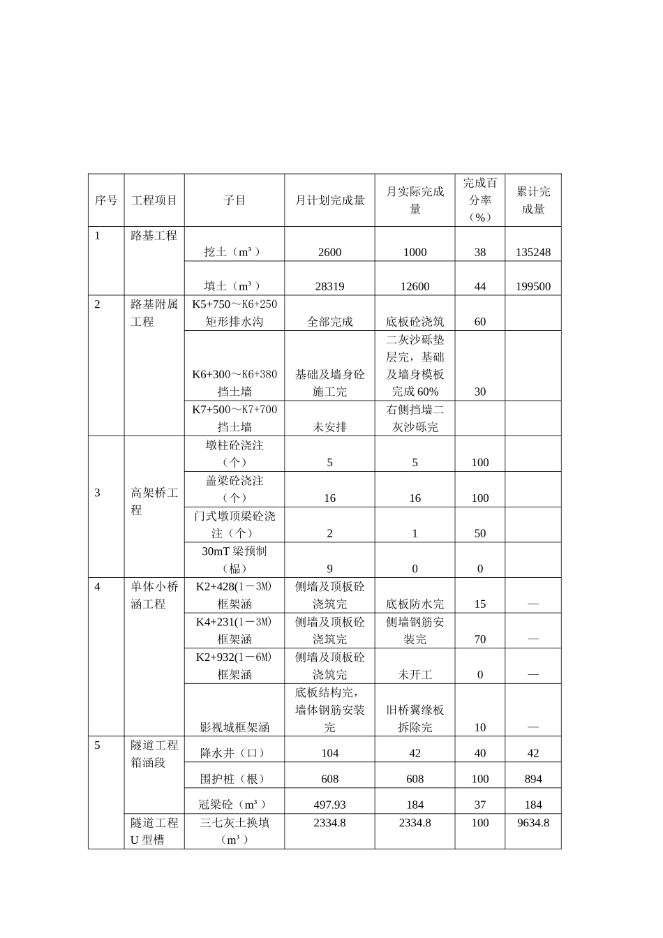
监 理 月 报 2025 年 11 月份一、施工概况1、高架桥工程本月累计完成 5 个墩柱砼浇筑、16 个盖梁砼浇筑。累计完成 27 个承台砼浇注,26 个墩柱和 1 个桥台砼浇注,22个盖梁砼浇注。2、隧道工程 本月完成三七灰土换填 2335m³,砼垫层浇注 11 段,底板钢筋安装 12 段,底板混凝土浇筑 6 段,侧墙钢筋安装 4 段,侧墙混凝土浇筑 2 段,底板防水 19 段,围护桩 608 根,降水井 42 口,冠梁顶土方开挖 18000m³。目前围护桩已全部打完,冠梁砼全部浇筑完成,冠梁以上土方已全部挖完,正进行 U 型槽结构施工和箱涵区段的冠梁以下土方开挖及其围护结构施工。3、小桥涵工程 影视桥旧桥翼缘板拆除完毕,其他工程项目未进行。K2+428 框架桥底板防水层施工完。K4+231 框架桥侧墙钢筋安装完。K5+320 圆管涵管节间防水施工完。K8+571 圆管涵结构施工完。4、路基及其附属工程工程路 基 本 月 挖 土 1000m³ , 累 计 挖 土 135248m³ , 本 月 填 土12600m³,累计填土 199500m³。其中 5556 m 已达到设计标高,占总长的 76%,其他路段正在施工。K6+300~K6+380 挡土墙基底处理完,正在安装基础模板。K7+500~K7+700 右侧挡土墙基底处理完。K5+750~K6+250 矩形排水沟底板砼浇筑完。二、工程进度(一)、进度概述本月进行的是高架桥墩柱和盖梁砼浇筑,路基土方和挡墙、排水沟施工;隧道基底处理、底板防水和钢筋砼施工、侧墙钢筋安装和砼浇筑、围护结构施工、降水、挖土;影视城桥旧桥翼缘板拆除;部分小桥涵结构施工。(二)、进度计划完成情况与 11 月份计划相比见下表:序号工程项目子目月计划完成量月实际完成量完成百分率(%)累计完成量1路基工程挖土(m³)2600100038135248填土(m³)2831912600441995002路基附属工程K5+750~K6+250矩形排水沟全部完成底板砼浇筑60K6+300~K6+380挡土墙基础及墙身砼施工完二灰沙砾垫层完,基础及墙身模板完成 60%30K7+500~K7+700挡土墙未安排右侧挡墙二灰沙砾完3高架桥工程墩柱砼浇注(个)55100盖梁砼浇注(个)1616100门式墩顶梁砼浇注(个)215030mT 梁预制(榀)9004单体小桥涵工程K2+428(1-3M)框架涵侧墙及顶板砼浇筑完底板防水完15—K4+231(1-3M)框架涵侧墙及顶板砼浇筑完侧墙钢筋安装完70—K2+932(1-6M)框架涵侧墙及顶板砼浇筑完未开工0—影视城框架涵底板结构完,墙体钢筋安装完旧桥翼缘板拆除完10—5隧道工程箱涵段降水井(口)10...

1、当您付费下载文档后,您只拥有了使用权限,并不意味着购买了版权,文档只能用于自身使用,不得用于其他商业用途(如 [转卖]进行直接盈利或[编辑后售卖]进行间接盈利)。
2、本站所有内容均由合作方或网友上传,本站不对文档的完整性、权威性及其观点立场正确性做任何保证或承诺!文档内容仅供研究参考,付费前请自行鉴别。
3、如文档内容存在违规,或者侵犯商业秘密、侵犯著作权等,请点击“违规举报”。

碎片内容

城市轨道交通试验线工程项目监理月报

文森传品+ 关注
实名认证
内容提供者

一家传播文化教育的小店,资料丰富,随意挑选。

确认删除?
VIP
微信客服
  • 扫码咨询
会员Q群
  • 会员专属群点击这里加入QQ群
客服邮箱
回到顶部