电脑桌面
添加小米粒文库到电脑桌面
安装后可以在桌面快捷访问

外墙外保温施工技术交底

外墙外保温施工技术交底_第1页
1/12
外墙外保温施工技术交底_第2页
2/12
外墙外保温施工技术交底_第3页
3/12
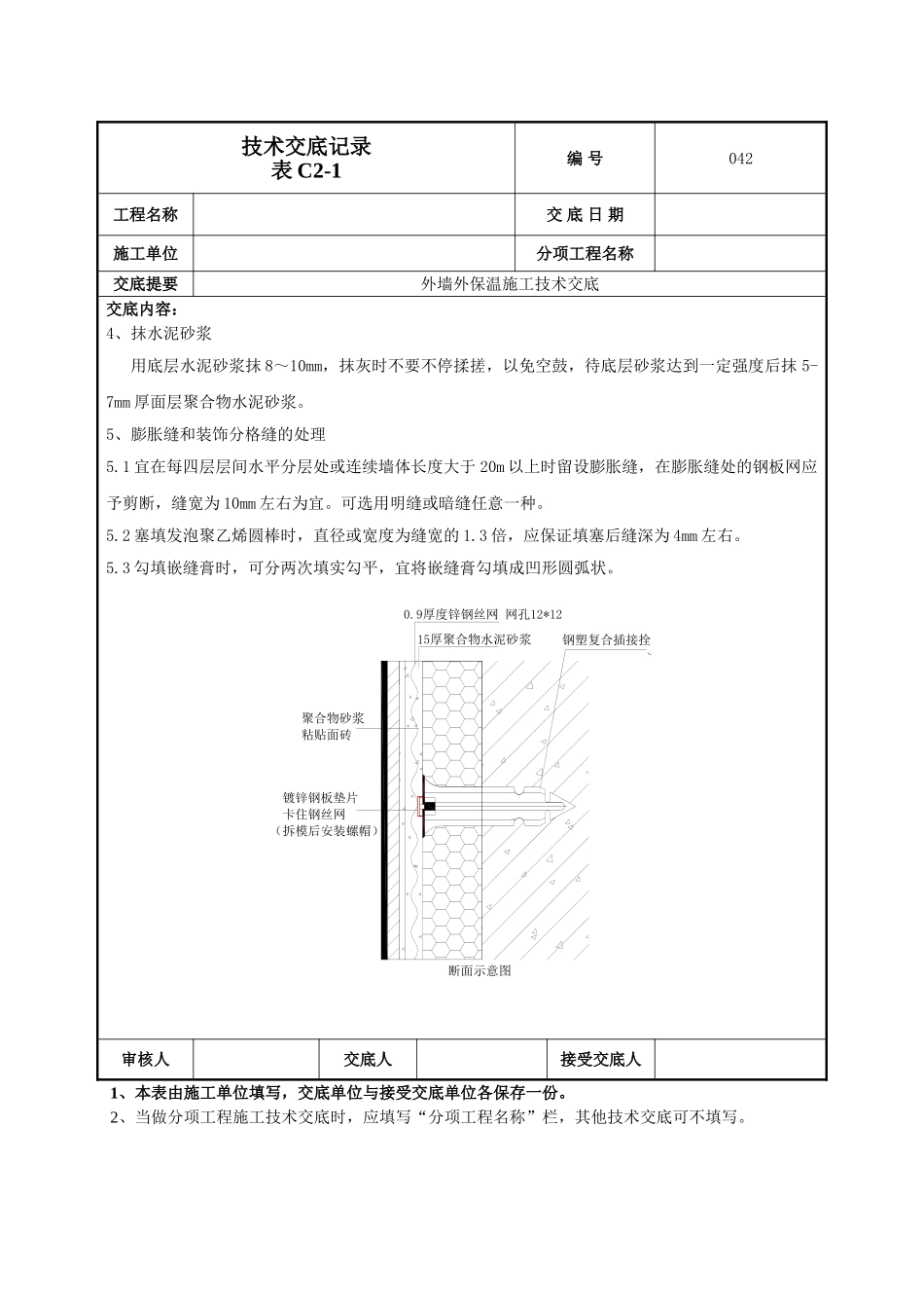
技术交底记录表 C2-1编 号042工程名称交 底 日 期施工单位分项工程名称交底提要外墙外保温施工技术交底交底内容: 一、材料要求1、保温板要求:保温板为自熄型模塑(发泡)挤塑泡沫塑料板,厚度为 100、50、200mm,保温板容重 30Kg/m3。外保温板进场验收,经项目技术、质检、甲方、监理同意后方可使用。保温板性能指标须符合表 1 的要求,保温板双面喷界面剂。 自熄型模塑聚苯板性能指标 表 1项 目指 标项 目指 标表观密度(KG/M3)≥18弯曲变形(㎜)≥20压缩强度(KPa)≥100吸水率%(V/V)≤4导热系数(W/M·K)≤0.041氧指数%≥30断裂弯曲负荷(N)≥5拉伸强度 MPa≥0.1水蒸汽透湿系数(MG/Pa·M·S)≤4.5尺寸稳定性(%)0.2~0.32、玻化网格布:140 克每平米、网孔 4×4mm。3、聚合物砂浆:性能指标须符合下表的要求。聚合物砂浆性能指标序号检 验 项 目单 位指 标1可操作时间h≥22抗裂性—24h 无裂纹3强度绝干抗折强度MPa≥2.0绝干抗压强度MPa≥4.0剪切粘结强度MPa≥0.4二、主要工具密齿手锯、抹子、靠尺、墨斗、钢卷尺、电动搅拌机、铅笔、阴阳角抿子、垂线、电烙铁、开槽器、角磨机、电锤、壁纸刀、剪刀、螺丝刀、钢丝刷、腻子刀等。二、作业条件1、外保温板放样:依据施工图纸,由厂家根据技术要求进行拼板放样,厂家根据放样图分区进行加审核人交底人接受交底人1、本表由施工单位填写,交底单位与接受交底单位各保存一份。2、当做分项工程施工技术交底时,应填写“分项工程名称”栏,其他技术交底可不填写。技术交底记录表 C2-1编 号042工程名称交 底 日 期施工单位分项工程名称交底提要外墙外保温施工技术交底交底内容: 工,分批进货,施工过程中,按放样图进行现场安装。2、清除外墙砖面的灰尘,墙砖有空鼓及脱落的部位要进行基层处理,剔除面砖水泥砂浆找平。3、原有外墙涂料部位,铲除涂料及基层防水腻子。墙面凹凸的部位要水泥砂浆找平。四、施工工艺1、保温板清理、补强处理1.1 保温板面层初步清理,用扫帚清理保温板面层浮尘,对大面积较厚淤浆的清理应以尖头钢筋钩向外拉开,不得用重物将其击碎或铲除。1.2 局部加固补强,在边角或洞口部位,对胀栓漏装或不易安装处的保温板局部进行加固补强,可采纳电锤或电钻从保温板表面开始钻至结构墙内 30~50mm 深度为止,尼龙胀栓易选用 Ф10×L 型。或用聚合物粘结砂浆粘贴(粘结面积应 40%以上)完毕,并达到强度后尼龙胀栓进行加强。1.3 边...

1、当您付费下载文档后,您只拥有了使用权限,并不意味着购买了版权,文档只能用于自身使用,不得用于其他商业用途(如 [转卖]进行直接盈利或[编辑后售卖]进行间接盈利)。
2、本站所有内容均由合作方或网友上传,本站不对文档的完整性、权威性及其观点立场正确性做任何保证或承诺!文档内容仅供研究参考,付费前请自行鉴别。
3、如文档内容存在违规,或者侵犯商业秘密、侵犯著作权等,请点击“违规举报”。

碎片内容

外墙外保温施工技术交底

确认删除?
VIP
微信客服
  • 扫码咨询
会员Q群
  • 会员专属群点击这里加入QQ群
客服邮箱
回到顶部