电脑桌面
添加小米粒文库到电脑桌面
安装后可以在桌面快捷访问

外墙外保温系统验收要求

外墙外保温系统验收要求_第1页
1/13
外墙外保温系统验收要求_第2页
2/13
外墙外保温系统验收要求_第3页
3/13
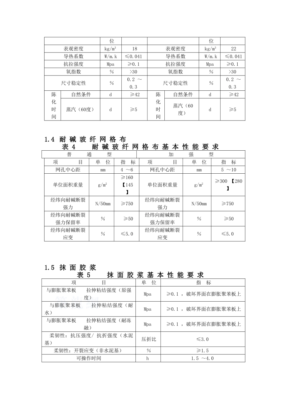
****.****三 期膨 胀 聚 苯 板 薄 抹 灰 外 墙 外 保 温 系 统 实 施 要 求1 材 料1.1 薄 抹 灰 外 保 温 系 统**** 三期工程的保温系统为膨胀聚苯板薄抹 灰 外 墙 外 保 温 系 统 , 分 普 通 型 和 加 强 型 两种 , 饰 面 材 料 为 涂 料 时 采 纳 普 通 型 , 饰 面 材料 为 文 化 石 或 木 装 饰 板 时 采 纳 加 强 型 。薄 抹 灰 外 保 温 系 统 的 基 本 性 能 见 表 1 。表1 薄抹灰外保温系统的基本性能要求项 目单 位指 标吸水量,浸水24hg/m2≤500普通型(P 型)抗冲击强度J≥3.0加强型(Q 型)抗冲击强度J≥10.0抗风压值kPa不小于工程项目的风荷载设计值耐冻融表面无裂纹、空鼓、起泡、剥离现象水蒸气湿流密度g/ m2.h≥0.85不透水性试样防护层内侧无水渗透耐候性表面无裂纹、粉化、剥落现象1.2聚 苯 板 胶 粘 剂表 2 胶 粘 剂 基 本 性 能 要 求项 目单 位指 标与水泥砂浆 拉伸粘结强度(原强度)Mpa≥0.60与水泥砂浆 拉伸粘结强度(耐水)Mpa≥0.40与膨胀聚苯板 拉伸粘结强度(原强度)Mpa≥0.1 ,破坏界面在膨胀聚苯板上与膨胀聚苯板 拉伸粘结强度(耐水)Mpa≥0.1 ,破坏界面在膨胀聚苯板上可操作时间h1.5 ~4.01.3膨 胀 聚 苯 板表 3 膨 胀 聚 苯 板 基 本 性 能 要 求普 通 型(饰面材料为涂料)加 强 型(饰面材料为文化石和木板)项 目单 指 标项 目单 指 标位位表观密度kg/m318表观密度kg/m322导热系数W/m.k≤0.041导热系数W/m.k≤0.041抗拉强度Mpa≥0.1抗拉强度Mpa≥0.1氧指数%>30氧指数%>30尺寸稳定性%0.2 ~0.3尺寸稳定性%0.2 ~0.3陈化时间自然条件d≥42陈化时间自然条件d≥42蒸汽(60度)d≥5蒸汽(60度)d≥51.4 耐 碱 玻 纤 网 格 布表 4 耐 碱 玻 纤 网 格 布 基 本 性 能 要 求普 通 型加 强 型项 目单 位指 标项 目单 位指 标网孔中心距mm4 ~6网孔中心距mm5 ~10单位面积重量g/m2≥160【145】单位面积重量g/m2≥300 【280】经纬向耐碱断裂强力N/50mm≥750经纬向耐碱断裂强力N/50mm≥750经纬向耐碱断裂强力保留率%≥50经纬向耐碱断裂强力保留率%≥50经纬向耐碱断裂应变%≤5.0经纬向耐碱断裂应变%≤5.01.5 抹 面 胶 浆表 5 抹 面 胶 浆 基 本 性 能 要 求项 目单 位指 标与膨胀聚苯板...

1、当您付费下载文档后,您只拥有了使用权限,并不意味着购买了版权,文档只能用于自身使用,不得用于其他商业用途(如 [转卖]进行直接盈利或[编辑后售卖]进行间接盈利)。
2、本站所有内容均由合作方或网友上传,本站不对文档的完整性、权威性及其观点立场正确性做任何保证或承诺!文档内容仅供研究参考,付费前请自行鉴别。
3、如文档内容存在违规,或者侵犯商业秘密、侵犯著作权等,请点击“违规举报”。

碎片内容

外墙外保温系统验收要求

确认删除?
VIP
微信客服
  • 扫码咨询
会员Q群
  • 会员专属群点击这里加入QQ群
客服邮箱
回到顶部