电脑桌面
添加小米粒文库到电脑桌面
安装后可以在桌面快捷访问

外墙自保温砌块检验批

外墙自保温砌块检验批_第1页
1/12
外墙自保温砌块检验批_第2页
2/12
外墙自保温砌块检验批_第3页
3/12
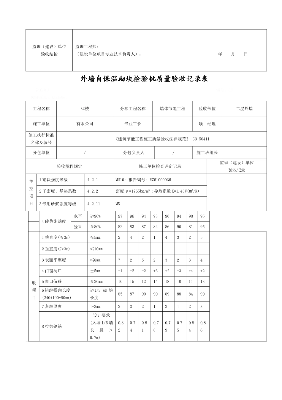
外墙自保温砌块检验批质量验收记录表表 C.0.1 编号:JN-01工程名称3#楼分项工程名称墙体节能工程验收部位一层外墙施工单位有限公司专业工长项目经理施工执行标准名称及编号《建筑节能工程施工质量验收法律规范》 GB 50411分包单位/分包负责人/施工班组长验收规程规定施工单位检查评定记录监理(建设)单位验收记录主控项目1 砌块强度等级4.2.1MU10; 报告编号:RZ610000362 干密度、导热系数4.2.2密度 ρ=1765㎏/m3 ;导热系数 K=1.43W(㎡/K)3 专用砂浆强度等级4.2.11M54 砂浆饱满度水平≥90%96989591100959493竖直≥80%8582858486908685一般项目1 垂直度(≤3m)≤5㎜262443232 垂直度(≥3m)≤10㎜3 表面平整度≤8㎜425262814 门窗洞口±5㎜+3-2-2+6+2+3+4+25 窗口偏移≤20㎜10151214181011136 错缝搭砌长度(240*190*90㎜)≥1/3 砌 块长度85869090898885907 灰缝厚度1-3㎜232121238 拉结钢筋设计要求(入墙 1/5 墙长且>0.7m)0.850.720.810.780.790.750.840.86施工单位检查评定结论主控项目全部合格,一般项目符合设计及施工质量验收法律规范,评定合格。项目专业质量检查员: 2010 年 02 月 08 日监理(建设)单位验收结论监理工程师:(建设单位项目专业技术负责人): 年 月 日外墙自保温砌块检验批质量验收记录表表 C.0.1 编号:JN-02blo9rur。KCalaGo。工程名称3#楼分项工程名称墙体节能工程验收部位二层外墙施工单位有限公司专业工长项目经理施工执行标准名称及编号《建筑节能工程施工质量验收法律规范》 GB 50411分包单位/分包负责人/施工班组长验收规程规定施工单位检查评定记录监理(建设)单位验收记录主控项目1 砌块强度等级4.2.1MU10; 报告编号:RZ610000362 干密度、导热系数4.2.2密度 ρ=1765㎏/m3 ;导热系数 K=1.43W(㎡/K)3 专用砂浆强度等级4.2.11M54 砂浆饱满度水平≥90%9796949390949895竖直≥80%8283878486908195一般项目1 垂直度(≤3m)≤5㎜242143252 垂直度(≥3m)≤10㎜3 表面平整度≤8㎜725232344 门窗洞口±5㎜+1-2-2+3+2+3+4+25 窗口偏移≤20㎜10151214181011136 错缝搭砌长度(240*190*90㎜)≥1/3 砌 块长度85879090898884907 灰缝厚度1-3㎜232121238 拉结钢筋设计要求(入墙 1/5 墙长且>0.7m)0.820.740.810.780.790.750.840.86施工单位检查评定结论主控项目全部合格,一般项目符合设计及施工质量验收法律规范,评定合格。项目专业质量检查员: 2010 年 03 月 ...

1、当您付费下载文档后,您只拥有了使用权限,并不意味着购买了版权,文档只能用于自身使用,不得用于其他商业用途(如 [转卖]进行直接盈利或[编辑后售卖]进行间接盈利)。
2、本站所有内容均由合作方或网友上传,本站不对文档的完整性、权威性及其观点立场正确性做任何保证或承诺!文档内容仅供研究参考,付费前请自行鉴别。
3、如文档内容存在违规,或者侵犯商业秘密、侵犯著作权等,请点击“违规举报”。

碎片内容

外墙自保温砌块检验批

您可能关注的文档

确认删除?
VIP
微信客服
  • 扫码咨询
会员Q群
  • 会员专属群点击这里加入QQ群
客服邮箱
回到顶部