电脑桌面
添加小米粒文库到电脑桌面
安装后可以在桌面快捷访问

多排悬挑架主梁验算计算书

多排悬挑架主梁验算计算书_第1页
1/6
多排悬挑架主梁验算计算书_第2页
2/6
多排悬挑架主梁验算计算书_第3页
3/6
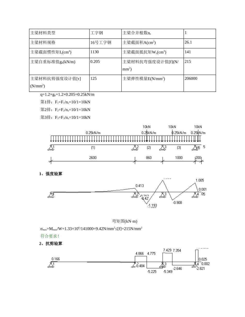
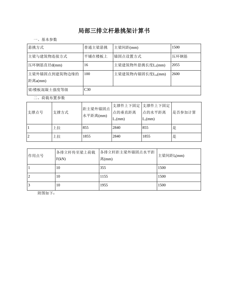
局部三排立杆悬挑架计算书一、基本参数悬挑方式普通主梁悬挑主梁间距(mm)1500主梁与建筑物连接方式平铺在楼板上锚固点设置方式压环钢筋压环钢筋直径d(mm)16主梁建筑物外悬挑长度Lx(mm)2055主梁外锚固点到建筑物边缘的距离a(mm)100主梁建筑物内锚固长度Lm(mm)2600梁/楼板混凝土强度等级C30二、荷载布置参数支撑点号支撑方式距主梁外锚固点水平距离(mm)支撑件上下固定点的垂直距离L1(mm)支撑件上下固定点的水平距离L2(mm)是否参加计算1上拉8552840855是2上拉185528401855是 作用点号各排立杆传至梁上荷载F(kN)各排立杆距主梁外锚固点水平距离(mm)主梁间距la(mm)11035515002101155150031019551500 附图如下:平面图立面图三、主梁验算主梁材料类型工字钢主梁合并根数nz1主梁材料规格16号工字钢主梁截面积A(cm2)26.1主梁截面惯性矩Ix(cm4)1130主梁截面抵抗矩Wx(cm3)141主梁自重标准值gk(kN/m)0.205主梁材料抗弯强度设计值[f](N/mm2)215主梁材料抗剪强度设计值[τ](N/mm2)125主梁弹性模量E(N/mm2)206000 q=1.2×gk=1.2×0.205=0.25kN/m 第1排:F1=F1/nz=10/1=10kN 第2排:F2=F2/nz=10/1=10kN 第3排:F3=F3/nz=10/1=10kN 1、强度验算 弯矩图(kN·m) σmax=Mmax/W=1.33×106/141000=9.42N/mm2≤[f]=215N/mm2 符合要求! 2、抗剪验算 剪力图(kN) τmax=Qmax/(8Izδ)[bh02-(b-δ)h2]=10.05×1000×[88×1602-(88-6)×140.22]/(8×11300000×6)=11.87N/mm2 τmax=11.87N/mm2≤[τ]=125N/mm2 符合要求! 3、挠度验算 变形图(mm) νmax=0.02mm≤[ν]=2×lx/400=2×2055/400=10.28mm 符合要求! 4、支座反力计算 R1=0.17kN,R2=5.35kN,R3=12.78kN,R4=12.87kN四、上拉杆件验算 钢丝绳型号6×19钢丝绳公称抗拉强度(N/mm2)1700钢丝绳直径(mm)17钢丝绳不均匀系数α0.85钢丝绳安全系数k9钢丝绳绳夹型式马鞍式拴紧绳夹螺帽时螺栓上所受力T(kN)15.19钢丝绳绳夹数量[n]3花篮螺栓在螺纹处的有效直径de(mm)12花篮螺栓抗拉强度设计值[ft](N/mm2)170主梁拉环直径d(mm)20焊缝厚度he(mm)10焊缝长度lw(mm)100角焊缝强度设计值ftw(N/mm2)160钢丝绳绳卡作法 上拉杆件角度计算: α1=arctanL1/L2=arctan(2840/855)=73.25° α2=arctanL1/L2=arctan(2840/1855)=56.85° 上拉杆件支座力: RS1=nzR3=1×12.78=12.78kN RS2=nzR4=1×12.87=12.87kN 主梁轴向力: NSZ1=RS1/tanα1=12.78/tan73.25°=3.85kN NSZ2=RS2/tanα2=12.87/tan56.85°=8.41kN 上拉...

1、当您付费下载文档后,您只拥有了使用权限,并不意味着购买了版权,文档只能用于自身使用,不得用于其他商业用途(如 [转卖]进行直接盈利或[编辑后售卖]进行间接盈利)。
2、本站所有内容均由合作方或网友上传,本站不对文档的完整性、权威性及其观点立场正确性做任何保证或承诺!文档内容仅供研究参考,付费前请自行鉴别。
3、如文档内容存在违规,或者侵犯商业秘密、侵犯著作权等,请点击“违规举报”。

碎片内容

多排悬挑架主梁验算计算书

文旅传媒+ 关注
实名认证
内容提供者

传播文化,成就未来

相关文档

确认删除?
VIP
微信客服
  • 扫码咨询
会员Q群
  • 会员专属群点击这里加入QQ群
客服邮箱
回到顶部