电脑桌面
添加小米粒文库到电脑桌面
安装后可以在桌面快捷访问

搅拌站资质申请2025

搅拌站资质申请2025_第1页
1/7
搅拌站资质申请2025_第2页
2/7
搅拌站资质申请2025_第3页
3/7
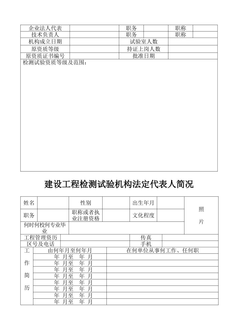
建设工程检测试验机构资质申请表机构名称 填报日期 原证书编号 现证书编号 内蒙古自治区建设厅制建设工程检测试验机构基本情况机构名称营业执照注册号开户银行及帐号注册资金详细地址电话单位经济性质企业法人代表职务职称技术负责人职务职称机构成立日期试验室人数原资质等级持证上岗人数原资质证书编号批准日期检测试验资质等级及范围:建设工程检测试验机构法定代表人简况姓名性别出生年月照片职务职称或者执业注册资格文化程度何时何校何专业毕业工程管理资历传真区号及电话手机工作简历由何年月至何年月在何单位从事何工作、任何职 年 月至 年 月 年 月至 年 月 年 月至 年 月 年 月至 年 月 年 月至 年 月 年 月至 年 月 年 月至 年 月 年 月至 年 月 年 月至 年 月 年 月至 年 月 年 月至 年 月 年 月至 年 月 年 月至 年 月 年 月至 年 月 本人签章: 200 年 月 日建设工程检测试验机构技术经济负责人简况姓名性别出生年月照片职务职称或者执业注册资格文化程度何时何校何专业毕业工程管理资历传真区号及电话手机工作简历由何年月至何年月在何单位从事何工作、任何职 年 月至 年 月 年 月至 年 月 年 月至 年 月 年 月至 年 月 年 月至 年 月 年 月至 年 月 年 月至 年 月 年 月至 年 月 年 月至 年 月 年 月至 年 月 年 月至 年 月 年 月至 年 月 年 月至 年 月 年 月至 年 月 本人签章: 200 年 月 日检 测 试 验 上 岗 人 员 一 览 表姓 名性别年龄身 份 证 号文 化程 度从 事专 业职称从 事 试 验 工 作年 限证 书 编 号主要仪器设备一览表设备名称规格型号数量购置日期率定日期设备净值建设工程检测试验机构营业场所、办公条件和管理规章制度情况申 请 审 批 情 况申请内主项资质: 容增项资质:法定代表人(签名) 公章初审部门意 见负责人(签名) 公章审批部门意 见负责人(签名) 公章资质证书编 号批准日期年 月 日

1、当您付费下载文档后,您只拥有了使用权限,并不意味着购买了版权,文档只能用于自身使用,不得用于其他商业用途(如 [转卖]进行直接盈利或[编辑后售卖]进行间接盈利)。
2、本站所有内容均由合作方或网友上传,本站不对文档的完整性、权威性及其观点立场正确性做任何保证或承诺!文档内容仅供研究参考,付费前请自行鉴别。
3、如文档内容存在违规,或者侵犯商业秘密、侵犯著作权等,请点击“违规举报”。

碎片内容

搅拌站资质申请2025

您可能关注的文档

确认删除?
VIP
微信客服
  • 扫码咨询
会员Q群
  • 会员专属群点击这里加入QQ群
客服邮箱
回到顶部