电脑桌面
添加小米粒文库到电脑桌面
安装后可以在桌面快捷访问

政务中心人工挖孔桩基础施工方案

政务中心人工挖孔桩基础施工方案_第1页
1/44
政务中心人工挖孔桩基础施工方案_第2页
2/44
政务中心人工挖孔桩基础施工方案_第3页
3/44
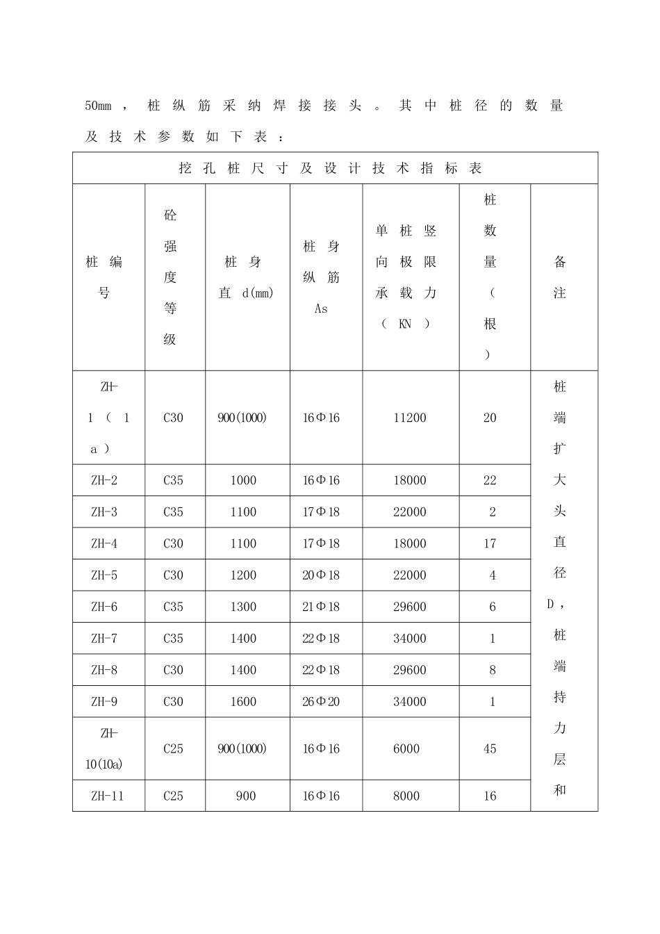
一、工程概况 xxxx 行政服务中心工程由xxxx投资总公司投资建设,xx市建筑设计院有限公司设计。该工程位于xx市xx生活区以南,拟建建筑物主要包括7 层主楼、4 层辅楼及2 层展示厅,高度分别小于30米、18米及12米,设计柱位荷重标准什分别为15500KN 、12000KN 及6000KN ,框架结构,对差异沉降敏感。其中主楼、辅楼均设有1 层地下室,标高-4.20 米,设计地坪标高为3.50 米。本工程基础设计等级为乙级,采纳大直径人工控孔灌注桩。(一)、桩基简介基础设计采纳人工挖孔桩,人工挖孔桩桩径为900mm 、1000mm 、1100mm 、1200mm 、1300mm 、1400mm 、1600mm,共计150 根,并根据设计要求设有试桩3 根,直径分别为1600mm 、1200mm 、1400mm, 强度为C35 ,单桩承载力估算分别为5000KN 、4000KN 、4000KN 。持力层均为中风化花岗岩或碎块状强风化花岗岩或散体状强风化花岗岩, 中风化花岗岩上桩端极限承载力为6500Kpa, 碎块状强风化花岗岩上桩端极限承载力为2800Kpa, 散体状强风化花岗岩上桩端极限承载力为2000Kpa ,当桩长超过20米时,桩纵向钢筋可一半伸到底(但不得少于8 根),另一半伸至桩顶下20米。桩钢筋保护层厚度为50mm ,桩纵筋采纳焊接接头。其中桩径的数量及技术参数如下表:挖孔桩尺寸及设计技术指标表桩编号砼强度等级桩身直d(mm)桩身纵筋As单桩竖向极限承载力(KN)桩数量(根)备注ZH-1 (1a )C30900(1000)16Φ161120020桩端扩大头直径D ,桩端持力层和ZH-2C35100016Φ161800022ZH-3C35110017Φ18220002ZH-4C30110017Φ181800017ZH-5C30120020Φ18220004ZH-6C35130021Φ18296006ZH-7C35140022Φ18340001ZH-8C30140022Φ18296008ZH-9C30160026Φ20340001ZH-10(10a)C25900(1000)16Φ16600045ZH-11C2590016Φ16800016桩端进入持力层深度ZH-12C35120020Φ18240008SZ-1C3590016Φ1650001SZ-2C3590016Φ1640001SZ-3C3590016Φ1640001(二)、工程地质简介根据冶金工业部武汉勘察讨论院xx分院提供的勘察报告书,本工程地质情况分布为:第一层为素填土,层厚1.20~4.20m,主要由粘性土、残积砂质粘性土回填,部分为淤泥及淤泥质土,局部含碎石、条石及块石等。本层全场均有分布,密实度及均匀性差,工程性能差;第二层为淤泥,层厚1.20~4.20m ,具有含水量高、孔隙比大、强度低、易触变等特点,工程性能差;第三层为中粗砂,层厚0.40~4.70m ,主要成分为石英,泥质含量较高(一般为20%~50% ),分布不均匀,属...

1、当您付费下载文档后,您只拥有了使用权限,并不意味着购买了版权,文档只能用于自身使用,不得用于其他商业用途(如 [转卖]进行直接盈利或[编辑后售卖]进行间接盈利)。
2、本站所有内容均由合作方或网友上传,本站不对文档的完整性、权威性及其观点立场正确性做任何保证或承诺!文档内容仅供研究参考,付费前请自行鉴别。
3、如文档内容存在违规,或者侵犯商业秘密、侵犯著作权等,请点击“违规举报”。

碎片内容

政务中心人工挖孔桩基础施工方案

您可能关注的文档

确认删除?
VIP
微信客服
  • 扫码咨询
会员Q群
  • 会员专属群点击这里加入QQ群
客服邮箱
回到顶部