电脑桌面
添加小米粒文库到电脑桌面
安装后可以在桌面快捷访问

明江国际物流园工程建设监理工作月报

明江国际物流园工程建设监理工作月报_第1页
1/12
明江国际物流园工程建设监理工作月报_第2页
2/12
明江国际物流园工程建设监理工作月报_第3页
3/12
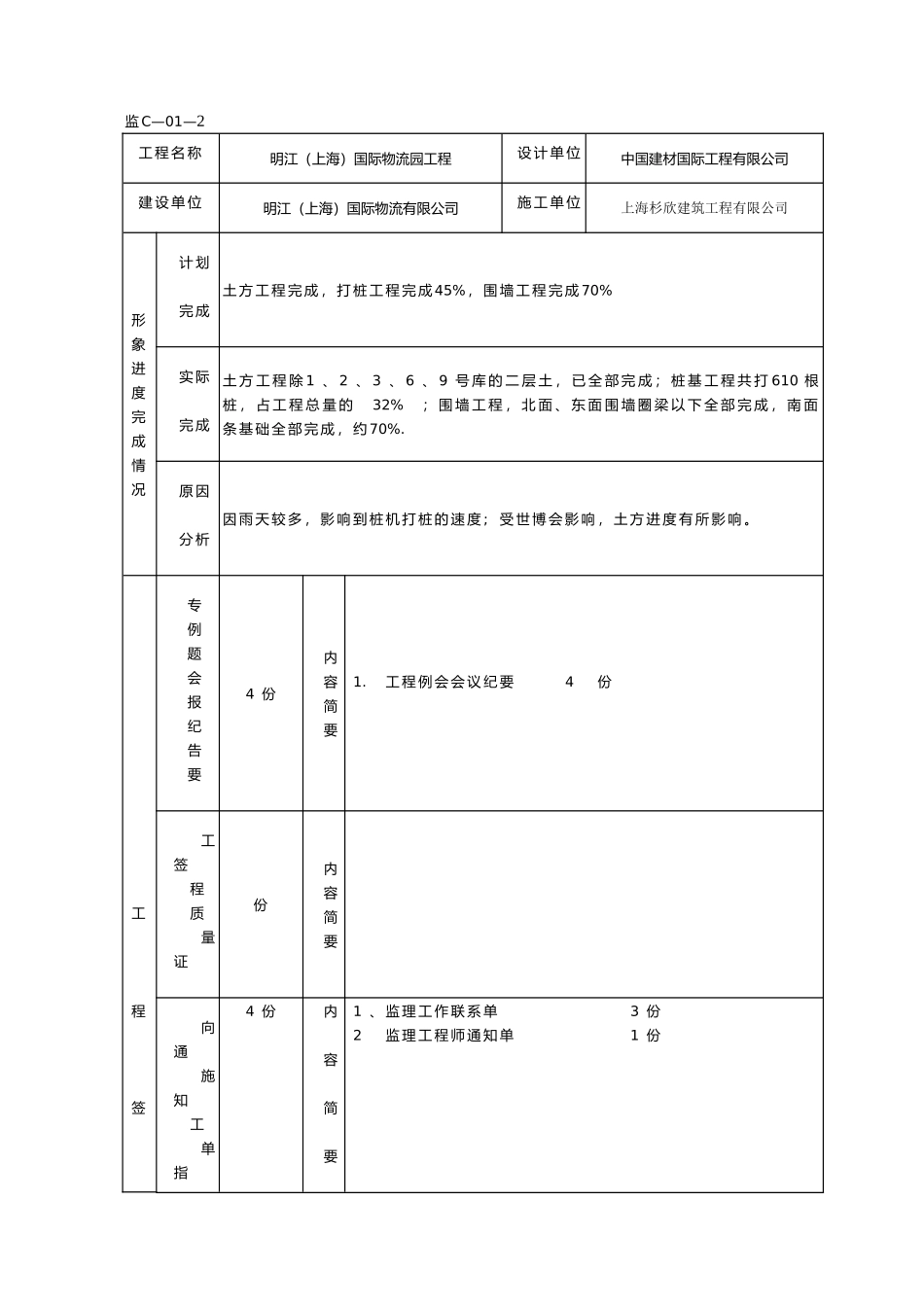
监 C—01—1 编 号 : SH2025/ C41 – 07 明 江 ( 上 海 ) 国 际 物 流 园 工 程建 设 监 理 工 作 月 报第 7 期2010 年 10 月 1日 ~ 2010 年 10 月 31 日 内 容 提 要 : 工 程 形 象 进 度 完 成 情 况 工 程 签 证 情 况 本 月 工 程 情 况 评 述 本 月 监 理 工 作 小 结 下 月 监 理 工 作 打 算 监 理 单 位 上 海 景 灿 工 程 建 设 监 理 有 限 公 司 总 监 理 工 程 师 监 C—01—2工 程 名 称明江(上海)国际物流园工程设 计 单 位中国建材国际工程有限公司建 设 单 位明江(上海)国际物流有限公司施 工 单 位上海杉欣建筑工程有限公司形象进度完成情况计 划完 成土 方 工 程 完 成 , 打 桩 工 程 完 成 45%, 围 墙 工 程 完 成 70%实 际完 成土 方 工 程 除 1 、 2 、 3 、 6 、 9 号 库 的 二 层 土 , 已 全 部 完 成 ; 桩 基 工 程 共 打 610 根桩 , 占 工 程 总 量 的 32% ; 围 墙 工 程 , 北 面 、 东 面 围 墙 圈 梁 以 下 全 部 完 成 , 南 面条 基 础 全 部 完 成 , 约 70%.原 因分 析因 雨 天 较 多 , 影 响 到 桩 机 打 桩 的 速 度 ;受 世 博 会 影 响 , 土 方 进 度 有 所 影 响 。专 例题 会报 纪告 要4 份内容简要1.工 程 例 会 会 议 纪 要 4 份工 工 签 程 质 量 证份内容简要程签 向 通 施 知 工 单 指4 份内容简要1 、 监 理 工 作 联 系 单 3 份2 监 理 工 程 师 通 知 单 1 份证 位 示 发 出 指 的 令情况 施 各 工 单 种 位 提 报 出 的 告份内容简要1 、 10# 库 报 验 资 料 1 份2 、 11# 库 报 验 资 料 1 份3 、 南 面 围 墙 报 验 资 料 1 份4 、 东 面 围 墙 报 验 资 料 1 份5 、 月 进 度 计 划 1 份 工 签 程 付 款 证 1 份内容简要 工程量月报表 1 份监 C—01—31 、10 月 4 日 , 压 实 6# 、 9# 一 层 土 , 北 面 砌 筑 围 墙 , 11#库 房 定 位 放 线 , 12#库 做 原 土 检 测 , 9# 库 、10#库 一 层 环 刀 检 测 。2 、 1...

1、当您付费下载文档后,您只拥有了使用权限,并不意味着购买了版权,文档只能用于自身使用,不得用于其他商业用途(如 [转卖]进行直接盈利或[编辑后售卖]进行间接盈利)。
2、本站所有内容均由合作方或网友上传,本站不对文档的完整性、权威性及其观点立场正确性做任何保证或承诺!文档内容仅供研究参考,付费前请自行鉴别。
3、如文档内容存在违规,或者侵犯商业秘密、侵犯著作权等,请点击“违规举报”。

碎片内容

明江国际物流园工程建设监理工作月报

您可能关注的文档

确认删除?
VIP
微信客服
  • 扫码咨询
会员Q群
  • 会员专属群点击这里加入QQ群
客服邮箱
回到顶部