电脑桌面
添加小米粒文库到电脑桌面
安装后可以在桌面快捷访问

木地板招标技术标准-20251128

木地板招标技术标准-20251128_第1页
1/6
木地板招标技术标准-20251128_第2页
2/6
木地板招标技术标准-20251128_第3页
3/6
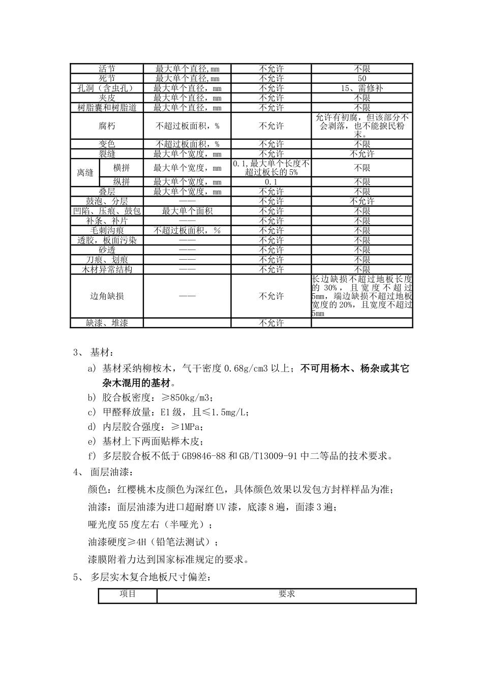
常楹公元木地板招标技术要求一、依据:GB/T 18103—2000《实木复合地板》WB/T1016—2025《地板铺设面层验收法律规范》WB/T1017—2025《木地板保修期内面层检验法律规范》GB50210—2001《建筑装饰装修工程施工及验收法律规范》GB5024—2025《住宅装饰装修工程施工法律规范》GB20325—2001《民用建筑工程室内环境污染控制法律规范》GB18580-2001《室内装饰装修材料 人造板及其制品中甲醛释放限量》GB18581-2001 《室内装饰装修材料溶剂型木器涂料中有害物质限量》GB18583-2001《室内装饰装修材料胶粘剂中有害物质限量》CSC/T 2203-2025 《室内装饰装修材料 溶剂型木器涂料 环保产品认证技术要求》GB50300-2001《建筑工程施工质量验收统一标准》《工程建设标准强制性条文》2025 年版本标准有可能被修改,在应用时应保证使用最新版本的可能性。二、技术要求:本次招标产品均为多层实木复合地板,要求环保等级达到 E1 级、防火等级达到 B1 级,符合地板采暖要求。1、 尺寸规格:910x125x 15 mm;2、 表层木皮:表层木皮使用山纹纹理樱桃木实木贴皮,厚度 0.6mm;表层木皮外观质量标准名称项目表面背面装饰性美感材质细致均匀、色泽清楚、木纹美观不限配板与拼花纹理应按一定规律排列,色差小,拼缝与板边近手平行活节最大单个直径,mm不允许不限死节最大单个直径,mm不允许50孔洞(含虫孔)最大单个直径,mm不允许15、需修补夹皮最大单个直径,mm不允许不限树脂囊和树脂道最大单个直径,mm不允许不限腐朽不超过板面积,%不允许允许有初腐,但该部分不会剥落,也不能捩民粉末。变色不超过板面积,%不允许不限裂缝最大单个宽度,mm不允许不允许离缝横拼最大单个宽度,mm0.1,最大单个长度不超过板长的 5%不限纵拼最大单个宽度,mm0.1不限叠层最大单个宽度,mm不允许不限鼓泡、分层——不允许不允许凹陷、压痕、鼓包最大单个面积不允许不限补条、补片——不允许不限毛刺沟痕不超过板面积,%不允许不限透胶,板面污染——不允许不限砂透——不允许不限刀痕、划痕——不允许不限木材异常结构——不允许不限边角缺损——不允许长边缺损不超过地板长度的 30% , 且 宽 度 不 超 过5mm,端边缺损不超过地板宽度的 20%,且宽度不超过5mm缺漆、堆漆不允许3、 基材:a) 基材采纳柳桉木,气干密度 0.68g/cm3 以上;不可用杨木、杨杂或其它杂木混用的基材。b) 胶合板密度:≥850kg/m3;c) 甲醛释放量:E1 级,且≤1.5mg/L;d) 内层...

1、当您付费下载文档后,您只拥有了使用权限,并不意味着购买了版权,文档只能用于自身使用,不得用于其他商业用途(如 [转卖]进行直接盈利或[编辑后售卖]进行间接盈利)。
2、本站所有内容均由合作方或网友上传,本站不对文档的完整性、权威性及其观点立场正确性做任何保证或承诺!文档内容仅供研究参考,付费前请自行鉴别。
3、如文档内容存在违规,或者侵犯商业秘密、侵犯著作权等,请点击“违规举报”。

碎片内容

木地板招标技术标准-20251128

您可能关注的文档

确认删除?
VIP
微信客服
  • 扫码咨询
会员Q群
  • 会员专属群点击这里加入QQ群
客服邮箱
回到顶部