电脑桌面
添加小米粒文库到电脑桌面
安装后可以在桌面快捷访问

材料承认作业及试验办法

材料承认作业及试验办法_第1页
1/7
材料承认作业及试验办法_第2页
2/7
材料承认作业及试验办法_第3页
3/7
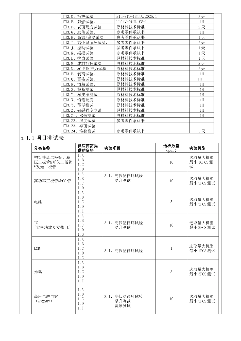
文 件 制 修 订 记 录NO制/修订日期修订编号制/修订内容版本页次1核 准审查制 订1.目的:法律规范新物料开发管理流程,确保新物料满足产品性能、功能的需求。2.范围:此程序适用于本公司所有新物料的开发工作。3.权责: 3.1 工程部:负责向采购提供所需物料的详细技术参数要求;同时,在选用新 物料时,尽量满足环保要求及可持续利用;确认物料功能、性能并协助 QE 完成测试认证工作,对测试报告进行审核和批准; 3.2 采购部:负责完成工程所需新物料的采购工作;负责向供应商索取和督促 提供新物料的承认书,跟踪物料的承认过程,并将我司已经承认的新物料 承认书转交给供应商。 3.3 质量部 QE:负责确认新物料承认书的格式及标准(环保标准)的符合性; 实施新物料可靠性实验并提供实验资料;负责所有新物料环保检测。 3.4 业务部:负责对客户要求事项进行确认并送样给客户承认。4.定义:无5.作业内容: 材料试验项目按材料测试项目表进行:5.1.0 材料检查或测试项目表序号项目标准所需时间1、供方提供项□1.A、承认书 □1.B、样品出货报告 □1.C、基本参数测试报告 □1.D、环保报告RoHS / CA65 / REACH □1.E、安规资料 □1.F、寿命实验报告 □1.G、ESD 报告 □1.H、盐雾 □1.I、插拔 □1.J、镀层报告 □1.K、耐破度报告 □1.L、阻燃实验报告 □1.M、其它指定报告 2、安规项□2.A、EMCITE 类开关电源:EN55022B;LED类:EN550153 天□2.B、雷击(浪涌)EN61000-4-5:20253 天□2.C、EFTEN61000-4-43 天□2.D、ESDIEC61000-4-23 天□2.E、其它指定报告 3、可靠度项□3.A、粘着力测试、参考零件承认书2 天□3.B、老化寿命试验 参考零件承认书2 天□3.C、盐雾试验、MIL-STD-1344A, METHOD 100□1.12 天□3.D、插拔试验MIL-STD-1344A,2025.12 天□3.E、阻燃试验、UL94V-0&UL VW-11H□3.F、表面硬度试验原材料技术标准2 天□3.G、跌落试验、参考零件承认书1H□3.H、高温/底温试验 参考零件承认书1 天□3.I、高低温循环试验、参考零件承认书2 天□3.J、振动试验 参考零件承认书1 天□3.K、摇摆试验参考零件承认书1 天□3.L、拉力试验原材料技术标准1 天□3.M 线材插拨试验原材料技术标准2 天□3.N、AC PIN 推力试验原材料技术标准2 天□3.P、剥离试验、原材料技术标准1H□3.Q、百格试验、原材料技术标准1H □3.R、酒精试验、原材料技术标准1H□3.S、截断测试原材料技术标准1H□3.T...

1、当您付费下载文档后,您只拥有了使用权限,并不意味着购买了版权,文档只能用于自身使用,不得用于其他商业用途(如 [转卖]进行直接盈利或[编辑后售卖]进行间接盈利)。
2、本站所有内容均由合作方或网友上传,本站不对文档的完整性、权威性及其观点立场正确性做任何保证或承诺!文档内容仅供研究参考,付费前请自行鉴别。
3、如文档内容存在违规,或者侵犯商业秘密、侵犯著作权等,请点击“违规举报”。

碎片内容

材料承认作业及试验办法

办公文档专营+ 关注
实名认证
内容提供者

大量办公文档,欢迎选择

确认删除?
VIP
微信客服
  • 扫码咨询
会员Q群
  • 会员专属群点击这里加入QQ群
客服邮箱
回到顶部