电脑桌面
添加小米粒文库到电脑桌面
安装后可以在桌面快捷访问

杭州地铁1号线某岩土工程详细勘察报告

杭州地铁1号线某岩土工程详细勘察报告_第1页
1/22
杭州地铁1号线某岩土工程详细勘察报告_第2页
2/22
杭州地铁1号线某岩土工程详细勘察报告_第3页
3/22
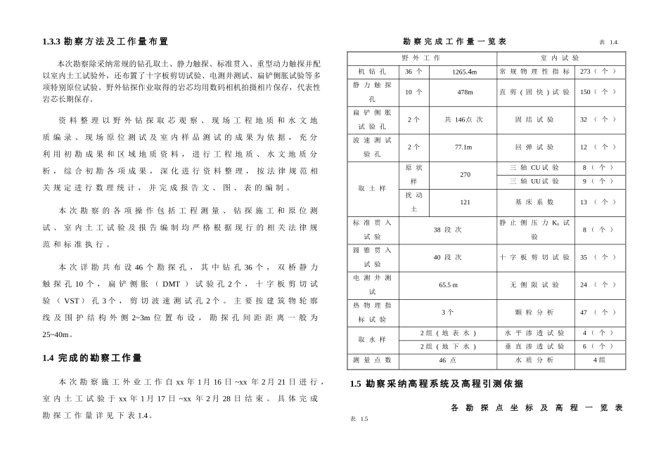
xx 地 铁 1 号 线xx 站 岩 土 工 程 详 细 勘 察 报 告1 、 前 言1.1 工 程 概 况本 站 属 于 xx 地 铁 1 号 线 的 起 点 。 位 于 xx 乐 园 二 期 北 侧 , xx道 、 xx 站 相 交 路 口 东 侧 , 地 处 城 乡 结 合 部 , 紧 贴 xx 旅 游 度 假区 和 xx 城 区 。xx 站 有 效 站 台 中 心 里 程 K0+299.09 米 , 车 站 起 点 里 程K0+103.29 米 , 车 站 终 点 里 程 K0+495.29 米 , 有 效 站 台 宽 度 12.0m 。拟 建 物 主 要 包 括 xx 站 起 点 至 终 点 里 程 之 间 的 主 体 部 分 及 附 属设 施 ( 出 入 口 和 风 亭 等 ) 。主体及围护结构特征一览表 表1.1.1主 体结 构底 板埋 深(m)施 工方 法基 坑 支 护形 式主 体 围护 总 深度 (m)围 护桩 桩径 (mm)围 护 桩中 心 距(mm)双层14.3明 挖钻孔灌注24.3Φ8001400柱三跨框架桩+ 旋喷桩止水帷幕1.2 岩 土 工 程 勘 察 分 级根 据 《 岩 土 工 程 勘 察 法 律 规 范 》 (GB 50021-2001) , 根 据 工 程的 规 模 和 特 征 , 确 定 本 工 程 的 重 要 性 等 级 为 一 级 ; 根 据 场 地复 杂 程 度 , 本 工 程 场 地 等 级 为 二 级 ; 根 据 地 基 复 杂 程 度 , 本工 程 地 基 等 级 为 二 级 。根 据 工 程 重 要 性 等 级 、 场 地 复 杂 程 度 等 级 及 地 基 复 杂 程度 等 级 , 确 定 本 次 岩 土 工 程 勘 察 等 级 为 甲 级 。1.3 勘 察 工 作 执 行 的 主 要 技 术 标 准 、 勘 察 目 的 及 勘 察 方 法1.3.1 勘 察 工 作 执 行 的 主 要 技 术 标 准1 、 国 家 标 准 :1) 《 地 下 铁 道 、 轻 轨 交 通 岩 土 工 程 勘 察 法 律 规 范 》 (GB 50307-1999) ;2) 《 岩 土 工 程 勘 察 法 律 规 范 》 (GB 50021-2001) ;3) 《 建 筑 地 基 基 础 设 计 法 律 规 范 》 (GB 50007-2025) ;4) 《 建 筑 抗 震 设 计 规 程 》 (GB 50011-2001) ;5) 《 土 工 试 验 方 法 标 准 》 (GB / T 50123-1999);6) 《 中 国 ...

1、当您付费下载文档后,您只拥有了使用权限,并不意味着购买了版权,文档只能用于自身使用,不得用于其他商业用途(如 [转卖]进行直接盈利或[编辑后售卖]进行间接盈利)。
2、本站所有内容均由合作方或网友上传,本站不对文档的完整性、权威性及其观点立场正确性做任何保证或承诺!文档内容仅供研究参考,付费前请自行鉴别。
3、如文档内容存在违规,或者侵犯商业秘密、侵犯著作权等,请点击“违规举报”。

碎片内容

杭州地铁1号线某岩土工程详细勘察报告

您可能关注的文档

不二商店+ 关注
实名认证
内容提供者

我是你的不二选择

确认删除?
VIP
微信客服
  • 扫码咨询
会员Q群
  • 会员专属群点击这里加入QQ群
客服邮箱
回到顶部