电脑桌面
添加小米粒文库到电脑桌面
安装后可以在桌面快捷访问

某发电厂汽机基座施工方案

某发电厂汽机基座施工方案_第1页
1/6
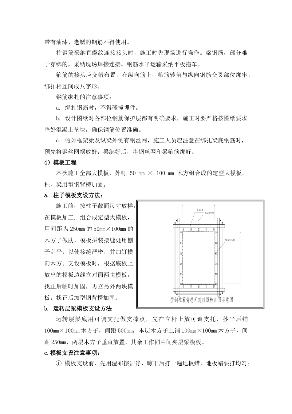
某发电厂汽机基座施工方案_第2页
2/6
某发电厂汽机基座施工方案_第3页
3/6
某发电厂汽机基座施工方案本工程汽机基座为整体框架式现浇钢筋混凝土结构,基座平台、基础与相邻平台、基础隔开,中间层高 8.6 米,运转层高 17.00 米。汽机基座实行先基础底板、后施工汽机基座上部结构(分三步施工),第一步施工中间层(8.6米层),第二步施工到运转层梁底,第三步施工运转层(17.00 米层)的施工顺序。1 汽机基座底板施工汽机底板为钢筋混凝土结构,底板厚度相对较大。本工程底板施工拟实行如下方案:钢筋采纳钢筋场集中加工,现场绑扎成形的方案,运输采纳拖拉机挂长板车运输;模板采纳采纳 15mm 厚 1220 × 2440mm 酚醛覆膜胶合板,模板加固用对拉螺栓和脚手管围檩联合加固的施工方案;混凝土采纳搅拌站集中供应混凝土,罐车运输,泵车浇筑的方案;基础底板一次浇筑完毕,内部不设施工缝,与上部结构柱子的水平施工缝留置在底板上皮位置。混凝土从一端向另一端分层浇筑。混凝土浇筑方案同大体积混凝土施工方案。2 汽机基座上部结构施工方案汽机基座采纳大模板施工方法。水平运输考虑用平板拖车,垂直运输用 2台 12t 塔式起重机。为提高混凝土外观工艺,杜绝对拉螺栓眼处理过程产生的质量通病,框架柱的模板加固采纳型钢柱箍背楞加固。混凝土浇筑采纳 2 台汽车泵,5 辆罐车进行浇灌。1)测量放线利用主厂房控制网,放出汽轮发电机纵轴中心线、发电机中心线,经四级验收合格后,方可作为汽机基座施工基准线。高程控制点由方格网控制点高程点引入。2)支撑系统:汽机基座平台及纵横梁、柱均采纳钢管扣件式普通脚手架,脚手架搭设成满堂红式,梁底立杆间距为 500mm,板底立杆间距为 1200mm,步距为 1200mm。整个脚手架在底端之上 100~300mm 处一律遍设纵向和横向扫地杆,并与立杆连接牢固,每个拐角处均加斜拉撑,在直线段外侧每间隔 6.0m 加一道斜拉撑,在脚手架中部设置剪力撑,斜撑和剪力撑用万能扣件和普通脚手管连接。(见下图)汽机基座施工时,在#1 汽机房固定端和汽机房中部处均搭设折返式步道,折返式布道坡度为 1:3,宽度为 1.2m。步道满铺脚手板,在脚手板上每 300mm钉一道防滑条。步道两侧搭设防护栏杆,栏杆距步道高度为 1.2m,每隔 2m 加设一道立杆。步道两侧用 250mm 宽脚手板作为踢脚板,并用#8 铁丝和立杆绑扎牢固。整个步道满挂立网,只在操作平台上留出入口。在汽机基座四周搭设环行步道和上料平台,步道宽度为 2.4m,上料平台宽4m,外侧用 250mm 宽脚手板作为踢脚...

1、当您付费下载文档后,您只拥有了使用权限,并不意味着购买了版权,文档只能用于自身使用,不得用于其他商业用途(如 [转卖]进行直接盈利或[编辑后售卖]进行间接盈利)。
2、本站所有内容均由合作方或网友上传,本站不对文档的完整性、权威性及其观点立场正确性做任何保证或承诺!文档内容仅供研究参考,付费前请自行鉴别。
3、如文档内容存在违规,或者侵犯商业秘密、侵犯著作权等,请点击“违规举报”。

碎片内容

某发电厂汽机基座施工方案

确认删除?
VIP
微信客服
  • 扫码咨询
会员Q群
  • 会员专属群点击这里加入QQ群
客服邮箱
回到顶部