电脑桌面
添加小米粒文库到电脑桌面
安装后可以在桌面快捷访问

某工程泥浆护壁冲孔灌注桩桩基础工程施工计划-6

某工程泥浆护壁冲孔灌注桩桩基础工程施工计划-6_第1页
1/2
某工程泥浆护壁冲孔灌注桩桩基础工程施工计划-6_第2页
2/2
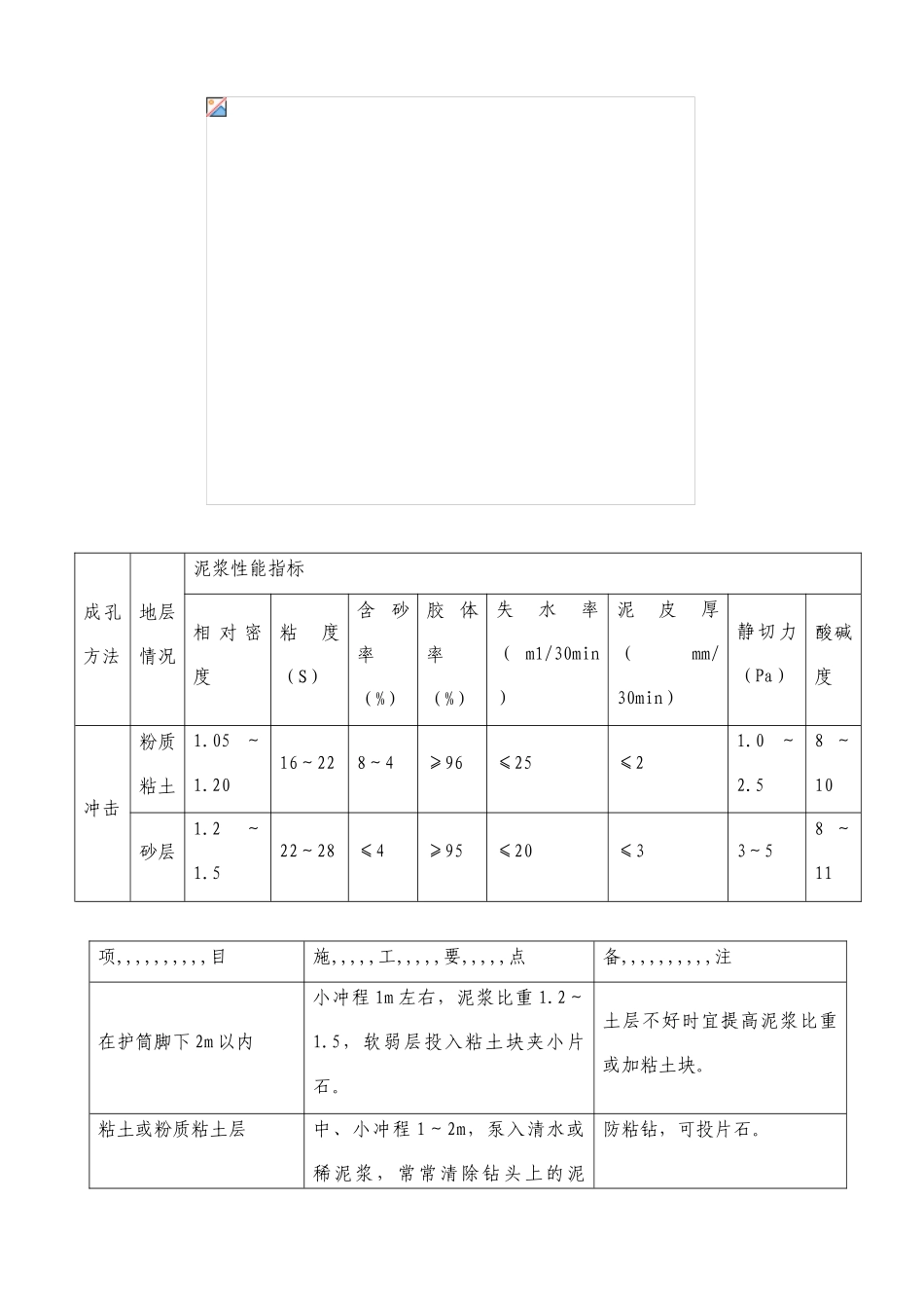
成孔方法地层情况泥浆性能指标相 对 密度粘度(S)含砂率(%)胶体率(%)失水率( m1/30min)泥皮厚(mm/30min)静切力(Pa)酸碱度冲击粉质粘土1.05 ~1.2016~228~4≥96≤25≤21.0 ~2.58 ~10砂层1.2~1.522~28≤4≥95≤20≤33~58 ~11项,,,,,,,,,,目施,,,,,工,,,,,要,,,,,点备,,,,,,,,,,注在护筒脚下 2m 以内小冲程 1m 左右,泥浆比重 1.2~1.5,软弱层投入粘土块夹小片石。土层不好时宜提高泥浆比重或加粘土块。粘土或粉质粘土层中、小冲程 1~2m,泵入清水或稀泥浆,常常清除钻头上的泥防粘钻,可投片石。块。粉砂或中粗砂中冲程 2~3m,泥浆比重 1.2~1.5,投入粘土块,勤清碴。基岩高冲程 3~4m,泥浆比重 1.3 左右,勤清碴。如遇基岩面倾陡,回填块石至岩面以上 30~50cm,先低锤密击待形成平面后正常冲击;如遇溶洞,采纳回填粘土夹片石,低锤密击冲击造壁或压入钢护筒护壁。软弱土层或塌孔回填重钻小冲程反复冲击,加粘土块夹小片石,泥浆比重 1.3~1.5。项,,,,,,,,,,次项,,,,,,,,,,目允,,,,,许,,,,,偏,,,,,差1主筋间距±102箍筋间距±203钢筋笼直径±104钢筋笼倾斜度±0.5%5钢筋笼安装深度±1006长度±100

1、当您付费下载文档后,您只拥有了使用权限,并不意味着购买了版权,文档只能用于自身使用,不得用于其他商业用途(如 [转卖]进行直接盈利或[编辑后售卖]进行间接盈利)。
2、本站所有内容均由合作方或网友上传,本站不对文档的完整性、权威性及其观点立场正确性做任何保证或承诺!文档内容仅供研究参考,付费前请自行鉴别。
3、如文档内容存在违规,或者侵犯商业秘密、侵犯著作权等,请点击“违规举报”。

碎片内容

某工程泥浆护壁冲孔灌注桩桩基础工程施工计划-6

您可能关注的文档

确认删除?
VIP
微信客服
  • 扫码咨询
会员Q群
  • 会员专属群点击这里加入QQ群
客服邮箱
回到顶部