电脑桌面
添加小米粒文库到电脑桌面
安装后可以在桌面快捷访问

某工程箱型基础施工技术交底

某工程箱型基础施工技术交底_第1页
1/12
某工程箱型基础施工技术交底_第2页
2/12
某工程箱型基础施工技术交底_第3页
3/12
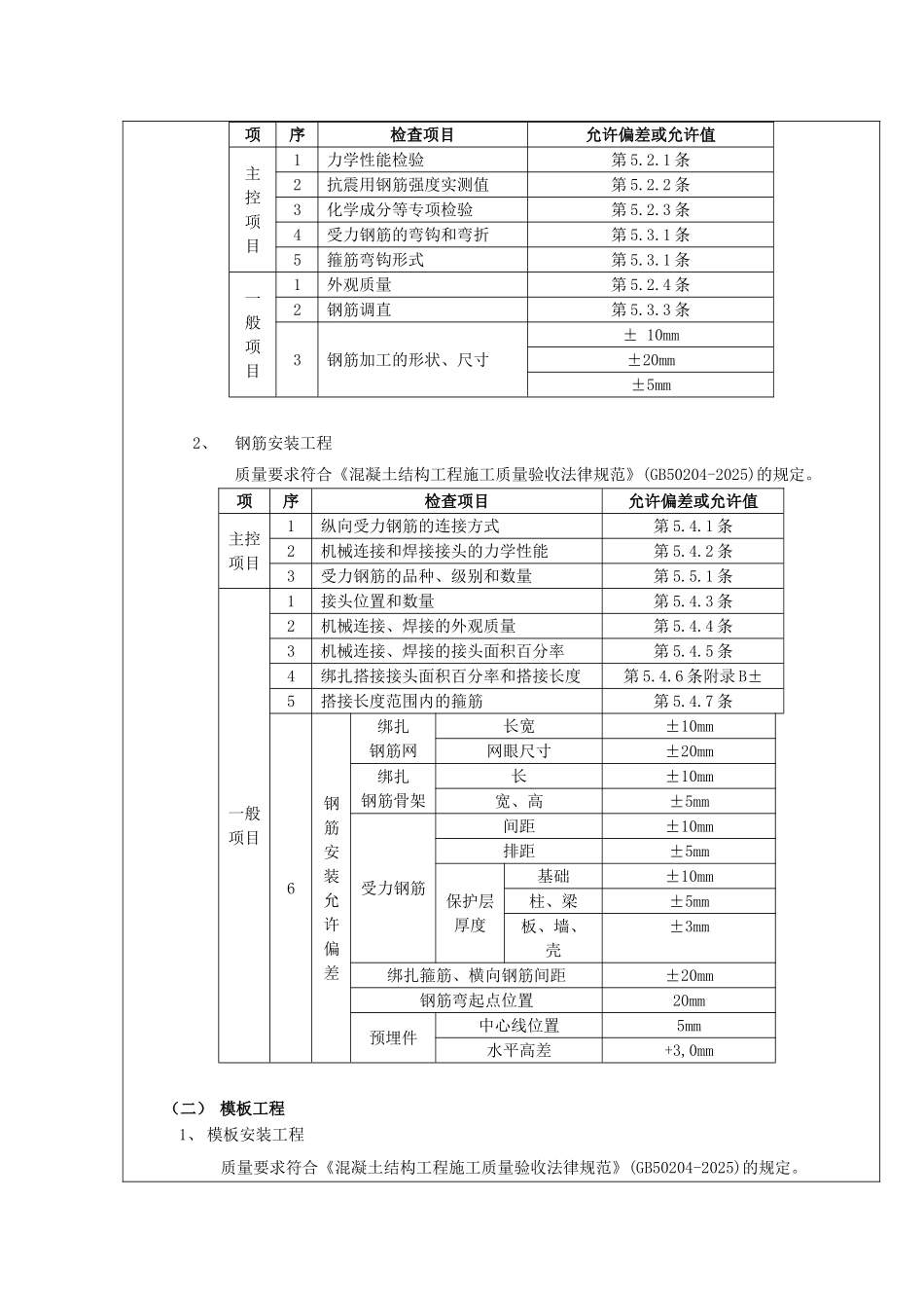
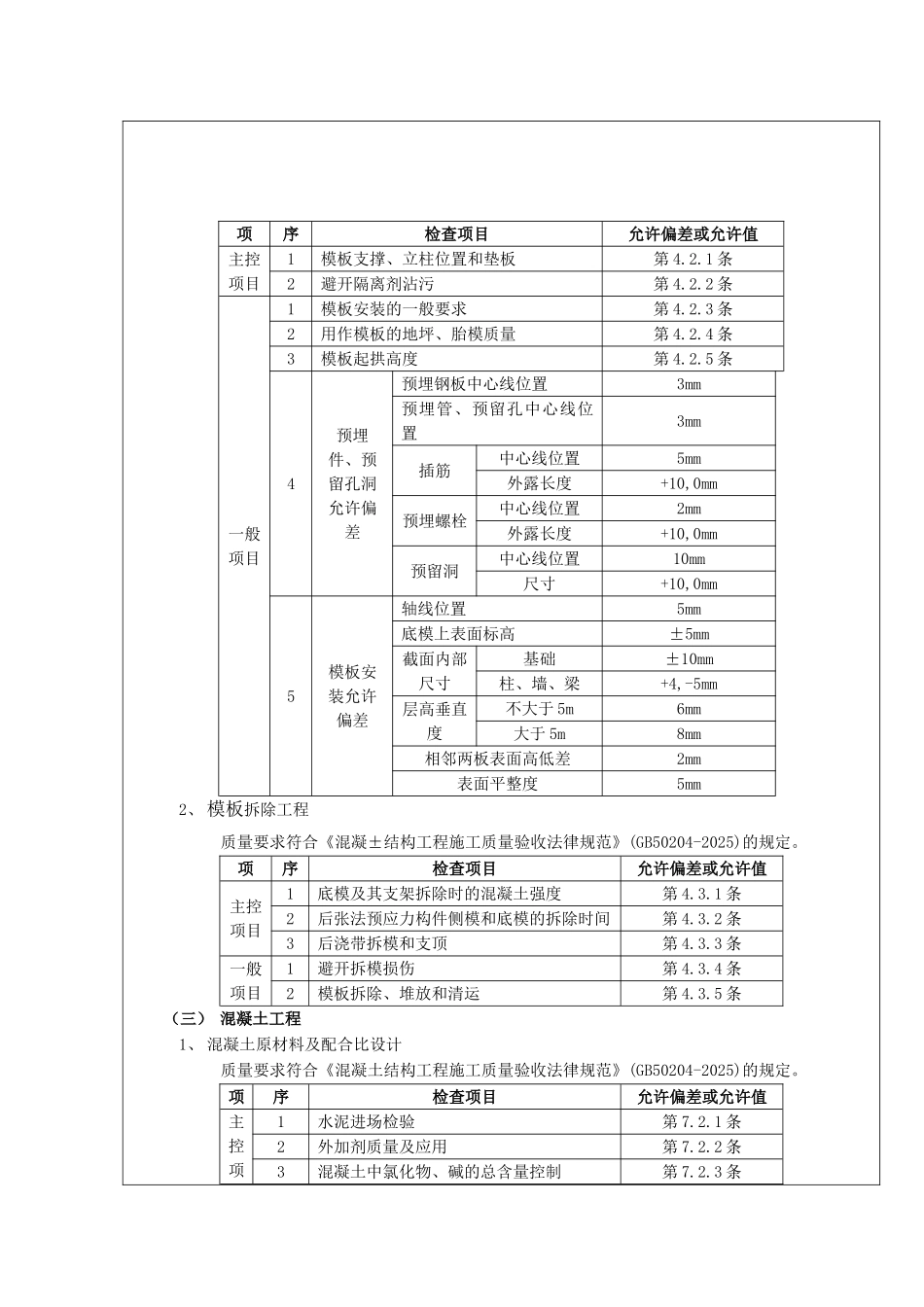
技术交底记录编号:工程名称施工班组分项工程施工图号相对人签字一、施工准备(一) 作业条件1、地基土质情况,钎探、地基处理、基础轴线尺寸、基底标高情况等均经过勘察、设计、监理单位验收,并办理完隐检手续。2、完成基槽验线,办完验收手续。3、地下降水工作完成,具备施工条件。4、根据设计及法律规范要求进行,校核混凝土配合比,做完混凝土配合比试配。原材料的复试、台秤经校准、检定合格,准备好混凝土试模。(二) 材质要求1、 水泥:水泥品种、强度等级应根据设计要求确定。质量符合现行水泥标准。工期紧时可做水泥快测。2、 砂、石子:根据结构尺寸、钢筋密度、混凝±工程施工工艺、混凝土强度等级的要求确定石子粒径、砂子细度。砂、石质量符合现行标准。3、 水:自来水或不含有害物质的洁净水。4、 外加剂:根据施工组织设计要求,确定是否采纳外加剂。外加剂必须经试验合格后,方可在工程上使用。5、 掺合料:根据施工组织设计要求,确定是否采纳掺合料,质量符合现行标准。6、 钢筋:钢筋的级别、规格必须符合设计要求,质量符合现行标准。钢筋表面应保持清洁,无锈蚀和油污,必要时做化学分析。7、 隔离剂:水性隔离剂、甲基硅树酯。(三) 施工器具1、 混凝土机具:磅秤、混凝土搅拌机、插入式振捣器、平尖头铁锹、胶皮管、手推车、布料杆、3m杠尺、木抹子、塑料布等。2、 钢筋机具:调直机、弯曲机、切断机、钢筋钩子、扳手、无齿锯、钢筋连接机具、电焊机、撬棍等。3、 模板机具:铁、木榔头、水平尺、手锯、钢卷尺、拖线板、气泵、吸尘器、手提电锯等。二、质量要求(一) 钢筋工程1、钢筋原材料及钢筋加工工程质量要求符合《混凝土结构工程施工质量验收法律规范》(GB50204-2025)的规定。项序检查项目允许偏差或允许值主控项目1力学性能检验第 5.2.1 条2抗震用钢筋强度实测值第 5.2.2 条3化学成分等专项检验第 5.2.3 条4受力钢筋的弯钩和弯折第 5.3.1 条5箍筋弯钩形式第 5.3.1 条一般项目1外观质量第 5.2.4 条2钢筋调直第 5.3.3 条3钢筋加工的形状、尺寸± 10mm±20mm±5mm2、钢筋安装工程质量要求符合《混凝土结构工程施工质量验收法律规范》(GB50204-2025)的规定。项序检查项目允许偏差或允许值主控项目1纵向受力钢筋的连接方式第 5.4.1 条2机械连接和焊接接头的力学性能第 5.4.2 条3受力钢筋的品种、级别和数量第 5.5.1 条一般项目1接头位置和数量第 5.4.3 条2机械连接、焊接的外观...

1、当您付费下载文档后,您只拥有了使用权限,并不意味着购买了版权,文档只能用于自身使用,不得用于其他商业用途(如 [转卖]进行直接盈利或[编辑后售卖]进行间接盈利)。
2、本站所有内容均由合作方或网友上传,本站不对文档的完整性、权威性及其观点立场正确性做任何保证或承诺!文档内容仅供研究参考,付费前请自行鉴别。
3、如文档内容存在违规,或者侵犯商业秘密、侵犯著作权等,请点击“违规举报”。

碎片内容

某工程箱型基础施工技术交底

确认删除?
VIP
微信客服
  • 扫码咨询
会员Q群
  • 会员专属群点击这里加入QQ群
客服邮箱
回到顶部